Електричний гідравлічний клапан 6/2 50L 24V 1/2 "Гідролайдер
- Час доставки: 7-10 днів
- Стан товару: новий
- Доступна кількість: 267
Приобретая «Электрический гидравлический клапан 6/2 50 л 24 В 1/2 "Гидролидер» данный товар из каталога «Гидравлическая система» вы можете быть уверены, что после оформления заказа, доставки в Украину, вы получите именно то, что заказывали, в оговоренные сроки и европейского качества.
РОЗДІЛЬНИК (СОЛЕНОЇДНИЙ КЛАПАН) 6/2 24V
В КОМПЛЕКТІ З ЕЛЕКТРОВИЛКОЮ
Виробництво:
Оригінальний продукт торгової марки Badestnost, символ: 1.23.00.014
Застосування:
Широко використовується в гідравлічних системах у сільському господарстві, садівництві, лісництві, будівництві та широкому розумінні промисловості.
Дільник адаптований до різних типів машин, таких як: сільськогосподарські машини, трактори, обприскувачі, тури, циклопи, навантажувачі HDS, будівельні машини, навантажувачі, екскаватори, підмітальні машини, промислові машини та інші пристрої з гідравлічним керуванням.
Технічні дані:
Електрична вилка в комплекті.
Рекомендована витрата масла в системі: 0 - 50 л/хв.
Приклад керування: два незалежно діючих циліндра подвійної дії, що керуються з однієї секції в гідравлічному дистриб'ютор.
Принцип дії:
Електромагнітний клапан за допомогою електричного імпульсу (24 В) дозволяє перемикати керування між двома незалежно працюючими приводами подвійної дії. Це ідеальне рішення, коли у нас є гідравлічний розподільник, у якому вже використовуються всі наявні секції, і раптом виникає потреба керувати новим додатковим приводом.
У навантажувачі TUR цей пристрій дозволяє керувати чутливим розподільником і захватом для тюків або крокодилом з однієї секції. Перемикання між елементами управління здійснюється за допомогою кнопки. Він може бути встановлений біля розподільника або безпосередньо на елементі керування, напр. важіль або джойстик.
Електромагнітний клапан дозволяє керувати двома приводами, але не дозволяє керувати ними одночасно. Роботу потрібно виконати на першому приводі, а потім переходимо до управління другим приводом.
На фото показаний приклад використання електромагнітного клапана 6/2:
Керування:
Двопозиційний повзунок (1 - 2), підпружинений, тобто повертається в нейтральне положення самостійно після відключення живлення. Коли повзунок знаходиться в нейтральному положенні (1), можна керувати приводом №. відключено) можливість керування приводом №. 1.
Зліва гідравлічна схема розподільника:
Струм:
Живлення постійного струму (DC) 24 В
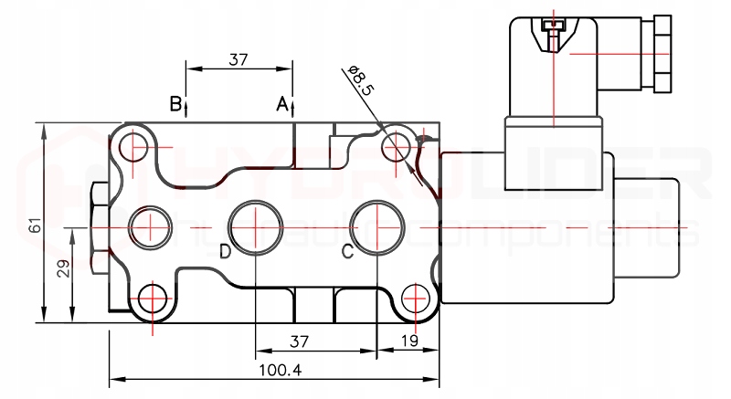
Підключення:
- Живлення від секції розподільника (P1, P2): внутрішня різьба BSP 1/2''
- Вихід до приводу №. 1 (A, B): внутрішня різьба BSP 1/2''
- Вихід до приводу №. 2 (C, D): внутрішня різьба BSP 1/2''
Діапазон тиску:
Максимальний тиск: 210 бар
Типи масла, рекомендовані AGRICOLA:
- Рідша високоякісна олія: LOTOS AGROL BOXOL 26
- Густіша високоякісна олія: FUCHS AGROFARM HYDRATEC HVI 46
Рекомендований діапазон температури масла:
- Допустима температура навколишнього середовища: від -40 C до +60 C
- Допустима температура масла: від -15 C до +80 C
- Рекомендована фільтрація масла на рівні 10 - 15 µ
