ЕЛЕКТРИЧНИЙ ГІДРАВЛІЧНИЙ РОЗПОДІЛЬНИК 5 SEC 40L 12V + STERLING PANEL HYDROLIDER
- Час доставки: 7-10 днів
- Стан товару: новий
- Доступна кількість: 128
Заказывая «ЭЛЕКТРО-ГИДРАВЛИЧЕСКИЙ РАСПРЕДЕЛИТЕЛЬ 5 СЕК 40 Л 12 В + ПАНЕЛЬНЫЙ ГИДРОЛИДЕР STERLING» данное изделие из «Разделители» вы можете быть уверены, что после оформления заказа, доставки в Украину, вы получите именно то, что заказывали, в оговоренные сроки и европейского качества.
5-СЕКЦІЙНИЙ ГІДРАВЛІЧНИЙ РОЗПОДІЛЬНИК
CETOP 03 NG6 З ЕЛЕКТРИЧНИМ КЕРУВАННЯМ 12В
В КОМПЛЕКТІ З ПАНЕЛЮ ТА КАБЕЛЬНИМ ЖГУТОМ
Виробництво:
Оригінальний продукт марки Hydrolider, символ виробника: 1.10.60.051
Застосування:
Широко використовується в гідравлічних системах у сільському господарстві, садівництві, лісовому господарстві, будівництві та промисловості в цілому.
Розподільник адаптований до різних типів машин, таких як: сільськогосподарські машини, трактори, обприскувачі, турери, циклопи, навантажувачі HDS, будівельні машини, навантажувачі, екскаваторів, підмітальних машин, промислових машин та інших пристроїв з гідравлічною системою.
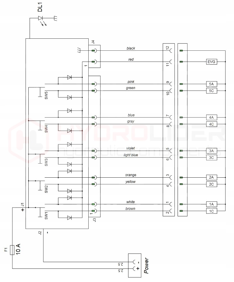
Пульт дозволяє керувати стартовою ділянкою та п'ятьма робочими секціями в електрокерованому гідророзподільнику типу СЕТОП. Набір кабелів, що забезпечують електричне з'єднання всіх секцій розподільника з панеллю керування.
Технічні дані:
Набір включає: блок клапанів, розвантажувальну секцію, п'ять розподільників, набір з'єднань з виходом M18x1.5 і панель управління з кабельним джгутом.
Рекомендована витрата масла в системі: 0 - 50 л/хв.
Приклад управління: п'ять приводів подвійної дії.
Матеріал:
Корпус розподільника та сталеві повзунки, електричні заглушки та пластикові затяжні гайки, сталь або блок залежно від партії, алюміній, пластикова панель.
ЗАГАЛЬНІ ХАРАКТЕРИСТИКИ ДІЛЬНИКА:
Принцип дії:
Розподільник має одну пускову секцію та п'ять робочих секцій. Початкова секція, або розвантаження, необхідна, її завдання полягає в тому, щоб розвантажити насос, коли ми не контролюємо жодну робочу секцію розподільника.
Жодна робоча секція не буде працювати, якщо до початкової секції не буде передано струм, тому електричне підключення має бути налаштовано таким чином, щоб кожен електричний сигнал, який надсилається до робочої секції, мав досягати початкової секції одночасно.
Керування:
Двопозиційний повзунок початкова секція (0 - 1), на пружині, тобто повертається в нейтральне положення самостійно після відключення живлення. Коли повзунок знаходиться в нейтральному положенні, масло тече до переливу, тоді насос розвантажується.
Принцип роботи повзуна:
- Положення 0 нейтральне (подача живлення на котушку відключена), неможливо отримати тиск у робочих секціях.
- Робоче положення 1 (подача струму на котушку відкрита) можна отримати тиск у секції робочі секції.
Повзун робочої секції має три положення (1 - 0 - 2), підпружинений, тобто повертається в нейтральне положення самостійно після відключення живлення.
Принцип роботи повзуна:
- Положення 0 нейтраль (припинено живлення обох котушок), шток поршня приводу стоїть - масло йде в перелив.
- Положення 1 робоче положення (подача живлення тільки на першу котушку), шток поршня приводу висувається.
- Робоче положення (живлення тільки на другу котушку), шток поршня приводу втягується.
Праворуч гідравлічні схеми, зверху схема початкової секції та внизу схема робочі розділи:
Струм:
Живлення постійного струму (DC) 12 В
Підключення (внутрішня різьба в корпусі):
- Живлення від насоса (P): внутрішня різьба BSP 1/2''
- Повернення до бака (T): внутрішня різьба BSP 1/2''
- Секції (A1, A2, A3, A4, A5, B1, B2, B3, B4, B5): BSP 3/8'' внутрішня різьба
Діапазон тиску:
- Максимальний тиск подачі: 250 Бар
- Максимальний тиск у зворотній лінії: 50 Бар
- Максимальний тиск на секціях: 300 Бар
- Переливний клапан на заводі налаштовано на 175 бар
- Можливість самостійного регулювання, зміна повного оберту на 30 бар
Типи масла, рекомендовані AGRICOLA:
- Рідша, високоякісна олія: LOTOS AGROL BOXOL 26
- .
Рекомендована температура масла діапазон:
- Допустима температура навколишнього середовища: від -40 C до +60 C
- Допустима температура масла: від -15 C до +80 C
ЗАГАЛЬНІ ХАРАКТЕРИСТИКИ ПАНЕЛІ КЕРУВАННЯ:
Усі перемикачі вгору та вниз з автоматичним центруванням (1-0-2) без засувки.
Кожна панель продається в комплекті з двометровим кабелем живлення та комбінованим чотириметровим кабелем зі штекерами, що з’єднують панель із розподільником. У нас також є комплекти подовжувачів 3 м, 5 м, 7 м або 9 м, які доступні на інших аукціонах.
Коли будь-який перемикач увімкнено, сигнал також одночасно передається на додаткову пару проводів, які можна використовувати для активації попереджувального сигналу (гудок, звуковий сигнал) або котушки запобіжного клапана (розподільники типу CETOP), або для ввімкнення насоса через реле.
Важливо!!!
Набори Agricola розроблені таким чином, що їх можна легко зібрати самостійно. У зв'язку з безпекою товару під час транспортування та обмеженнями, що випливають з правил кур'єрських компаній, набір відправляється в розібраному вигляді. Набір містить точні графічні інструкції зі складання разом із переліком окремих елементів, які входять до нього.
