ЕЛЕКТРОГІДРАВЛІЧНИЙ РОЗПОДІЛЬНИК 2 СЕК 80Л 24В + ПАНЕЛЬ УПРАВЛІННЯ. БАДЕСНІСТЬ
- Час доставки: 7-10 днів
- Стан товару: новий
- Доступна кількість: 128
Просматривая «ЭЛЕКТРОГИДРАВЛИЧЕСКИЙ РАСПРЕДЕЛИТЕЛЬ 2 СЕК 80Л 24В + ПАНЕЛЬ УПРАВЛЕНИЯ. БАДЕСТНОСТЬ» данный товар из каталога «Разделители» вы можете быть уверены, что после оформления заказа, доставки в Украину, вы получите именно то, что заказывали, в оговоренные сроки и европейского качества.
ГІДРАВЛІЧНИЙ РОЗДІЛЬНИК, 2 СЕКЦІЇ, 80л/хв
З ЕЛЕКТРИЧНИМ КЕРУВАННЯМ 24В В КОМПЛЕКТІ
З ПАНЕЛЮ КЕРУВАННЯ ТА КАБЕЛЬНИМ ДЖГУТОМ
Виробництво спліттера:
Оригінальний продукт марки Badestnost Болгарія, код виробника: 02Z80 A ES3 24VDC G; символ: 1.10.55.021.1
Виробництво панелей:
Оригінальний продукт марки Hydrolider, символ: 1.10.62.002
Застосування:
Широко використовується в гідравлічних системах у сільському господарстві, садівництві, лісовому господарстві, будівництві та широкому розумінні промисловість.
Розподільник адаптований до різних типів машин, таких як: сільськогосподарські машини, трактори, обприскувачі, турери, циклопи, навантажувачі HDS, будівельні машини, навантажувачі, екскаватори, підмітальні машини, промислові машини та інші пристрої з гідравлічною системою.
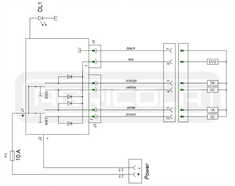
Панель дозволяє керувати двома секціями в електрокерованому гідравлічному розподільнику
Набір кабелів дозволяє електричне з'єднання розподільника з блоком керування панелі.
Технічні дані:
Набір включає розподільник, панель керування з набором кабелів і штекерів.
Рекомендована витрата масла в системі: 0 - 80 л/хв.
Приклад керування: два приводи подвійної дії.
Можливість послідовного підключення до наявна система (потрібна напірна втулка).
Керування:
Обидва повзунки мають три позиції (1 - 0 - 2), підпружинені, тобто вони самостійно повертаються в нейтральне положення після відключення живлення. Коли повзунок знаходиться в нейтральному положенні (0), масло вільно тече через розподільник в зворотний канал, тоді насос не працює на тиск і скидається.
Принцип роботи повзунка:
- Положення 0 нейтраль (живлення обох котушок відключено), шток поршня приводу стоїть - масло йде в перелив.
- Робоче положення. 1 (живлення тільки на першу котушку), шток поршня приводу висувається.
- Робоче положення 2 (живлення тільки на другу котушку), шток поршня приводу втягується.
Справа гідравлічна схема розподільника:
ЗАГАЛЬНА ІНФОРМАЦІЯ ЕЛЕКТРИЧНИЙ РОЗПОДІЛЬНИК:
Струм:
Живлення постійного струму (DC) 24 В
Підключення:
- Живлення від насоса (P1, P2): внутрішня різьба BSP 1/2''
- Повернення до бака (T1, T2): Внутрішня різьба BSP 3/4"
- Секції (A1, A2, B1, B2): внутрішня різьба BSP 1/2"
- Послідовне з’єднання (N): внутрішня різьба BSP 3/4"
Діапазон тиску:
- Максимальний тиск подачі: 250 бар
- Максимальний тиск на поверненні: 50 бар
- Максимальний тиск на секціях: 300 бар
Тиск відкриття переливного клапана зростає пропорційно зі збільшенням витрати:
180 бар при 20 л/хв
190 бар при 40 л/хв
200 бар при 60 л/хв
210 бар при 80 л/хв.
Набори для точного вимірювання тиску можна знайти в розділі Манометри - вимірювальні набори.
Рекомендується перевірити та встановити відповідний тиск перед запуском.
Можливість самостійного регулювання, зміна повного оберту на 30 бар.
Типи масла, рекомендовані AGRICOLA:
- Рідше, високоякісне масло: LOTOS AGROL BOXOL 26
- .
Рекомендований діапазон температури масла:
- Допустима температура навколишнього середовища: від -40 C до +60 C
- Допустима температура масла: від -15 C до +80 C
ЗАГАЛЬНА ІНФОРМАЦІЯ ПАНЕЛЬ КЕРУВАННЯ:
Всі перемикачі вгору-вниз з автоматичним центруванням (1-0-2) без засувки.
Кожна панель продається в комплекті з двометровим кабелем живлення та комбінованим триметровим кабелем зі штекерами, що з’єднують панель із розподільником. У нас також є комплекти подовжувачів довжиною 3 м, 6 м або 10 м, які доступні на інших аукціонах.
Коли будь-який перемикач увімкнено, сигнал одночасно передається на додаткову пару проводів, які можна використовувати для активації сигналу попередження (гудок, звуковий сигнал) або котушки запобіжного клапана (розподільники типу CETOP), або для ввімкнення насоса через реле.
