Електроніка Metabo для м'ясорубки GE 710 Plus
- Час доставки: 7-10 днів
- Стан товару: новий
- Доступна кількість: 2
Просматривая «Електроніка Metabo для м'ясорубки GE 710 Plus» данный товар из каталога «Электронные модули» вы можете быть уверены, что после оформления заказа, доставки в Украину, вы получите именно то, что заказывали, в оговоренные сроки и европейского качества.
/ Електроніка Metabo / електронний модуль / регулятор швидкості для прямої шліфувальної машини GE 710 Plus
- Виробник: Metabo
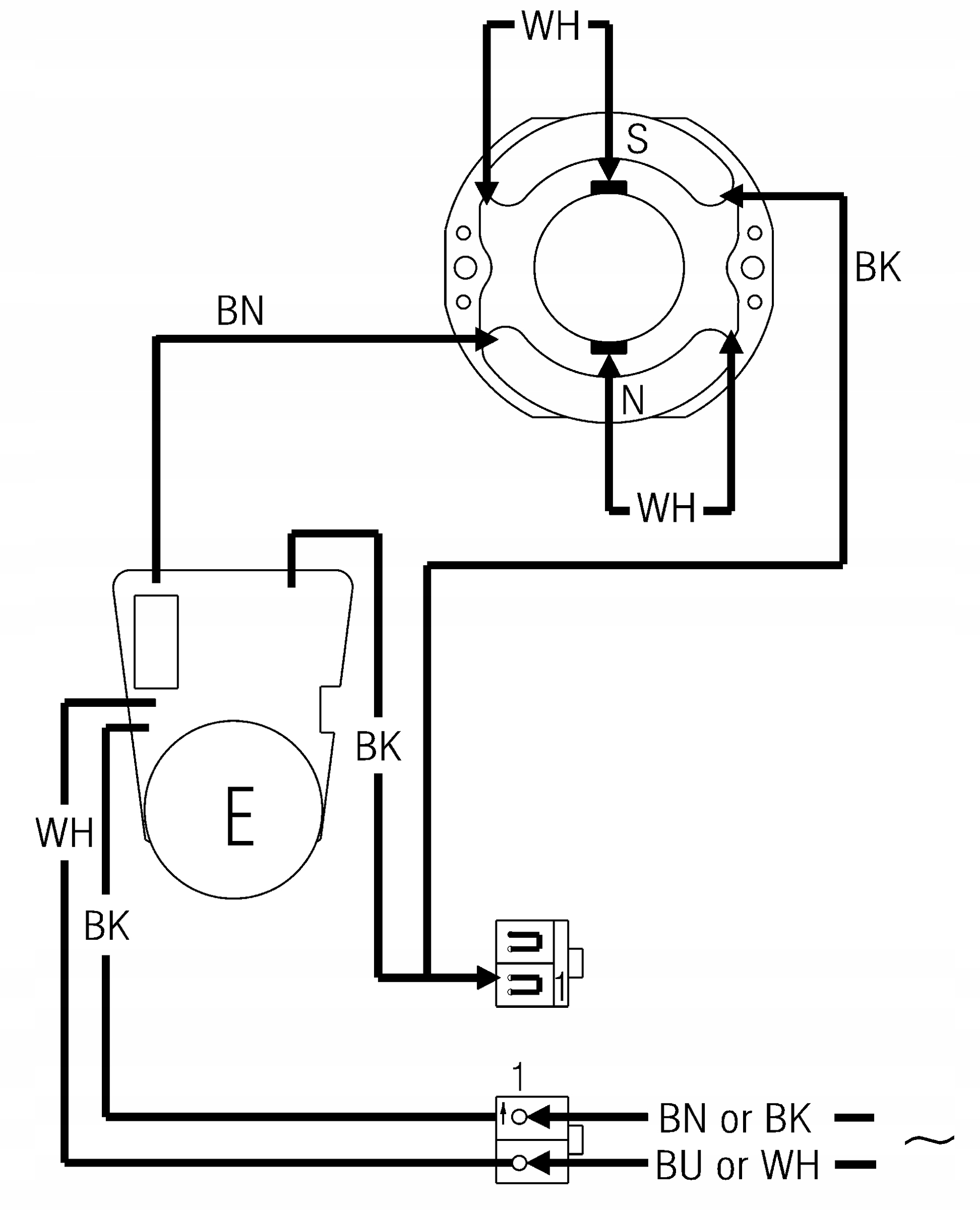
- Код виробника: 343082840
- Позиція на схемі: 24 - GE 710 Plus (00616000) li>
Застосування:
Пряма шліфувальна машина
- GE 710 Plus (00616000 )
- GE 710 Plus (00616180)
- GE 710 Plus (00616190)
- GE 710 Plus (00616250)
- GE 710 Plus (00616310)
- GE 710 Plus (00616380) )
- GE 710 Plus (21042000)
- GEP 710 Plus (00617000) li>
- GEP 710 Plus (00617001)
- GE 710 Compact (00615000)
- GE 710 Compact (00615180) )
- GE 710 Compact (00615190)
- GE 710 Compact (00615310)< /li>< /ul>
Перелік деталей для GE 710 Plus (00616000)
Позиція Кількість Номер пристрою Опис
1 ; 1 ; 316062280 ; КРИЛЬЧАЛЬНЕ КОЛЕСО, 230 В 36
2 ; 1 ; 311012230 ; СТАТОР компл. 28
3 ; 1 ; 344493180 ; КАБЕЛЬ З ВИЛКОЮ CEE 27
4 ; 1 ; 344097360 ; КРИШКА ЗАХИСТІ від перегину кабелю 11
5 ; 1 ; 343362490 ; КАБЕЛЬНИЙ ЗАЖИМ 12
6 ; 1 ; 141117060 ; МЕТАЛЕВИЙ ГВИНТ ОБ'ЄКТИВА 12
7 ; 2; 344498880 ; WEAVE Compl. 11
8 ; 1 ; 315013660 ; КОРПУС ДВИГУНА 22
9 ; 1 ; 343430940 ; SHIFT 11
10 ; 1 ; 343397810 ; ПЕРЕКЛЮЧАТЕЛЬ, H/L 11
11 ; 1 ; 143115690 ; КУЛЬКОПІДШИПНИК,6x19x6 13
12 ; 1 ; 344097870 ; ВТУЛКА ГУМОВА 11
13 ; 1 ; 343436590 ; ШАЙБА 13
14 ; 1 ; 143114880 ; ПІДШИПНИК кульковий 8X22X 7 14
15 ; 1 ; 343430910 ; КРИШКА ДВИГУНА 20
16 ; 3; 141113180 ; МЕТАЛЕВИЙ ГВИНТ ОБ'ЄКТИВА 11
17 ; 4; 141117060 ; МЕТАЛЕВИЙ ГВИНТ ОБ'ЄКТИВА 12
19 ; 1 ; 315202620 ; ПІДШИПНИК 25
20 ; 1 ; 344160400 ; КЛЮЧ 16
22 ; 1 ; 344099150 ; РУЧКА 19
23 ; 1 ; 316051730 ; ШПИНДЕЛЬНА ГОЛОВКА Compl. 38
24 ; 1 ; 343082840 ; МОДУЛЬ ЕЛЕКТРОНІКИ,230В 31
25 ; 1 ; 343409640 ; ПЕРЕМИКАЧ 19
26 ; 2; 316046890 ; ЩІТКОТРИМАЧ Compl. вимкнено, 230 В 22
27 ; 1 ; 316046900 ; ЩІТКА (ЗНІМНА) ПЕРЕМИКНА 22
29 ; 1 ; 630820000 ; 6 мм монтажний затискач з монтажною гайкою
30 ; 1 ; 316062270 ; ДРАЙВЕР ПОВНО. 24
31 ; 1 ; 344099140 ; АМОРТИЗАТОР 13
35 ; 1 ; 338057490 ; ТАБЛИЧКА 11
61 ; 1 ; 316065220 ; ШПИНДЕЛЬНА ГОЛОВКА Compl. 33
62 ; 1 ; 143115930 ; ПІДШИПНИК 19
63 ; 1 ; 143111090 ; ПІДШИПНИК 10X 30X 9 24
64 ; 1 ; 141180370 ; КІЛЬЦЕ SEEGER 11
65 ; 1 ; 143115490 ; ШАЙБА 11
66 ; 1 ; 341071300 ; Kupplungsstueck 18
70 ; 1 ; 143115470 ; ШАЙБА 11
71 ; 1 ; 316051700 ; Luefter mit Staubschutzkorb 17
75 ; 1 ; 316059800 ; БЛОКУВАННЯ ШПИНДЕЛЯ 21
80 ; 1 ; 330002060 ; ВЕНТИЛЯТОР 14
98 ; 2; 143195530 ; Ущільнювальне кільце 11
1001 ; 1 ; 338505710 ; ПЛАН ПРОВОДКИ
