Електронний контролер Makita для HR4011C
- Час доставки: 7-10 днів
- Стан товару: новий
- Доступна кількість: 1
Просматривая «Електронний контролер Makita для HR4011C», вы можете быть уверены, что данный товар из каталога «Электронные модули» будет доставлен из Польши и проверен на целостность. В цене товара, указанной на сайте, учтена доставка из Польши. Внимание!!! Товары для Евросоюза, согласно законодательству стран Евросоюза, могут отличаться упаковкой или наполнением.
/ Електронний контролер Makita 240V для перфоратора HR4001C
новий оригінал
( КОНТРОЛЕР / електроніка / регулятор швидкості / контролер / електронний модуль / ударний молоток )
- Виробник: Makita
- Код виробника: 631657-2
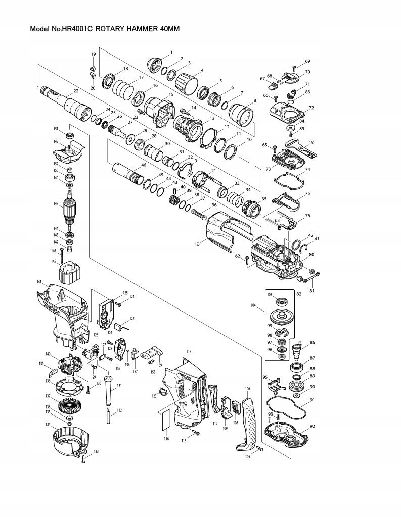
- Позиція на схемі: 125 - HR4001C
Застосування:
перфоратор / перфоратор: b>
b>
- HR4001C
- HR4010C
- HR4011C
Перелік деталей для HR4001C
Елемент на схемі, номер за каталогом, опис, кількість
001-1 ; 286285-4 ; КРИШКА ТРИМАЧА ІНСТРУМЕНТУ ; 1
002 ; 231984-3 ; Кільцева пружина 25 ; 1
003 ; 267272-2 ; Шайба 28 ; 1
004 ; 419015-0 ; кришка тримача свердла; 1
005 ; 419002-9 ; ПРОГУЛЯТИ ; 1
006 ; 324548-1 ; Кільце свердлильного патрона; 1
007 ; 231984-3 ; Кільцева пружина 25 ; 1
008 ; 419016-8 ; Відкидна кришка; 1
009-1 ; 419760-7 ; ЗАМОК НАПРАВЛЯЮЧА ВТУЛКА ; 1
010-1 ; 267336-2 ; Шайба 45 ; 1
011 ; 262116-1 ; Уретанове кільце 45; 1
012 ; 421911-0 ; ПЕЧАТНИЙ ЛИСТ ; 1
013 ; 154621-1 ; Барабанна установка ; 1
014 ; 922353-6 ; гвинт M6X30 WR ; 4
015 ; 154624-5 ; Комплект кришки барабана ; 1
C10 ; 810100-6 ; Попереджувальний ярлик; 1
016 ; 345579-7 ; ВЕСНА ПРОВІДНИЦЯ ; 1
017 ; 233431-0 ; Натискна пружина 48 ; 1
018 ; 345579-7 ; ВЕСНА ПРОВІДНИЦЯ ; 1
019 ; 310161-1 ; ФІРМА ІНСТРУМЕНТУ ; 1
020 ; 310161-1 ; ФІРМА ІНСТРУМЕНТУ ; 1
021-2 ; 165633-9 ; фіксуюча втулка; 1
022 ; 324542-3 ; ТРИМАЧ ІНСТРУМЕНТА ; 1
023-1 ; 266437-3 ; гвинт M4X16 під шестигранник; 1
024 ; 213317-4 ; ущільнювальне кільце 20; 1
025 ; 213392-0 ; кільце з фторуглеродної смоли 25; 1
026 ; 213281-9 ; Х-кільце 18 ; 1
027 ; 324569-3 ; Ручка ; 1
028 ; 421901-3 ; Гумове кільце 17 ; 1
029 ; 324573-2 ; Кільце 17; 1
030 ; 419003-7 ; Розсувний рукав ; 1
031 ; 324571-6 ; Ударний елемент ; 1
032 ; 213962-5 ; ущільнювальне кільце 22; 1
033 ; 331709-6 ; Кільце 33; 1
034 ; 233448-3 ; Натискна пружина 37 ; 1
035-1 ; 227509-9 ; Пряма конічна шестерня 25 ; 1
036 ; 419005-3 ; Шатун ; 1
037 ; 213379-2 ; ущільнювальне кільце 21; 1
038 ; 213962-5 ; ущільнювальне кільце 22; 1
039 ; 419004-5 ; Поршень ; 1
040 ; 256197-5 ; Вивід 7 ; 1
041 ; 233937-8 ; Кільцева пружина 31 ; 1
042 ; 257268-1 ; Кільце 33; 1
043 ; 213406-5 ; ущільнювальне кільце 30 ; 1
044 ; 213406-5 ; ущільнювальне кільце 30 ; 1
045 ; 233935-2 ; Кільцева пружина 32 ; 1
046 ; 324570-8 ; Циліндр 28,5 ; 1
062 ; 266041-8 ; Саморіз з опуклою головкою ПТ 5Х25; 4
063 ; 233432-8 ; Натискна пружина 7 ; 2
065 ; 911133-5 ; Гвинт з круглою головкою M4X18 WR ; 6
066 ; 266192-7 ; Саморіз з опуклою головкою ПТ 4Х14; 2
067 ; 419009-5 ; КНОПКА БЛОКУВАННЯ ; 1
068 ; 233436-0 ; Натискна пружина 3 ; 2
069 ; 266192-7 ; Саморіз з опуклою головкою ПТ 4Х14; 1
070 ; 419020-7 ; Важіль перемикання; 1
071 ; 419007-9 ; Ексцентричний важіль ; 1
072 ; 317925-4 ; Кришка корпуса редуктора; 1
073 ; 419030-4 ; КОРПУС КОРОНТА ; 1
074 ; 421908-9 ; Ущільнювальне кільце; 1
075 ; 419019-2 ; ПОСІБНИК ПЛАСТИНИ СПІЛЬНОЇ ПЛАТКИ ; 1
076 ; 345582-8 ; Гнута пластина; 1
080 ; 154625-3 ; Комплект кришки картера; 1
C10 ; 214656-5 ; ПІДШИПНИК ПЛОЩИНИ 51 ; 1
C20 ; 324568-5 ; Кільце 40; 1
081 ; 423345-3 ; амортизуюча пластина; 1
082 ; 419008-7 ; FIX GUIDE ; 2
083 ; 213262-3 ; ущільнювальне кільце 18; 1
084 ; 419006-1 ; Важіль ланки ; 1
085 ; 911511-9 ; Гвинт з круглою головкою M4X10 WRM ; 1
086 ; 324550-4 ; КОРІНВАЛ ; 1
08
