Falownik jednofazowy 2,2kW - FA-1f022 F&F
Код: 13706743569
29356 грн
Ціна вказана з доставкою в Україну
Товар є в наявності
ЯК ЕКОНОМИТИ НА ДОСТАВКЕ?
Замовляйте велику кількість товарів у цього продавця
Інформація
- Час доставки: 7-10 днів
- Стан товару: новий
- Доступна кількість: 25
Оплачивая «Falownik jednofazowy 2,2kW - FA-1f022 F&F», вы можете быть уверены, что данное изделие из каталога «Инверторы» будет доставлено из Польши и проверено на целостность. В цене товара, указанной на сайте, учтена доставка из Польши. Внимание!!! Товары для Евросоюза, согласно законодательству стран Евросоюза, могут отличаться упаковкой или наполнением.
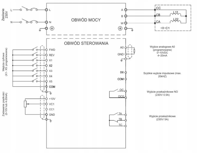
Вхідна напруга: 1x230В. Споживана потужність: 3,8 кВА. Вихідна напруга: 1x230V. Вихідний струм: 16А. Максимальна потужність двигуна: 2,2 кВт.
Інвертори серії FA-1F призначені для керування однофазними двигунами змінного струму з допоміжним конденсатором
завантаження.
Особливості:
- можливість зміни напрямку обертання двигуна
- швидкість обертання регулюється від 0 до 400 Гц
- високий крутний момент при низьких швидкостях обертання - велика свобода в програмуванні цифрових і аналогових входів і виходів
- Режим PLC – можливість запрограмувати до семи операцій, що виконуються інвертором одноразово або циклічно. Для кожного кроку можна вказати швидкість, час і тривалість прискорення/уповільнення.
- багатофункціональна панель оператора з можливістю демонтажу та підключення поза інвертором.
