FAZ CKF-316 F&F датчик послідовності та загасання
- Час доставки: 7-10 днів
- Стан товару: новий
- Доступна кількість: 98
Оплачивая «FAZ CKF-316 F&F датчик послідовності та загасання», вы можете быть уверены, что данное изделие из каталога «Аппарат управления» будет доставлено из Польши и проверено на целостность. В цене товара, указанной на сайте, учтена доставка из Польши. Внимание!!! Товары для Евросоюза, согласно законодательству стран Евросоюза, могут отличаться упаковкой или наполнением.
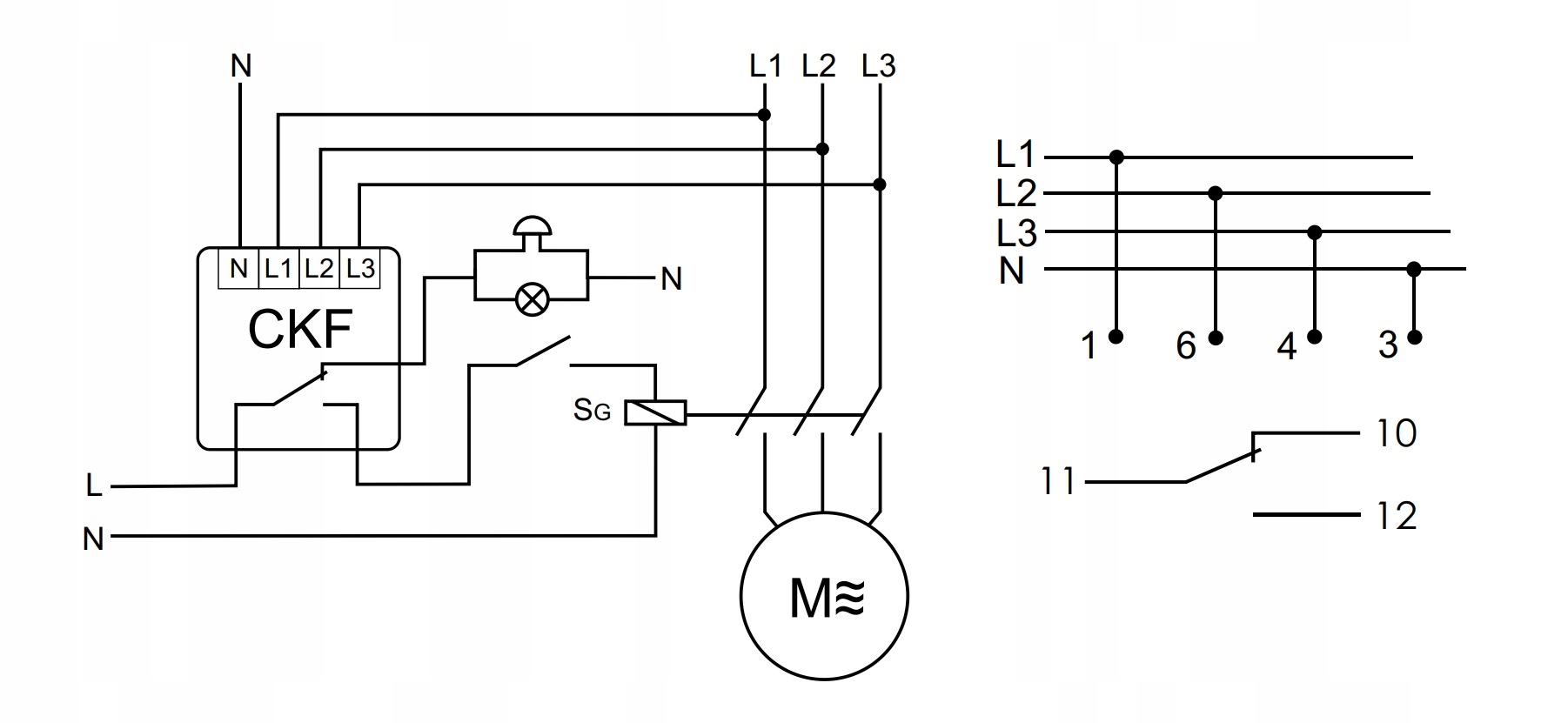
ДАТЧИК ЧЕРДОВНОСТІ ТА ВТРАТ ФАЗ F&F-CKF-316
ПРИЗНАЧЕННЯ
Датчик послідовності фаз і втрат призначений для захисту електродвигунів, що живляться від трифазної мережі, у випадках втрата напруги хоча б однієї фази або асиметрія напруги між фазами, що загрожує руйнуванням двигуна, і захист напрямку обертання двигуна у разі зміни фази перед датчиком.
ЕКСПЛУАТАЦІЯ
Втрата напруги принаймні в одній, будь-якій фазі або асиметрія напруги між фазами вище порогу активації призведе до вимкнення двигуна. Відключення відбудеться із затримкою в 4 секунди, що запобігає випадковому відключенню двигуна в разі короткочасного перепаду напруги. Він автоматично ввімкнеться знову, коли напруга підвищиться на 5 В вище напруги активації (тобто на значення гістерезису напруги). При перерахованих вище аномаліях запуск двигуна неможливий. Якщо послідовність фаз перед датчиком змінюється, викликаючи небажану зміну напрямку обертання двигуна, датчик не дозволить двигуну запуститися. Повторне підключення можливе після відновлення правильної послідовності фаз.
.
ЦІНА - ЗА 1 ПК
ДИВІТЬСЯ ІНШЕ АУКЦІОНИ
ПОВНА ЕЛЕКТРОТЕХНІКА, НЕОБХІДНА ДЛЯ ВИКОНАННЯ ЕЛЕКТРОМОНТАЖУ. В БУДИНКАХ ТА КВАРТИРАХ
ТЕХНІЧНІ ДАНІ
- Напруга живлення: 3 × 400 В + N
- Співпраця з генераторами електроенергії: НІ
- Контроль втрати фази/асиметрії: ТАК
- Контроль послідовності фаз: ТАК
- Керування контактом контактора: НІ
- Виконавчий елемент: реле
- Максимальний струм навантаження: 10 A b> li>
- Конфігурація контактів: 1 × NO/NC
- Розділення контактів: ТАК
- Активація асиметрії напруги: 55 В
- Гістерезис напруги: 5 В
- Затримка вимкнення: 4 с li>
- Керування потужністю: 2 × LED
- Підключення: гвинтові клеми 2,5 мм2
- Момент затягування : 0,4 Нм
- Енергоспоживання: 1,6 Вт
- Робоча температура: -25÷ 40°C< /li>
- Розміри: 1 модуль (18 мм)
- Встановлення: на рейку 35 мм
- Рівень захисту:IP20
- TrueRMS: НІ
