FI 59 Металевий рулон для кабелю FI 10 роликів
Код: 7785173068
734 грн
Ціна вказана з доставкою в Україну
Товар є в наявності
ЯК ЕКОНОМИТИ НА ДОСТАВКЕ?
Замовляйте велику кількість товарів у цього продавця
Інформація
- Час доставки: 7-10 днів
- Стан товару: новий
- Доступна кількість: 99963
Покупая «Fi 59 Металлический рулон для кабеля Fi 10 Rollers Blocks» данный товар из каталога «Атласы» вы можете быть уверены, что после оформления заказа, доставки в Украину, вы получите именно то, что заказывали, в оговоренные сроки и европейского качества.
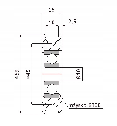
ПРОФІЛЬОВАНИЙ РОЛИК ДЛЯ КАБЕЛЮ
- СТАЛЬ
fi 59
(CM59/10Ł)
- - ШИРИНА РОЛИКА - 15 мм
- - ДІАМЕТР РОЛИКА - 59 мм
- - ОТВІР У СТУЧИНІ - 10 мм
- - ШИРИНА СТУЧИНИ - 11 мм
- - ДЛЯ КАБЕЛЮ - 10 мм
- - ВАНТАЖУЖНІСТЬ - 150 кг
- - ПІДШИПНИК - ні. 6300
- - ВАГА - 0,20 кг
- - АУКЦІОННІ ПРОПОЗИЦІЇ - 1шт
ПОЛЬСЬКИЙ ВИРОБНИК!
РОЛИКИ МЕТАЛЕВІ ОЦИНКОВАНІ, ПРОФІЛЬОВАНІ З ТРОСОМ, ПІДШИПНИК.
В НАЯВНОСТІ РОЗМІРИ НА ІНШИХ АУКЦІОНАХ:
- 44, 54, 59, 79 для кабелю різного діаметру.
ТАКОЖ З МОНТАЖНИМ КРОНШТЕЙНОМ.
