Fidget gyro Spinner układ do samodzielnego montażu
- Час доставки: 7-10 днів
- Стан товару: новий
- Доступна кількість: 39
Просматривая «Fidget gyro Spinner układ do samodzielnego montażu», вы можете быть уверены, что данный товар из каталога «[rubrica_name]» будет доставлен из Польши и проверен на целостность. В цене товара, указанной на сайте, учтена доставка из Польши. Внимание!!! Товары для Евросоюза, согласно законодательству стран Евросоюза, могут отличаться упаковкой или наполнением.
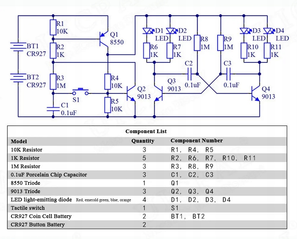
Спінер Fidget gyro spinner
з корпусом
для самостійного збирання, паяння.
Легко збирається.
Час складання 90 хвилин.
Суперефекти освітлення
Живлення: 2 батарейки CR927 в комплекті.
Вони також доступні для придбання на наших аукціонах.
Система виготовлена за технологією скрізного отвору, невеликий мікроперемикач для пайки, рекомендуємо паяльник з маленьким жалом.
У системі є перемикач, завдяки якому ми можемо економити батареї.
Чудово весело
Інструкція:
Системи мають схему монтажу, надруковану на платі. Необхідно звернути увагу на полярність у випадку таких елементів, як конденсатори, діоди, транзистори. У світлодіодів довша ніжка плюс +, параметри більшості елементів описані на корпусі. Резистори можуть мати смугове маркування; їх опір і допуск можна прочитати за допомогою калькуляторів, доступних в Інтернеті, або виміряти за допомогою лічильника. Порядок складання, як правило, довільний, залежно від компонування спочатку збираємо найдрібніші елементи.
