Czaja VALTEK фільтр рідкої фази (+ORINGS) CZAJA ZAVOLI KME STAG
- Час доставки: 7-10 днів
- Стан товару: новий
- Доступна кількість: 199
Приобретая «Фильтр жидкой фазы Czaja VALTEK (+ORINGS) CZAJA ZAVOLI KME STAG» данный товар из каталога «Фильтры» вы можете быть уверены, что после оформления заказа, доставки в Украину, вы получите именно то, что заказывали, в оговоренные сроки и европейского качества.
Фільтр рідкої фази Valtek з ущільнювальними кільцями - 1 шт.
Вставка знаходиться в електромагнітному клапані газу Valtek LPG. Його завдання полягає в тому, щоб фільтрувати зріджений газ у рідкій фазі та захистити установку від твердих забруднень, які можуть негативно вплинути на роботу системи.
Рекомендується періодично замінювати фільтруючий елемент, принаймні раз на рік або після 15 000 кілометрів, оскільки це впливає на термін служби компонентів і роботу газової установки.
Технічні дані:
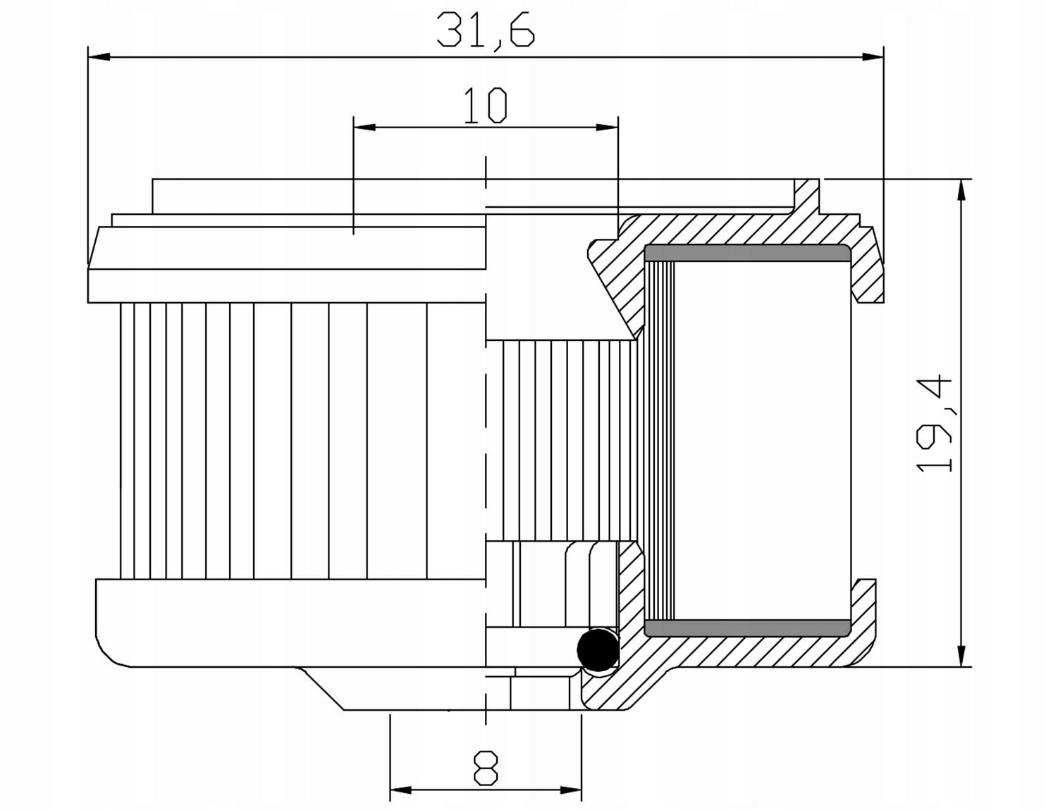
- загальна висота: 20,5 мм
- зовнішній діаметр: 31,6 мм
- діаметр внутрішнього отвору: 10 мм
- діаметр внутрішнього отвору: 8 мм
- матеріал фільтра: цигарковий папір
Фільтр використовується в електромагнітних клапанах Valtek Type 03 і Type 07, які найчастіше зустрічаються в установках AC STAG, KME, LPGTECH, Zavoli, King, Elpigaz та інших.
НОВІ ТОВАРИ.
