Фланець Makita до електрокоси ELM3320
- Час доставки: 7-10 днів
- Стан товару: новий
- Доступна кількість: 4
Оплачивая «Фланець Makita до електрокоси ELM3320», вы можете быть уверены, что данный товар из каталога «Гайки для УШМ» будет доставлен из Польши и проверен на целостность. В цене товара, указанной на сайте, учтена доставка из Польши. Внимание!!! Товары для Евросоюза, согласно законодательству стран Евросоюза, могут отличаться упаковкой или наполнением.
/ Makita внутрішній фланець 45 для електричної косарки ELM3320
INNER FLANGE 45
- Виробник: Makita< /li>
- Код виробника: YA00000825
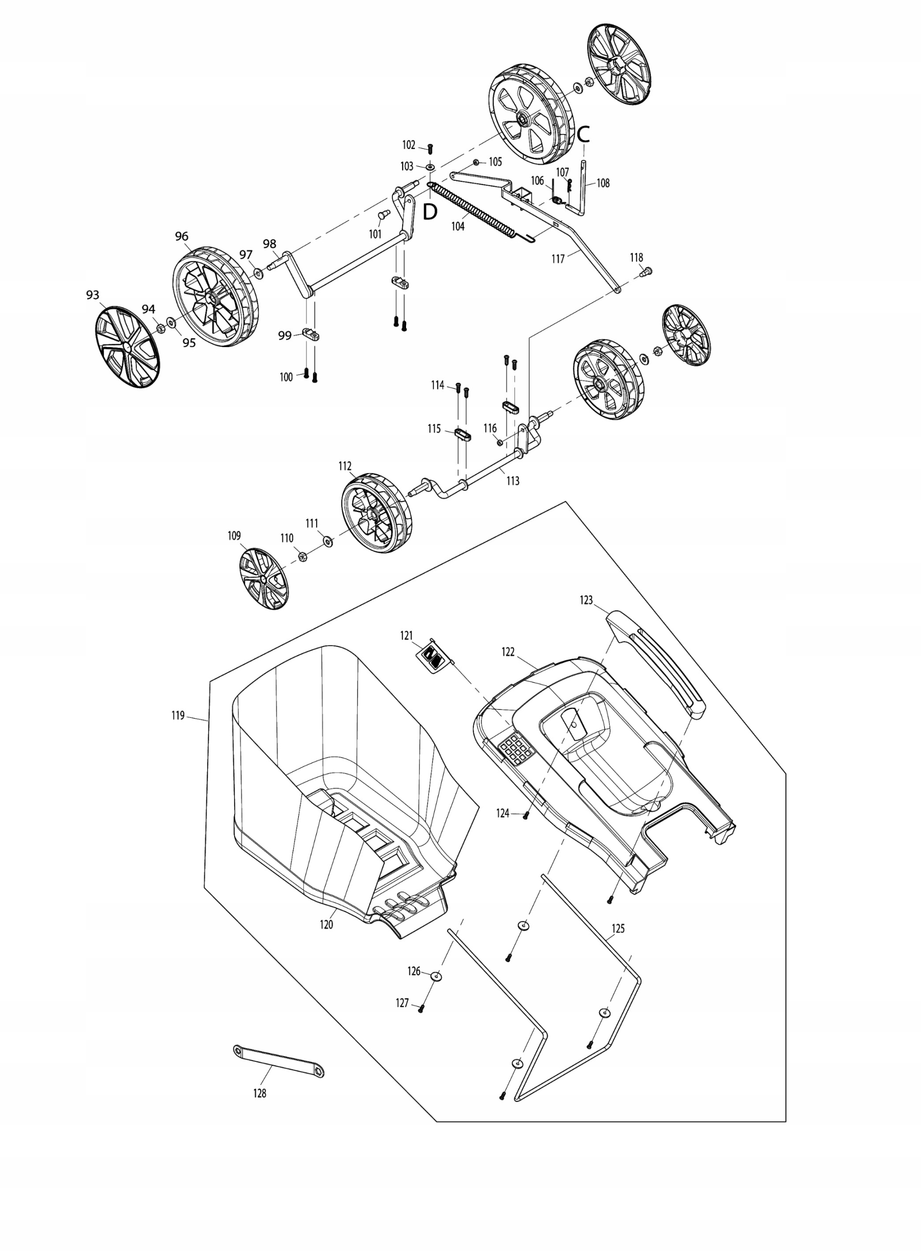
- Позиція на схемі: 89 - ELM3320
Застосування:
Електрична газонокосарка
- ELM3320 ul >
Перелік деталей для ELM3320
Позиція на схемі, Номер за каталогом, Опис, Кількість
001 ; YA00000783 ВЕРХНЯ РУЧКА ЗБОРУ ; 1
002 ; YA00001163 ГУБКА ; 1
003 ; YA00000784 ВАЖІЛЬ ПЕРЕКЛЮЧАННЯ ; 1
004 ; YA00000765 КОРОБКА ПЕРЕМИКАЧА ПРАВА ; 1
005 ; YA00000786 ЗАЖИМ КОРОБКИ ПЕРЕДМИКАЧА ; 1
006 ; YA00000766 КНОПКА ПЕРЕКЛЮЧАННЯ ПОСИЛАННЯ ; 1
007 ; YA00000767 ПРУЖИНА СТИСКУ 16.8 ; 1
008 ; YA00000768 КРИШКА ВАЖЕЛЯ ПЕРЕМИКАЧА ПРАВА; 1
009 ; 652024721 Гвинт САМОСВЕРДЛЮВАЛЬНИЙ 3,5X10 ; 1
010 ; YA00000769 ПЕРЕМИКАЧ ТОРСІОННА ПРУЖИНА 21 ; 1
011 ; YA00000778 ГВИНТ САМОРІЗНИЙ ST4X16 ; 2
012 ; YA00000780 ЗАЖИМ ШНУРУ ; 1
013 ; YA00000771 ШНУР ЖИВЛЕННЯ ; 1
014 ; YA00000778 ГВИНТ САМОРІЗНИЙ ST4X16 ; 2
015 ; YA00000780 ЗАЖИМ ШНУРУ ; 1
016 ; YA00000773 ШНУР ЖИВЛЕННЯ (ЄВРО) ; 1
017 ; YA00000781 ІНДИКАТОР LENZ ; 1
018 ; YA00000772 ПЕРЕМИКАЧ ; 1
019 ; 652023811 Кріплення для кабелю ; 1
020 ; YA00000786 ЗАЖИМ КОРОБКИ ПЕРЕДМИКАЧА ; 1
021 ; YA00000782 КОРОБКА ПЕРЕМИКАЧА ЛІВА ; 1
022 ; YA00000778 ГВИНТ САМОРІЗНИЙ ST4X16 ; 6
023 ; 652023795 ПРУЖИНА ПРАВА ; 1
024 ; YA00000787 РОЗПОРКА ЗАЖИМУ КОРОБКИ ВАЖЕЛЯ ; 1
025 ; 652024721 Гвинт САМОСВЕРДЛЮВАЛЬНИЙ 3,5X10 ; 1
026 ; 652023794 КІНЕЦЬ ВАЖЕЛЯ ВМИКАЧА ЛІВИЙ ; 1
027 ; YA00000737 ТОРСІОННА ПРУЖИНА ; 1
028 ; YA00000787 РОЗПОРКА ЗАЖИМУ КОРОБКИ ВАЖЕЛЯ ; 1
029 ; 652023793 ПРУЖИНА ЛІВА ; 1
030 ; YA00000778 ГВИНТ САМОРІЗНИЙ ST4X16 ; 1
031 ; YA00000785 ГВИНТ САМОРІЗНИЙ ST4X25 ; 1
032 ; YA00000799 ЗАЖИМ КАБЕЛЯ ; 1
033 ; YA00000801 TENSI0N ВАЖЕЛЬ У ЗБОрі ; 2
034 ; YA00000802 ШЕСТИГР.ГАЙКА З ФРАНЦЕВОЮ НАКИДНОЮ М6 ; 2
035 ; YA00001166 КРИШКА ТРУБИ ; 2
036 ; YA00001167 НИЖНЯ РУЧКА ; 2
037 ; YA00000803 РУЧКА M8 ; 2
038 ; YA00000420 ШАЙБА ; 2
039 ; YA00000804 РЕГУЛЮВАННЯ КУТА ВЕРХНИЙ ; 2
040 ; YA00000806 ГВИНТ САМОРІЗНИЙ ST5X20 ; 4
041 ; YA00000805 РЕГУЛЮВАННЯ КУТА НИЖНИЙ СОЕДИНЕНИЙ R ; 1
042 ; YA00000807 ШЕСТИГРАННИЙ БОЛТ M8X65 ; 2
043 ; YA00000808 РЕГУЛЮВАННЯ КУТА НИЖНИЙ L ; 1
045 ; YA00000832 ЧЕРЕВИКИ З КЛАПАНОМ ЗАДУ ; 1
046 YA00000830 ПЕТЛЯ ЗАДНЬОГО КЛАСУКУ ; 1
047 ; YA00000831 ТОРСІОННА ПРУЖИНА ЗАДНЬОГО КЛАСУ 7.7 ; 1
048 ; YA00000821 ГВИНТ САМОРІЗНИЙ ST4X16 ; 2
049 ; YA00000838 КОРПУС ASSY BOTTLES ; 1
050 ; YA00000834 ВЕРХНЯ КРИШКА ; 1
051 ; YA00000841 ПОДУШКА ГУБКА ; 1
052 ; YA00000398 ГВИНТ 5*14 ; 2
053 ; YA00000835 ПЛАСТИНА РЕГУЛЮВАЛЬНИКА ВИСОТИ ; 1
054 ; YA00000836 ПЛАСТИНА СТОП ГУМА ; 1
055 ; YA00000837 НЕЙЛОНОВА ВСТАВКА ШЕСТИГРАННА ГАЙКА M5 ; 2
056 ; YA00000840 ПОДУШКА ГУБКА ; 1
057 ; YA00000821 ГВИНТ САМОРІЗНИЙ ST4X16 ; 2
058 ; YA00000821 ГВИНТ САМОРІЗНИЙ ST4X16 ; 2
059 ; YA00000820 ГВИНТ САМОРІЗНИЙ ST5X16 ; 4
060 ; YA00000848 РУЧКА РЕГУЛЮВАННЯ ВИСОТИ ; 1
061 ; YA00000849 Гвинт з круглою головкою M4X10 ; 1
062 ; YA00001164 ДВИГУН У ЗБОрі (230 В) ; 1
063 ; YA00000813 ГВИНТ САМОРІЗНИЙ ST4X10 ; 4
064 ; YA00000814 НАБІР ВУГІЛЬНИХ ЩІТОК 2 ШТ.; 1
065 ; YA00001174 КАБЕЛЬНА СТЯЖКА ; 3
066 ; YA00001173 ТЕРМОУСАДНА ТРУБА ; 2
067 ; YA00001172 КОМПЛЕКТ ПРОВОДІВ ; 1
068 ; YA00001169 ПОЛУМ'Я ДВИГУНА ТА ШКІВ У ЗБОРЕ ; 1
069 ; YA00000806 ГВИНТ САМОРІЗНИЙ ST5X20 ; 4
070 ; YA00001168 РЕМІНЬ ПОЛІБІБНИЙ ; 1
071 ; YA00000821 ГВИНТ САМОРІЗНИЙ ST4X16 ; 2
072 ; YA00000780 ЗАЖИМ ШНУРУ ; 1
073 ; YA00000857 ПОДУШКА ГУБКА ; 1
074 ; YA00000819 ПОДУШКА ГУБКА ; 1
075 ; YA00000818 ДЕКА ; 1
076 ; YA00000819 ПОДУШКА ГУБКА ; 1
077 ; YA00000841 ПОДУШКА ГУБКА ; 1
078 ; YA00000806 ГВИНТ САМОРІЗНИЙ ST5X20 ; 4
079 ; YA00000822 ТРАВОЗБОРНИК ПІД ПЛАСТИНОЮ ; 1
080 ; YA00000820 ГВИНТ САМОРІЗНИЙ ST5X16 ; 2
081 ;
