Гальмівна стрічка Makita для DCS520 DCS5200I DCS9000
- Час доставки: 7-10 днів
- Стан товару: новий
- Доступна кількість: 2
Просматривая «Гальмівна стрічка Makita для DCS520 DCS5200I DCS9000», вы можете быть уверены, что данный товар из каталога «пружины» будет доставлен из Польши и проверен на целостность. В цене товара, указанной на сайте, учтена доставка из Польши. Внимание!!! Товары для Евросоюза, согласно законодательству стран Евросоюза, могут отличаться упаковкой или наполнением.
* Гальмівна стрічка Makita для бензинової бензопили DCS430
новий оригінал
( BRAKE BAND WITH LINK PLATE )
- Виробник: Makita
- Код EAN: 4002829164488
- Код виробника: 027213050
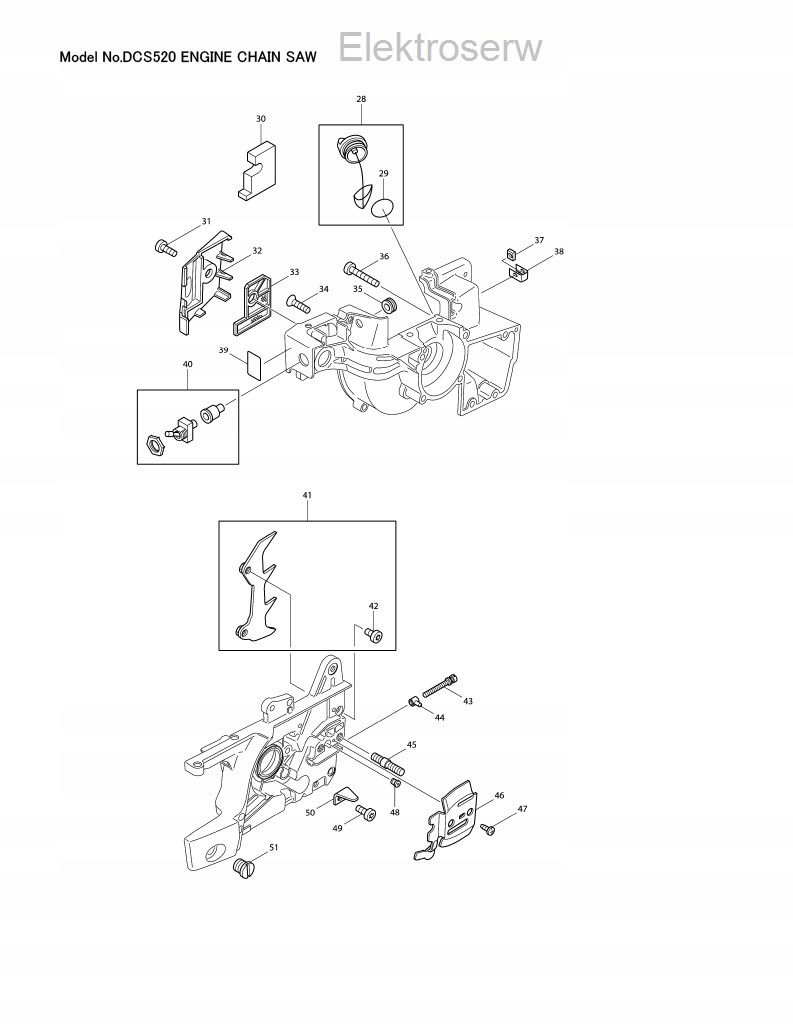
- Елемент на схемі:№ 121- DCS520
Застосування
Бензинова пила / ланцюгова пила Makita:
- DCS430
- DCS4300I
- DCS431
- DCS520
- DCS5200I
- DCS9000
- DCS9010
- DPC6201< /li>
- DPC7301
Бензинова пила/ланцюгова пила Dolmar:
- 109
- 110
- 111
- 115
- PS43
- PS52
- PS540
Перелік деталей від DCS520
позиція на схемі, каталожний номер, опис, кількість:
1; 908005205 H.L. ГОЛОВКА М5Х20; 4
001-1; 266476-3 H.L. ГОЛОВКА М5Х20; 4
2; 1142012 ЗАЖИМ; 1
3; 965401011 ВТУЛКА; 1
5; 965525042 ПРОКЛАДКА ЦИЛІНДРА; 1
6; 26130000 ЦИЛІНДР/ПОРШЕНЬ CPL.(44MM); 1
7; 20132111 ПОРШЕНЬ В ЗБОрі (44ММ); 1
8; 27132020 КІЛЬЦЕ ПОРШНЕВЕ (44ММ T=1,5ММ); 1
9; 1132010 ПОРШНЕВИЙ ПАЛІТ; 1
10; 20132050 ПРУЖИННЕ КІЛЬЦЕ; 2
11; 962900050 КІЛЬЦЕ РАДІАЛЬНЕ; 1
011-1; 962900156 САЛЬНИК; 1
011-2; 213141-5 САЛЬНИК 12; 1
12; 20111631 КАРТЕР (МАГ.); 1
13; 936430160 PIN 3X16; 2
013-1; 258038-1 ЗАЖИМНИЙ ШТИФТ; 2
14; 965525002 ПРОКЛАДКА КАРТЕРА; 1
15; 960102129 ПІДШИПНИК 6201; 1
16; 939620371 КЛЮЧ; 1
17; 27120010 КОЛІНВАЛ В КОМПЛЕКТІ; 1
18; 962211030 КЛІТКА ІГЛИ; 1
19; 27213520 Гвинт з шестигранною головкою; 1
20; 20111660 КАРТЕР CPL.(CL.); 1
21; 27213320 Листова ресора; 1
22; 934950160 ШТИФТ ПРУЖИННИЙ 5X16; 1
23; 960102159 М'ЯЧ BAERING 6202; 1
24; 27213270 ПРУЖИНА; 1
25; 27213510 КІЛЬЦЕ; 1
26; 27213500 ГАЙКА ПЛЕЧА; 1
27; 962900052 САЛЬНИК; 1
027-1; 213814-0 КІЛЬЦЕ РАДІАЛЬНЕ; 1
28; 10114031 ПРОБКА МАСЛЯНОГО БАКУ В ЗБОРЕ; 1
028-1; 10114032 КРИШКА БАКА В КОМПЛЕКТІ; 1
29; 963100050 ПРОКЛАДКА; 1
029-1; 963100051 ПРО КІЛЬЦЕ; 1
30; 20173061 ПОПЕРЕДНІЙ ФІЛЬТР ПРОТИ ЗЛЕДЕНЕННЯ; 1
31; 908605145 Х.Л. БОЛТ М5Х14 З ЦІНКОВОЮ ГОЛОВКОЮ; 1
031-1; 266947-0 H.L. БОЛТ М5Х14 З ЦІНКОВОЮ ГОЛОВКОЮ; 1
32; 20173610 КРИШКА ПЕРЕДФІЛЬТРУ; 1
032-1; 20173612 КРИШКА ПЕРЕДФІЛЬТРУ; 1
33; 20173011 ПЕРЕДФІЛЬТР; 1
34; 908105204 Гвинт з потайною головкою M5X20; 1
034-1; 908105205 Гвинт з потайною головкою M5X20; 1
35; 965401011 ВТУЛКА; 1
36; 908005305 Х.Л. БОЛТ М5Х30 ГОЛОВКИ З ЦІЛЬНИМ ГОЛОВКОМ; 6
036-1; 266945-4 H.L. БОЛТ М5Х30 ГОЛОВКИ З ЦІЛЬНИМ ГОЛОВКОМ; 6
37; 923305000 ГАЙКА КВАДРАТНА; 1
38; 20111070 ЗАЖИМ; 1
39; 980113841 ЕТИКЕТКА; 1
039-1; 980115888 МІТКА ВВОДУ/ВИВОДУ ПЕРЕМИКАЧА; 1
40; 957605112 КОРОТКИЙ ВИМИКАЧ CPL.; 1
41; 20250020 ШИПОВИЙ БАР У ЗБОрі; 1
42; 908005095 Х.Л. ГОЛОВКА М5Х9; 2
042-1; 266474-7 H.L. ГОЛОВКА М5Х9; 2
43; 389213080 НАТІЖНИЙ ГВИНТ; 1
043-1; 389213081 НАТІЖНИЙ ГВИНТ; 1
44; 1213020 ГАЙКА НАТЯЖЕННЯ ЛАНЦЮГА; 1
45; 905808305 БОЛТ НАПРАВЛЯЮЧОЇ ШТАНИ M8X30; 1
46; 20111172 НАПРАВЛЯЮЧА ПЛАСТИНА; 1
47; 915135100 РІЗНИК 3,5X9,5; 1
047-1; 915535100 РІЗНИК 3,5X9,5; 1
047-2; 251480-5 РІЗНИК ST3.5X9.5; 1
48; 10245010 ВЕНТИЛЯЦІЙНИЙ КЛАПАН; 1
49; 908005125 Х.Л. БОЛТ М5Х12 З ЦІЛЬНОЮ ГОЛОВКОЮ; 1
049-1; 266946-2 H.L. БОЛТ М5Х12 З ЦІЛЬНОЮ ГОЛОВКОЮ; 1
50; 20111082 ЗАЩИТА ЛАНЦЮГА; 1
51; 1111011 ГВИНТ СПЕЦІАЛЬНИЙ M12; 3
051-1; 1111012 СПЕЦІАЛЬНИЙ ГВИНТ M12; 3
54; 957310027 ПЕРЕДНЯ РУЧКА В ЗБОрі; 1
054-1; 957310027 ПЕРЕДНЯ РУЧКА В ЗБОрі; 1
55; 965403490 БУФЕР ГУМОВИЙ; 1
56; 21114051 Кріпильна втулка; 1
056-1; 21114052 Кріпильна втулка; 1
57; 908005305 Х.Л. БОЛТ М5Х30 ГОЛОВКИ З ЦІЛЬНИМ ГОЛОВКОМ; 1
057-1; 266945-4 H.L. БОЛТ М5Х30 ГОЛОВКИ З ЦІЛЬНИМ ГОЛОВКОМ; 1
58; 913455164 Х.Л. РІЗНИК 5,5X16; 2
058-1; 266478-9 РІЗНИЙ ГВИНТ H.L. 5.5X16; 2
59; 20310600 КРИШКА; 1
059-1; 20310601 КРИШКА ПЕРЕДНЬОЇ РУЧКИ СИНЯ; 1
60; 913455164 Х.Л. РІЗНИК 5,5X16; 2
060-1; 266478-9 РІЗНИЙ ГВИНТ H.L. 5.5X16; 2
61; 20114640 ПАЛИВНИЙ БАК ЗБОР СИНИЙ; 1
62; 965451901 КРИШКА БАКА В КОМПЛЕКТІ; 1
63; 963232045 O-RING 32X4.5; 1
64; 963601120 Всмоктуюча головка; 1
65; 963601240 ПОВСТЬ; 1
66; 20117301 ВАЖІЛЬ ЗАПИТАННЯ;
