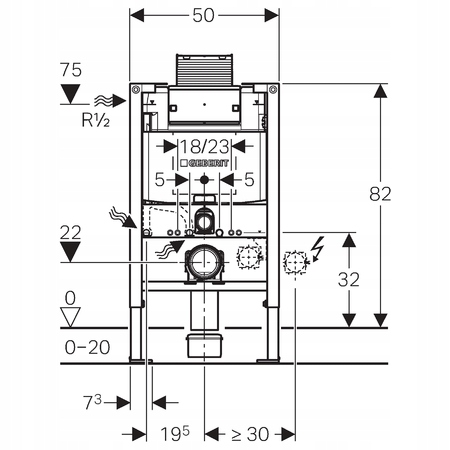
GEBERIT DUOFIX LOW WC frame SET В82 см металева чаша кнопка FRESH
- Час доставки: 7-10 днів
- Стан товару: новий
- Доступна кількість: 5
Приобретая «GEBERIT DUOFIX LOW Комплект каркаса унитаза H82 см, кнопка-пистолет, металлическая чаша FRESH» данный товар из каталога «Наборы для скрытого монтажа в туалете» вы можете быть уверены, что после оформления заказа, доставки в Украину, вы получите именно то, что заказывали, в оговоренные сроки и европейского качества.
Рамка для унітазу GEBERIT DUOFIX LOW SET H82 CM + металева кнопка для пістолета / блискучий хром + унітаз + без сидіння + контейнер і кубики FRESH
Прихована рама від відомої швейцарської компанії Geberit
- Виробник: GEBERIT
- Серія: DUOFIX
- опори в комплекті
- Максимальна температура води 25 °C
- Заводські налаштування кількості промивної води: 6 і 3 л
- Діапазон регулювання великий об’єм змиву 4,5 / 6 / 7,5 л
- Діапазон регулювання малого об’єму змиву
- Для легкої установки
- Для встановлення на частковій висоті або на стінах висоти приміщення
- Для підвісних унітазів із розмірами підключення відповідно до EN 33:2011
- Для підвісних унітазів довжиною до 62 см
- Для одного змиву, подвійного змиву або змиву з функцією «стоп»
- Для висоти шару підлоги 0-20 см
- Самонесуча рама з порошковим покриттям
- Рамка з просвердленим отвором ø 9 мм для монтажу в дерев’яній конструкції
- Рамка, підготовлена для кронштейнів для унітазу з невеликою контактною поверхнею
- Оцинковані монтажні ніжки
- Монтажні ніжки з регульованим положенням у діапазоні 0-20 см
- Пластикові ніжки
- Глибина ніжок, придатна для встановлення в профілі UW 50
- З’єднувальне коліно можна встановити без інструментів
- Прихований бачок, що активується спереду
- Прихований бачок із ізоляцією проти роси
- У разі заводських налаштувань промивка можлива негайно знову
- Підключення до води ззаду або вгорі посередині
- Обладнаний захисною трубкою для швидкого підключення води до душових унітазів Geberit AquaClean
- З можливістю підключення електричного підключення
Технічні дані
- Діапазон тиску потоку 0,1-10 бар Максимальна робоча температура води 25 °C
- Заводське налаштування кількість води для промивання становить 6 і 3 л
- Діапазон налаштування для промивання великим об’ємом води 4,5 / 6 / 7,5 л
- Діапазон налаштування для промивання невеликим об’ємом води 3-4 л
Комплект поставки
- Підключення води R 1/2", сумісний з адаптером MeplaFix, з вбудований кутовий клапан і колесо інструкції
- Захисний корпус для сервісного отвору
- 2 дистанційні скоби
- Набір з’єднувальних патрубків, ø 90 мм
- 90° з’єднувальне коліно з PE-HD, ø 90 мм
- Перехідний з’єднувач, PE-HD, ø 90/110 мм
- 2 захисні ковпачки
- 2 різьби стрижні М12
- Кріпильний матеріал
ПІДВІСНИЙ УНІТАЗ M203 БЕЗ ОБОДКА З ВОНКИМ СИДІННЯМ, ЩО ЗАКРИВАЄТЬСЯ 49,5 СМ
Приваблива колекція, сучасна, практична та легка в чищенні. Вибираючи вироби з цієї серії, ви можете бути впевнені, що вони не вимагають складного монтажу і вам не доведеться турбуватися про труднощі у використанні.
Серія ідеально вписується в будь-яку ванну кімнату. Ідеальний дизайн у поєднанні з найвищим ступенем чистоти – це лише деякі переваги безрамкового унітазу. Це нове безрамкове рішення відповідає вимогам користувачів, які особливо піклуються про чистоту ванної кімнати.
Кераміка має багато особливостей, які підкреслюють її унікальність: легке очищення, високоякісне біле керамічне покриття. Чаша постачається з сидінням із ДЮРОПЛАСТУ, яке повільно закривається.
Claro gun metal / блискуча хромована кнопка зливу для унітазу (декоративні кільця) підходить до рами Geberit H82
- Модель: Claro
- Довжина: 165 мм
- Ширина: 245 мм
- Глибина: 12,6 мм
- Матеріал: Пластик
- Колір: гарматний метал / блискучий хром (декоративні кільця)
- Гудзик: подвійний врівень
- Форма: прямокутна
Контейнер FreshDisc підходить до рами Geberit H82
Фреш-дискогенератор — це гарантія гігієни на найвищому рівні. Використовувані гігієнічні кубики поступово розчиняються з кожним змивом води, таким чином дезінфікуючи унітаз. Контейнер Fresh невидимий, що дозволяє зберегти естетичний вигляд ванної кімнати.
Таблетки/кубики/вкладиш для льодогенератора унітазу FRESH-DISC BLUE 12 шт.
Fresh Disc, кубик для змиву без хлору, який фарбує воду. Засіб має не тільки фарбувальні властивості, він також запобігає утворенню вапняних відкладень і освіжає воду! Дія таблетки починає проявлятися через 24 години після використання. Куб упакований у фольгу, яка повністю розчиняється у воді.
Інгредієнти:
бензолсульфокислота
натрієва сіль
15% - 30% аніонні ПАР,
<5% неіонні ПАР, ароматизовані композиції
Ваш туалет знову буде гігієнічно чистим, тому що FRESH-DISC вбиває всі бактерії. Мало відходів, тому що до відходів відноситься тільки коробка, в якій доставляються туалетні блоки. Туалетні кубики на 100% біологічно розкладаються!
