Герметик Makita для бензопили DCS520
- Час доставки: 7-10 днів
- Стан товару: новий
- Доступна кількість: 1
Заказывая «Герметик Makita для бензопили DCS520» данный товар из каталога «Прокладки», вы можете получить дополнительную скидку 4%, если произведете 100% предоплату. Размер скидки вы можете увидеть сразу при оформлении заказа на сайте. Внимание!!! Скидка распространяется только при заказе через сайт.
* Ущільнювач Makita для газової пилки / циркулярної пилки EK7301
новий оригінал
( РАДІАЛЬНЕ КІЛЬЦЕ / ФРЕЗА / герметик / радіальне кільце)
- Виробник: Makita
- Код EAN: 4002829117538
- Код виробника: 213814-0< /li>
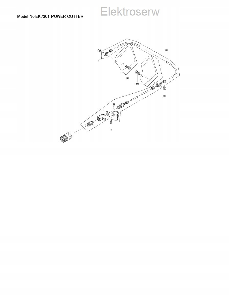
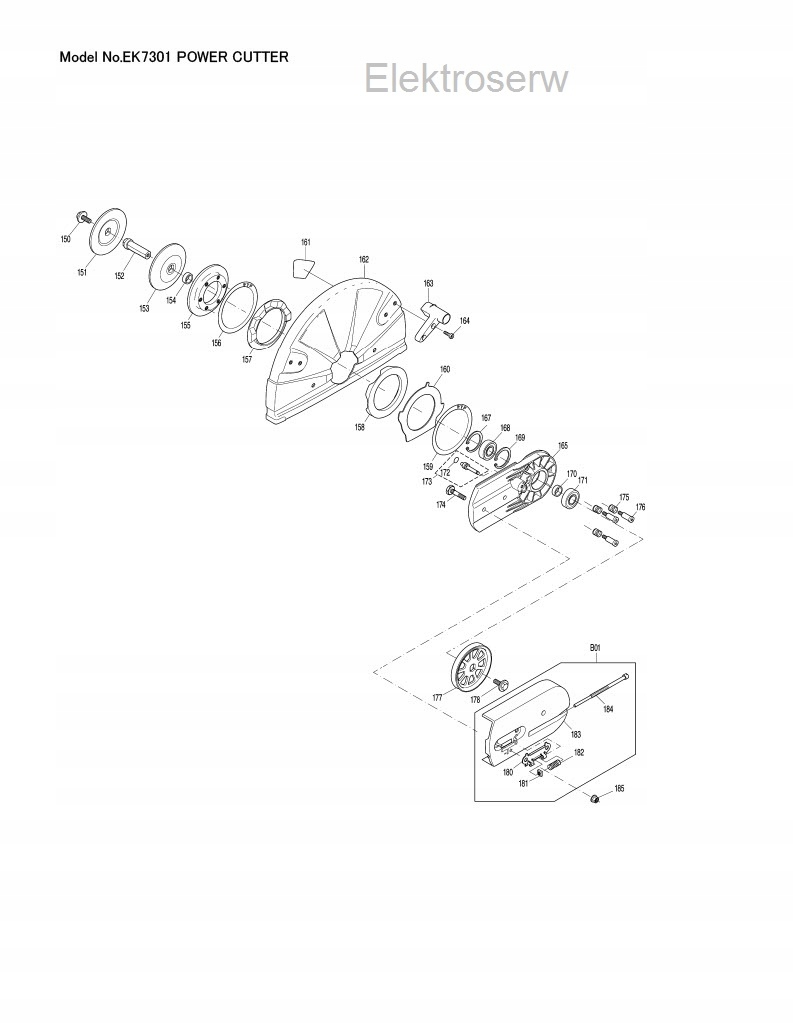
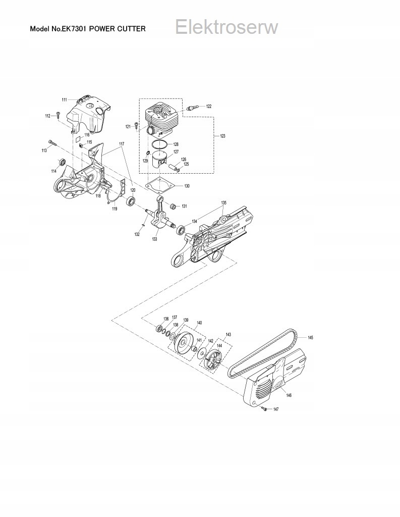
- Елемент на схемі: № 114 і 136 - EK7301
Застосування
бензопила/ланцюгова пила:
- DCS520
- EA7900P
бензинова циркулярна пила :
- DPC6430
- EK6101
- EK6100
- EK7301
- EK8100 li >
Схема та перелік деталей для EK7301
позиція артикула, номер каталогу, опис продукту, кількість:
001; 168507-3 КРИШКА БАКУ В КОМПЛЕКТІ; 1
002; 213080-9 О-кільце 29,5; 1
003; 163499-1 ВСАСІВНА ГОЛОВКА; 1
005; 266687-0 Гвинт саморіз з товстою головкою 5,5X45; 1
006; 346870-6 Шайба 5.8X26X2; 1
007; 424695-9 Амортизатор; 1
008; 319268-0 Вісь амортизатора; 1
009-1; 140Y29-5 ПАЛИВНИЙ БАК CPL. СИНІЙ; 1
011-1; 195762-4 Комплект повітряного клапана; 1
012; 424723-0 Шланг: паливний; 1
013; 252897-5 Гвинтова пробка; 4
014; 268335-7 Штифт 3; 1
015; 268233-5 Штифт 3; 1
016; 455821-9 Запобіжний важіль; 1
017; 233626-5 Весна; 1
018; 455820-1 Важіль дросельної заслінки; 1
019; 806J47-0 Наклейка з інструкцією; 1
020; 326497-8 Важіль дросельної заслінки; 1
021; 455806-5 ФІКЕР ДЛЯ ДЕМПЕРА ЧОРНИЙ; 1
022; 424695-9 Амортизатор; 1
023; 319268-0 Вісь амортизатора; 1
024; 266943-8 6-лопастний гвинт M5X40; 1
025; 143211-5 БІЧНА ОПОРА MAKITA; 1
026; 806J44-6 Етикетка з логотипом Makita; 1
027; 266475-5 Гвинт саморіз з головкою 6 насічок 5,5X20; 2
028; 319268-0 Вісь амортизатора; 1
029; 424695-9 Амортизатор; 1
030; 346870-6 Шайба 5.8X26X2; 1
031; 266687-0 Гвинт саморіз з товстою головкою 5,5X45; 1
032; 266687-0 Гвинт саморіз з товстою головкою 5,5X45; 1
033; 346871-4 Шайба; 1
034; 424695-9 Амортизатор; 1
035; 851C80-5 Паспортна табличка EK7301; 1
036; 143097-7 Набір передніх ручок; 1
037; 319270-3 Нога; 1
038; 266687-0 Гвинт саморіз з товстою головкою 5,5X45; 2
039; 424693-3 ПРОБКА; 1
041-1; 127087-8 Кришка фільтра в зборі; 1
042; 266692-7 Гвинт з рифленою головкою M6X15; 1
043; 123312-5 Комплект кришки фільтра; 1
044-1; 807L79-2 Попереджувальний ярлик; 1
045; 424700-2 Попередній фільтр; 1
053; 266941-2 6-лопастний гвинт M5X50; 4
054-1; 127707-4 КАПОТ КОМПЛЕКТ; 1
055; 424697-5 Кільце ущільнювальне; 1
056-1; 8022G9-7 ОБЕРЕЖНА ЕТИКЕТКА; 1
057; 424703-6 кришка DEKO; 1
058; 424701-0 ПОВІТРЯНИЙ ФІЛЬТР; 1
059; 424705-2 ВНУТРІШНІЙ ФІЛЬТР; 1
060; 266960-8 6-лопастний гвинт M5X20; 2
061; 266946-2 6-лопастний гвинт M5X12; 1
062; 267821-5 Шайба пружинна 5; 1
063; 161338-9 Комплект глушників; 1
067; 346876-4 Сальник глушника; 1
068; 346868-3 Радіаційна пластина; 1
069-1; 127098-3 ВПУСКНИЙ КОЛЕКТОР; 1
072; 424708-6 Вхідний шланг; 1
073; 233625-7 ПРУЖИННИЙ ЗАЖИМ; 1
074; 346867-5 Стопорне кільце; 1
075-1; 191U97-7 КОМПЛЕКТ ВАЛА ДРОСУЛЬНОЇ ЗАСЛІНКИ; 1
076; 326496-0 Кабель дроселя; 1
077; 266944-6 M4X55 6-лопастний гвинт з головною головкою; 2
078-1; 412601-6 ІЗОЛЯЦІЙНА ТРУБА 4-15; 2
079; 346874-8 Прокладка маслозливної пробки; 1
080-1; 162532-6 КАРБЮРАТОР; 1
081; 324616-0 ХОМУТ ШЛАНГУ; 1
082; 424698-3 ТРУБКА 3-120; 1
083; 424696-7 Люверс; 1
084; 326499-4 Роз'єм; 1
085; 806K78-5 Етикетка з логотипом Makita; 1
086; 123357-3 Стартовий набір; 1
087; 267862-1 Пружинна шайба 5; 1
088; 452458-3 Тримач стартера; 1
089; 266938-1 6-лопастний гвинт M5X20; 4
090; 123315-9 Корпус стартера; 1
091; 140587-1 Комплект пружин
МІСЦЕ C
