Гіда насоса. Департамент 12В агрегату для Кіпра -Тіппера - Верхні порти
- Час доставки: 7-10 днів
- Стан товару: новий
- Доступна кількість: 500
Просматривая «Гитер насос. Департамент 12 В заполнителя для Kipra Tipper - верхние порты», вы можете быть уверены, что данный товар из каталога «[rubrica_name]» будет доставлен из Польши и проверен на целостность. В цене товара, указанной на сайте, учтена доставка из Польши. Внимание!!! Товары для Евросоюза, согласно законодательству стран Евросоюза, могут отличаться упаковкой или наполнением.
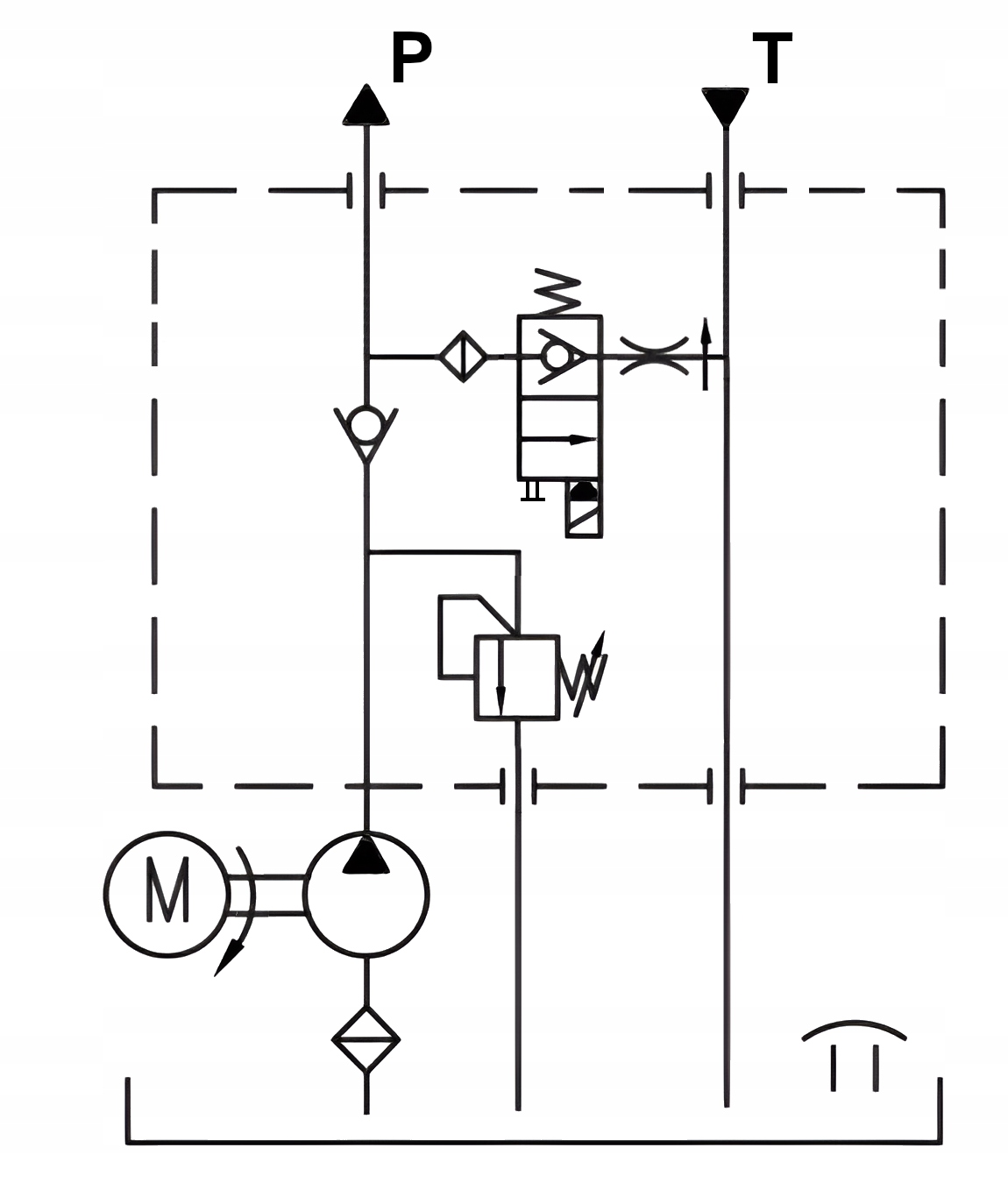
Гідравлічний агрегат 12В 2.0KW
Код Schew Met: [4095]
Виробник: SM-G (Group Schew Met)
дозволяє контролювати шовковий привід односторонньої дії.
Під впливом тиску акт піднявся.
Сукупність завершена і готова до роботи, просто підключіть дроти і налийте масло. Рекомендована безперервна робота не більше 3 хвилин, перезапустившись через 5 хвилин відпочинку.
Застосування:
Агрегат ідеально підходить для машин та пристроїв з електричним живленням.
можна використовувати в сільському господарстві, фруктах та плануванні, лісовому господарстві чи будівництві. Завантаження коробки в причепах, сміттєвих вантажівках, гідропаках, перегонах, підйомниках, завантажувальних платформах, автомобілях ліфтів, кранів, сільськогосподарських та промислових машин.
Технічні специфікації:
- Потужність двигуна: 2,0 кВт
- Електрична напруга: 12 v
- Ємність нафтового резервуара: 11 L
- Максимальний робочий тиск: 180 бар
- З'єднання внутрішнього потоку: 3/8 "
- Плоский клапан (безпека): Так
MMSMENS:
MMENSISION:
Дистанційне управління з 2 кнопками
Тверда конструкція
Це виділений пульт дистанційного керування з двома кнопками використовується в основному в гідравлічних агрегатах, що живиться від напруги 12v/24v. 4 4
Крім того, пульт дистанційного керування буде знайдено у віддаленій пінові.
Усі елементи були виготовлені лише з довговічних, високоякісних матеріалів.
Легенда про маркування:
- + джерела живлення (позитивний потенціал), підключений безпосередньо до акумулятора
- - джерело живлення (негативний потенціал), підключений безпосередньо до акумулятора
- a - Порт підключення (g3/8 ") B -
- c - регулювання тиску масла
