ГІДР РОЗПОДІЛЬНИК 2 СЕКЦІЇ 40Л + ЗАСЛЮЧКА ТА ПОТОЧНА СЕКЦІЯ.
- Час доставки: 7-10 днів
- Стан товару: новий
- Доступна кількість: 22
Заказывая «ГІДР РОЗПОДІЛЬНИК 2 СЕКЦІЇ 40Л + ЗАСЛЮЧКА ТА ПОТОЧНА СЕКЦІЯ.» данное изделие из «Силовая гидравлика» вы можете быть уверены, что после оформления заказа, доставки в Украину, вы получите именно то, что заказывали, в оговоренные сроки и европейского качества.
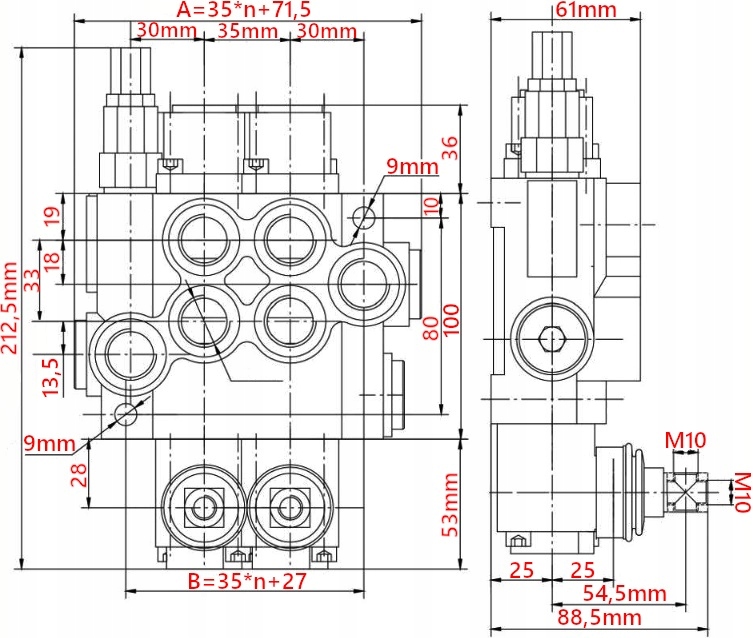
2-СЕКЦІЙНИЙ ГІДРАВЛІЧНИЙ РОЗДІЛЬНИК 40Л + ПЛАВАЮЧА СЕКЦІЯ З ЗАСУВКОЮ В 1 СТОРОНУ (K16+8)
КОД ШРЕБТА MET: [2295]
Виробник: SM-G (SKRAW) MET GROUP)
Якісний, моноблочний розподільник з паралельним розташуванням і плаваючою (поглинаючою) камерою. Він характеризується компактною конструкцією, стабільною роботою та високою універсальністю.
Дозволяє керувати двома приводами подвійної дії.
Можливе підключення послідовно до наявна система (потрібна натискна втулка).
Завдяки засувці із засувкою, розподільник ідеально підходить для машин і пристроїв, де немає необхідності постійно тримати руку на важелі.
Моноблочний розподільник(високої якості) з паралельною системою з плаваючою (поглинаючою) камерою.
!УВАГА! У певному розподільнику секція із засувкою розташована лише в одній секції з ПЛАВАЮЧОЮ ФУНКЦІЄЮ.
Застосування:
Розподільник ідеально підходить для гідравлічних машин і пристроїв .
Його можна використовувати в сільському господарстві, садівництві, лісництві та будівництві.
Універсальний розподільник, може використовуватися в різних типах машин, таких як:
- Циклоп
- Повороти
- Навантажувачі
- Плуги
- Вилочні навантажувачі та багато іншого
Трипозиційний важіль (1 - 0 - 2 - 3) із засувкою, що утримує важелі в плаваючому положенні
- Нейтральне положення 0 (важіль встановлено вертикально) поршень приводу стоїть на місці - масло йде в перелив.
- Робоче положення 1 (важіль у діагональному положенні вперед)поршень приводу висувається.
- Робоче положення 2 (важіль у діагональному положенні назад) поршень приводу втягується.
- Положення 3 плаваюче з засувкою (важіль встановлено в максимально переднє положення) b> поршень приводу працює вільно, висувається і втягується вільно під дією сил.
Трипозиційний важіль (1 - 0 - 2)
- самостійно повертається у вертикальне положення на пружині
- Нейтральне положення 0 (важіль вертикально)поршень приводу стоїть - масло йде до перелив
- Робоче положення 1 (важіль у діагональному положенні вперед) поршень приводу висувається
- Робоче положення 2 (важіль у діагональному положенні назад) поршень приводу втягується
Підключення:
- Електроживлення (P) BSP 1 /2''
- Повернення (T) BSP 1/2''
- Вихід секції BSP 3/8" '
- З'єднання BSP 1/2"
