Гідравлічна муфта 1" 2 виходи, вентиляційний клапан, термометр, центральне опалення 60кВт
- Час доставки: 7-10 днів
- Стан товару: новий
- Доступна кількість: 97
Оплачивая «Гидравлическая муфта 1" 2 выхода, вентиляционный клапан, термометр, центральное отопление 60кВт», вы можете быть уверены, что данный товар из каталога «Аксессуары для котлов и печей» будет доставлен из Польши и проверен на целостность. В цене товара, указанной на сайте, учтена доставка из Польши. Внимание!!! Товары для Евросоюза, согласно законодательству стран Евросоюза, могут отличаться упаковкой или наполнением.
Опис продукту:
Удосконалена гідравлічна муфта PROMAG з термометрами є ідеальним рішенням для вимогливих систем опалення. Це дозволяє постійно контролювати температуру і тиск в системі, а також ефективно розділяти і балансувати контури. Автоматичний повітровідвідник і зливний клапан полегшують обслуговування всієї системи. Елементи з нержавіючої сталі гарантують довговічність. Точність роботи сприяє ефективності та безпеки опалення. Розроблено для сучасних котелень і систем відновлюваної енергії.
Ознайомтеся з іншими нашими пропозиціями в нашому акаунті allegro promagmarket_pl.
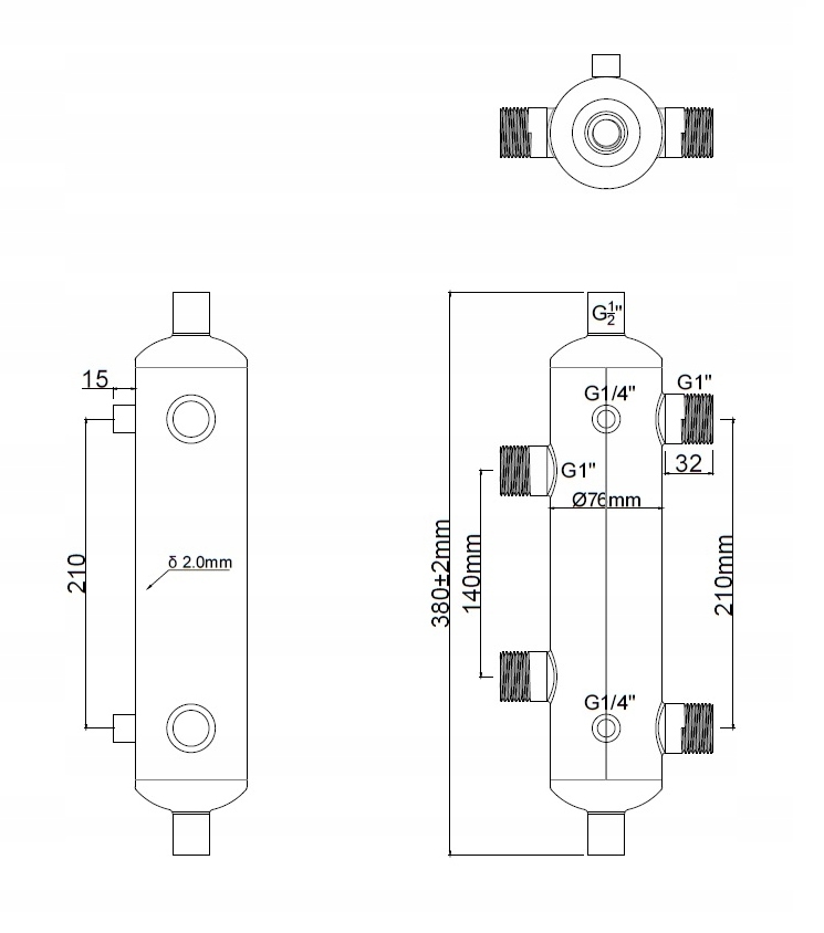
Технічні характеристики:
- Потужність: 60 кВт
- Підключення: 1” (2+2)
- Корисна площа будівлі: 300-500 м2
- Номінальна витрата: 4800 л/год
- Робочий тиск: 10 бар
- Робоча температура: 1-110 градусів C
- Вага: 2,4 кг
- Розмір: 390 x 76
Використання продукту:
Для установок центрального опалення, теплових насосів і сонячних систем. Дозволяє безперервно контролювати температуру і тиск контурів. Швидко відводить повітря, балансує потоки в опалювальних контурах і захищає систему. Це полегшує технічне обслуговування інсталяції та підвищує комфорт використання.
Перегляньте інші наші пропозиції в нашому обліковому записі allegro promagmarket_pl.
