ГІДРАВЛІЧНИЙ ЧИЛЕР 3,0кВт 24В 13Л БЕЗДРОТОВИЙ
- Час доставки: 7-10 днів
- Стан товару: новий
- Доступна кількість: 94
Оплачивая «ГІДРАВЛІЧНИЙ ЧИЛЕР 3,0кВт 24В 13Л БЕЗДРОТОВИЙ», вы можете быть уверены, что данный товар из каталога «Гидравлические агрегаты» будет доставлен из Польши и проверен на целостность. В цене товара, указанной на сайте, учтена доставка из Польши. Внимание!!! Товары для Евросоюза, согласно законодательству стран Евросоюза, могут отличаться упаковкой или наполнением.
Гідравлічний блок 24 В 3,0 кВт з бездротовим дистанційним керуванням
КОД SKRAW MET: [8096]
Виробник: SM-G (SKRAW MET GROUP)
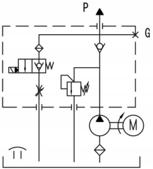
Це дозволяє керувати приводом односторонньої дії.
Привід висувається під впливом тиску, а втягується під дією сили тяжіння та піднятої ваги.
Пристрій укомплектований і готовий для роботи просто підключіть кабелі та залийте масло. Рекомендована безперервна робота не більше 3 хвилин, перезапуск після 5 хвилин відпочинку.
Застосування:
Агрегат ідеально підходить для машин і пристроїв з електричним приводом.
Може використовуватися в сільському господарстві, садівництві, лісовому господарстві та будівництві.
Пристосований для роботи при розвантаженні вантажного боксу в причепах, самоскидах, гідропаках, гонках, підйомниках, вантажних платформах, автопідйомниках, кранах. , сільськогосподарські та промислові машини .
Технічні характеристики:
- Потужність двигуна: 3,0 кВт
- Електрична напруга: 24 В< /li >
- Ємність масляного бака: 13 л
- Максимальний робочий тиск: 180 бар
- Потужність насоса: 2,6 см3/оберт, у цьому наборі від 7 л/хв до 12 л/хв
- Внутрішня різьба підключення: 3/8 "
- Переливний клапан (запобіжний): ТАК
Розміри:
- Одиниця довжина: 780 мм
- Довжина бака: 545 мм
- Ширина блоку: 170 мм< /li>
- Ширина резервуара: 170 мм
- Висота блоку: 200 мм
- Висота резервуара (від від основи до кінчика пробки): 205 мм
ПУЛЬТ ДИСТАНЦІЙНОГО КЕРУВАННЯ З 2 КНОПКАМИ
Сільна конструкція
Це спеціальний пульт дистанційного керування з двома кнопками, який використовується переважно в гідравлічних агрегатах, що працюють від 12 В / 24 В .
Обладнаний монтажною кишенею, яку за потреби можна прикріпити за допомогою двох отворів діаметром 5 мм.
На задній частині пульта також є магніти, завдяки яким пульт можна прикріпити до металевих елементів.
Крім того, пульт управління містить кабель довжиною приблизно 4,4 м з 3-контактним штекером, що загвинчується.
Усі елементи виготовлені тільки з міцного, високоякісного матеріалів.
Бездротовий радіопульт дистанційного керування 12v / 24v, двофункціональний (вгору-вниз)
Пульт дистанційного керування використовується для гідравлічних блоків і подібних пристроїв, таких як лебідки або завантажувальні ліфти.
Пульт герметичний.
Може використовуватися в сільському господарстві, садівництві, лісництві та будівництві.
Пульт дистанційного керування супроводжується:
- обкладинка
- приймач
- шнурок
- Акумулятор 9 В
Технічні характеристики:
- напруга: 12 В / 24 В
- дальність: до 50 м
- корпус: ПВХ + захисна силіконова кришка
- живлення: батарея 9 В
- розміри пульта дистанційного керування:150 x 80 x 34 мм
- розміри приймача:60 x 44 x 23 мм
- довжина кабелю: 215 мм
Набір включає:
- насос
- електродвигун
- з'єднувальна пластина
- бак
- пульт дистанційного керування
- бездротовий пульт дистанційного керування
Пристрій додатково має пластикову кришку для двигуна та монтажний набір.
Умовні позначення символів:
- + Джерело живлення (позитивний потенціал), підключене безпосередньо до батареї
- - Джерело живлення (негативний потенціал) , підключений безпосередньо до батареї
- A - порт підключення (G3/8")
- B - регулювання швидкості спуску
- b>
- C - регулювання тиску масла
