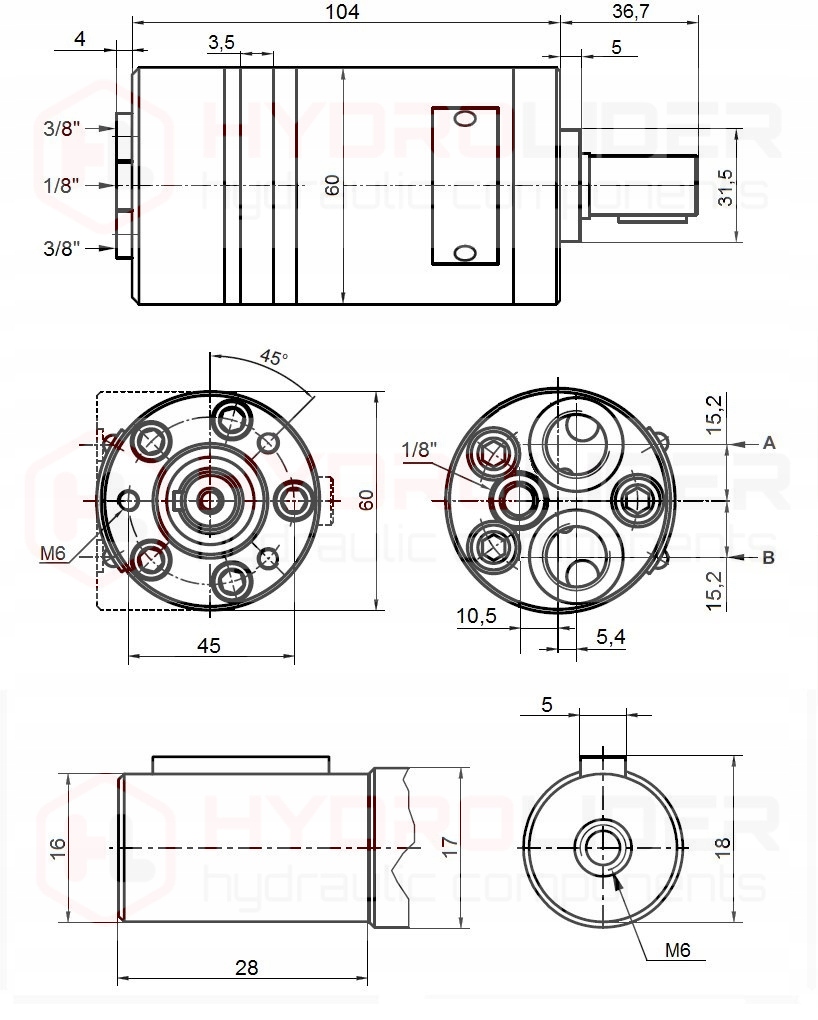
Гідравлічний двигун мм 8 1,8 кВт 16 л/хв 1950obr/min m+s гідравлічний
- Час доставки: 7-10 днів
- Стан товару: новий
- Доступна кількість: 128
Приобретая «Гидравлический мотор MM 8 1,8 кВт 16 л/мин 1950obr/min m+s Гидравлический» данный товар из каталога «Гидравлические двигатели» вы можете быть уверены, что после оформления заказа, доставки в Украину, вы получите именно то, что заказывали, в оговоренные сроки и европейского качества.
Швидкий гідравлічний тип двигуна MM 8
Поглинання 8.2cm3/роликовий вал. Гідравлічні системи в сільському господарстві, вирощуванні плодів, лісового господарства, будівництва та широко зрозумілої галузі. mms, smm, bmm, omm, omm, epmm.
двигуни з серії мм дуже швидкі, розроблені для роботи в різних типах сільськогосподарських та промислових пристроїв. У системах, де є низький попит на електроенергію, і з низькими витратами нафти ми хочемо отримати дуже високу швидкість, наприклад Вентилятори, дрилі тощо
Характеристики та переваги мм двигунів M+S Hydraulic:
- Можливість з'єднання в серії та паралельно. Незабаром після початку.
- Висока стійкість до осьових та радіальних сил.
- Проста установка.
- Низький рівень шуму.
- Довге життя навіть у важких умовах використання.
Технічні дані:
Напрямок обертання: Двосторонні внутрішні нитки в тілі: 3/8 "Порти: Підключення на задній частині (доступна версія з портами з боку) Матеріал корпусу: сталь, залізо
Максимальна параметри в безперервній експлуатації:
Максимальна Максимальний тиск на RPM: Максимальна потужність 10 МПа: 1,8 кВт Максимальний крутний момент: 11 нм
Максимальний тимчасовий параметр максимум 6 секунд щохвилини:
Максимальна потік: 20 л/хв.
Рідкісна висока якості масла: Lotos Agrol Boxol 26
Рекомендована температура температури нафти:
Допустима температура навколишнього середовища: -40 С до +80 С Допустима масла: -15 С до +80 С
