Гідравлічний клапан регулятора регулятора AL-FCV 1/2 "60L/МАЛ + ШКОЛЬ
- Час доставки: 7-10 днів
- Стан товару: новий
- Доступна кількість: 267
Просматривая «Гидравлический регулятор регулятора потока клапана Al-FCV 1/2 "60 л/мин + шкала», вы можете быть уверены, что данный товар из каталога «Гидравлическая система» будет доставлен из Польши и проверен на целостность. В цене товара, указанной на сайте, учтена доставка из Польши. Внимание!!! Товары для Евросоюза, согласно законодательству стран Евросоюза, могут отличаться упаковкой или наполнением.
Hydraulic valve District of the stream h1> Flow regulator 60l/min with a scale h1>
Production:
Original product of the Hydrolider brand, symbol: 1.35.10.115
Application:
hydraulic in agriculture, orchards, forestry, construction and a broad промисловість.
Принцип дії:
регулятор ділить основний потік нафти з насоса на два незалежні потоки, які можуть живити дві незалежні гідравлічні системи. Це дозволяє встановити певний потік на першому головному приймачі, надлишок масла викидається на другий приймач. Коли насос змінюється, головний приймач завжди отримує одне і те ж масло, потік діє лише на другому приймачі.
Він ідеально працює в тракторах та інших машинах, де один насос живляється від рульового управління (орбітролу) та основної сантехніки (переднього навантажувача). Потім встановлюється постійний потік на орбітрол, решта масла приєднається до гідравліки в навантажувачі. Кількість масла, що вводиться в навантажувачі, на даний момент залежить від продуктивності насоса. Кількість масла, що вводиться на орбітрол, завжди є постійною, що забезпечує плавне та ефективне управління машиною.
Підключення та регулювання:
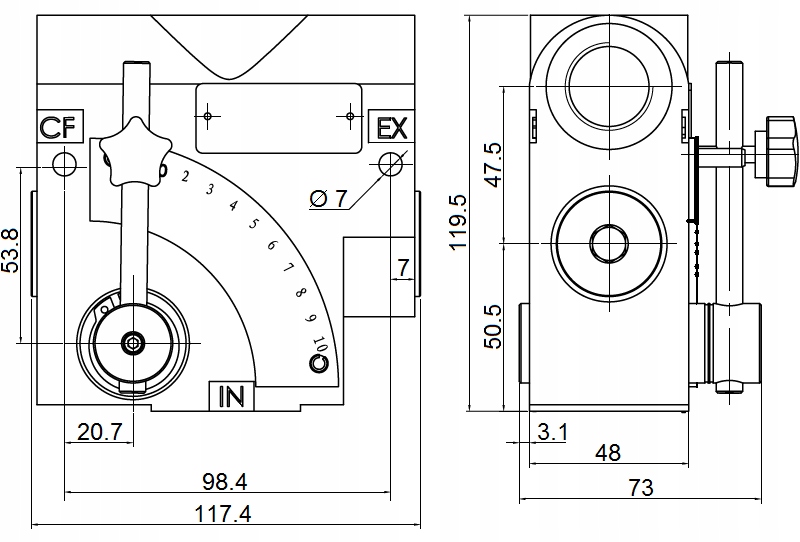
Налаштування клапана проводиться за допомогою важеля, здатність закріпити налаштування за допомогою ручки. Він має шкалу завдяки тому, що ми можемо керувати налаштуваннями.
Підключіться до лінії електропередачі та CF до пріоритетного приймача або до гідравлічної системи, де необхідне регулювання потоку. Підключіть EX до другого приймача.
Компенсація тиску:
Регулятор має компенсацію, тобто не спостерігається падіння тиску масла за клапаном. Завдяки цьому, після коригування, двигун зберігає майже оригінальний крутний момент. Звичайні рубаючі клапани у співпраці з двигунами Теплове масло, вони також не мають компенсації, а це означає, що при регулюванні швидкості двигун також втрачає потужність.
Зразок використання регулятора в гідравліці в тракторі (фото):
Технічні дані:
- Максимальна поглинання: 60 л/хв
- Діапазон регулювання потоку на каналі пріоритету: 0-50 л/хв
- Кількість гідравлічних отворів у тілі: 3
- Внутрішні теми в корпусі: 1/2 Залізо
- Допустимий максимальний тиск: 210 бар
- Вага: 3,7 кг
Діапазон температури та тип масла:
- Допустима температура навколишнього середовища: -40 C до +60 С
- Олія: -15 C до +80 C
