Гідравлічний колектор 1 секція 40L засувка
- Час доставки: 7-10 днів
- Стан товару: новий
- Доступна кількість: 275
Заказывая «Гідравлічний колектор 1 секція 40L засувка» данный товар из каталога «Гидравлическая система», вы можете получить дополнительную скидку 4%, если произведете 100% предоплату. Размер скидки вы можете увидеть сразу при оформлении заказа на сайте. Внимание!!! Скидка распространяется только при заказе через сайт.
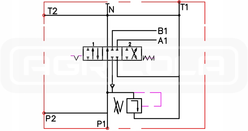
1-СЕКЦІЙНИЙ ГІДРАВЛІЧНИЙ РОЗПОДІЛЬНИК
P40L/хв. З ЗАСУВКОЮ В ОДНІЙ БІК
НАЗАД
Виробництво:
Оригінальний продукт торгової марки Badestnost, символ: 1.10.00.011.2
Застосування:
Розподільник адаптований до різних типів машин , наприклад: сільськогосподарські, трактори, обприскувачі, зубри, циклопи, навантажувачі HDS, будівельні машини, навантажувачі, екскаватори, підмітальні машини, промислові машини та інші пристрої з гідравлічним керуванням.
p>
Приклад керування: гідравлічний циліндр подвійної дії, гідравлічний двигун подвійної дії, що приводить у рух невелику масу.
Технічні дані:
- Максимальний потік: 40 л/хв.
- Внутрішня різьба в корпусі: P/T: 1/ 2 '' ; A/B: 3/8''
- Робота важеля: три положення (1 - 0 - 2)
- Розташування важеля: фіксатор утримує важелі в задньому робочому положенні. З переднього робочого положення важіль автоматично повертається в нейтральне положення за допомогою пружини.
- Гідравлічна схема повзуна: A (після відпускання важеля в нейтральне положення повзун відключає виходи A і B, що призводить до негайної зупинки та блокування ресивера, наприклад, приводу або гідравлічного двигуна)
- Максимальний тиск подачі: 250 бар
- Максимальний тиск у звороті: 50 бар
- Максимальний тиск на секціях: 300 бар
- Тиск відкриття перепускного клапана зростає пропорційно зі збільшенням витрати:
180 бар при 10 л/хв
190 бар при 20 л/хв
200 бар при 30 л/хв
210 бар при 40 л/хв
Набори для точного вимірювання тиску можна знайти в розділі Манометри - вимірювальні набори
- Рекомендується перевірити та встановити відповідний тиск перед запуском.
- Можливість саморегулювання, зміна повного оберту на 30 бар. >
- Допустима температура навколишнього середовища: від -40 C до +60 C
- Допустима температура масла: від -15 C до +80 C
- Рекомендоване гідравлічне масло на основі мінерального масла, наприклад HL 32 або HL 46
