ГІДРАВЛІЧНИЙ НАСОС ЛІВИЙ GR1 1,05 см3 1,57 л + ОПОРА ПІДШИПНИКА + ЗЧЕПЛЕННЯ
- Час доставки: 7-10 днів
- Стан товару: новий
- Доступна кількість: 128
Заказывая «ГИДРАВЛИЧЕСКИЙ НАСОС ЛЕВЫЙ GR1 1,05см3 1,57л + ПОДШИПНИКОВАЯ ОПОРА + СЦЕПЛЕНИЕ» данный товар из каталога «Гидравлические насосы» вы можете быть уверены, что после оформления заказа, доставки в Украину, вы получите именно то, что заказывали, в оговоренные сроки и европейского качества.
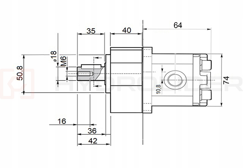
ГІДРАВЛІЧНИЙ НАСОС ГРУПИ 1, ШЕСТЕРНЯ 1,05 см3/об
В КОМПЛЕКТІ З ПІДШИПНИКОМ, ЦИЛІНДРИЧНИМ ВАЛОМ ТА ЗЧЕПЛЕННЯМ
Виробництво:
Оригінальний продукт бренду Hydrolider, символ: 1.40.08.105.1
Застосування:
Насос призначений для роботи в системах, де робочим середовищем є гідравлічне масло. Використовується в мобільних системах, гідропідсилювачах рульового керування та гідравліці тракторів, а також у стаціонарних гідравлічних системах за оригінальними конструкціями та ін. Також рекомендується для приводу різних типів трансмісійних пасів і конвеєрів, а також барабанів в подрібнювачах та інших конструкціях зі схильністю до бічних навантажень на вал.
Адаптер містить підшипники та захищає вал насоса від бічних і ексцентричних навантажень, значно подовжуючи термін його служби та захищаючи від протікання вала. Підшипник дозволяє насосу приводитися в рух через шків і клиновий ремінь або трансмісійний ремінь. Насадка замінює конічний вал насоса на прямий циліндричний вал, що значно полегшує установку, наприклад, шків.
Технічні дані:
- Ефективність: 1,57 л/хв (при 1500 об/хв)
- Ефективність: 5,25 л/хв (макс. об/хв)
- Геометричний об’єм: 1,05 см3/об
- Напрямок обертання: ліворуч
- Діапазон обертання: 800 - 5000 (об/хв)
- Максимальний крутний момент. при 150 бар: 4,2 Нм
- Номінальний тиск: 260 бар
- Максимальний тиск: 300 бар
- З'єднання: внутрішня різьба в корпусі 3/8"
Допустима температура навколишнього середовища: від -40ºC до +60ºC
Допустима температура масла: -15ºC до +80ºC
Тип рідини: гідравлічна олива на основі мінерального масла
