ГІДРАВЛІЧНИЙ РОЗДІЛЬНИК, 5 СЕКЦІЙ, 40Л + ПЛАВ
- Час доставки: 7-10 днів
- Стан товару: новий
- Доступна кількість: 6
Оплачивая «ГИДРАВЛИЧЕСКИЙ РАЗДЕЛИТЕЛЬ, 5 СЕКЦИЙ, 40 Л + ПЛАВАЮЩИЙ», вы можете быть уверены, что данное изделие из каталога «Гидравлическая система» будет доставлено из Польши и проверено на целостность. В цене товара, указанной на сайте, учтена доставка из Польши. Внимание!!! Товары для Евросоюза, согласно законодательству стран Евросоюза, могут отличаться упаковкой или наполнением.
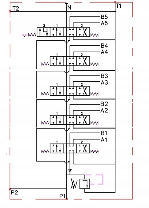
5-СЕКЦІЙНИЙ ГІДРАВЛІЧНИЙ РОЗПОДІЛЬНИК 05P40 + плаваюча секція
Застосування:
Широко використовується в гідравлічних системах у сільському господарстві, садівництві, лісовому господарстві, будівництві та промисловості в широкому розумінні.
Розподільник адаптований до різних типів машин, таких як: сільськогосподарські машини, трактори, обприскувачі, турери, циклопи, навантажувачі HDS, будівельні машини, навантажувачі, екскаватори, підмітальні машини, промислові машини та інші пристрої з гідравлічним керуванням.
Плаваюча секція, також відома як вільний потік, використовується, серед іншого, для снігоочисних машин або фронтальних навантажувачів TUR. Він забезпечує вільний рух поршневого штока в гідроциліндрах. Він захищає від пошкоджень елементи, які мають прямий контакт із землею, напр. лезо плуга.
Технічні дані:
Рекомендована витрата масла в системі: 0 - 40 л/хв.
Приклад керування: два циліндри подвійної дії.
Можливість послідовного підключення до існуючої системи (потрібна напірна втулка).
Керування:
Чотирьохпозиційний важіль (1 - 0 - 2). - 3), три положення (1 - 0 - 2) на пружині (важіль самостійно повертається у вертикальне положення), положення (3) плаваюче на засувці (важіль зупиняється в плаваючому положенні):
- Положення 0 нейтральне (важіль вертикально), шток приводу стоїть - масло йде в перелив.
- Робоче положення 1 (важіль встановлений в косе положення вперед) шток приводу висувається.
- Робоче положення 2 (важіль встановлений у діагональному положенні назад), шток приводу втягується.
- Плаваюче положення 3 із засувкою (важіль встановлений у максимально передньому положенні), шток приводу працює вільно, висувається та втягується вільно під дією сил.
Підключення:
Подача від насоса (P1, P2): BSP 1/2'' внутрішня різьба
Повернення до бака (T1, T2): BSP 1/2'' внутрішня різьба
Секції (A1, A2 ; B1, B2): BSP 3/8'' внутрішня різьба
Послідовне з’єднання (N): внутрішня різьба BSP 1/2"
Діапазон тиску:
Максимальний тиск подачі: 250 Бар
Максимальний тиск у зворотній лінії: 50 Бар
Максимальний тиск на секціях: 300Бар
Переливний клапан налаштований на заводі на 175Бар
Можливість самостійного регулювання, зміна повного оберту 30 бар.
Наша пропозиція також включає повний асортимент силової гідравліки. Насоси, розподільники, гідроциліндри, клапани, гідропроводи.
Виставляємо рахунки
Запрошуємо до співпраці
