ГІДРАВЛІЧНИЙ РОЗПОДІЛЬНИК 2 SEC 80L + 3 та 4 СЕКЦІЇ + JOY 2P + LINKS 2M
- Час доставки: 7-10 днів
- Стан товару: новий
- Доступна кількість: 128
Просматривая «ГИДРАВЛИЧЕСКИЙ РАСПРЕДЕЛИТЕЛЬ 2 СЕК 80 Л + 3-Я И 4-Я СЕКЦИИ + JOY 2P + ЗВЕНЬЯ 2М» данный товар из каталога «Погрузчики» вы можете быть уверены, что после оформления заказа, доставки в Украину, вы получите именно то, что заказывали, в оговоренные сроки и европейского качества.
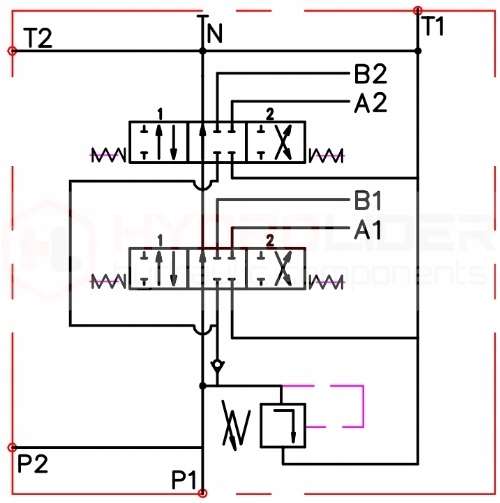
4-СЕКЦІЙНИЙ ГІДРАВЛІЧНИЙ НАБІР 80 л/хв
Склад набору:
- кульковий джойстик із кнопкою
- дві лінії довжиною 2 м (можна змінити на 1 м; 1,5 м; 2,5 м; 3 м)
- 2-секційний гідравлічний розподільник 80л/хв
- два електромагнітних клапана 6/2 90л/хв 12В
Виробництво:
Оригінальний продукт марки Hydrolider, символ: 1.25.10.004.3
Застосування:
Широко використовується в гідравлічних системах у будівництві, сільське господарство і промисловість. Набір адаптований до різних типів машин, таких як: сільськогосподарські машини, трактори, обприскувачі, сокири, циклопи, навантажувачі HDS, будівельні машини, навантажувачі, екскаватори, підмітальні машини, промислові машини та інші пристрої з гідравлічним керуванням.
Ідеально підходить для керування двома секціями в осі, підйому рами та нахилу ковша в тракторах, де потужність гідравлічного насоса не перевищує 80 л/хв.
Загальна інформація:
Керування джойстиком має багато переваг, які роблять роботу швидшою, приємнішою та безпечнішою. Джойстик означає, перш за все, більш комфортне, зручне і точне управління машиною. Встановлення джойстика всередині кабіни та викидання розподільника назовні зберігає кабіну чистою та вільною від витоків масла.
Джойстик:
Призначений для механічного керування двома секціями в розподільнику. Додатково має дві кнопки та вихід електричного джгута, який додатково дозволяє керувати, наприклад, двома електромагнітними клапанами.
Алюмінієві елементи конструкції всередині джойстика, корпус з міцного пластику. Європейське виробництво NIMCO.
Посилання:
Стандартна довжина кабелів: 2 м (ми надсилаємо їх, якщо клієнт не вкаже інше). Можливість зміни довжини ліній до 1 м; 1,5 м; 2,5 м; 3м без зміни ціни комплекту.
- Різьблення зі сторони розподільника: корпус кабелю М16х1,5, стяжка М6х1
- З боку джойстика кулька діаметром 14мм
Польське виробництво, виготовлене для Agricola Hydraulic Components.
ДВОСЕКЦІЙНИЙ ГІДРАВЛІЧНИЙ РОЗДІЛЬНИК:
Максимальний потік до 80 л/хв. Контроль односторонніх і двосторонніх циліндрів. Рекомендується керувати розподільником за допомогою кабелів і джойстика.
Керування:
Обидва повзунки мають три положення (1 - 0 - 2), підпружинені, тобто самі повертаються в нейтральне положення, якщо трос ослаблений.
- Положення 0 нейтральне (трос ослаблений), шток поршня циліндра стоїть - масло йде до переливу.
- Положення 1 робоче (трос тягне повзун), шток поршня циліндра висувається.
- Положення 2 (трос штовхає повзун), шток поршня циліндра втягується.
Підключення:
Внутрішня різьба в корпусі: живлення: 1/2''; повернення: 3/4''; секції: 1/2''
Кабельні з’єднання:
- Внутрішня різьба трубки: M16x1,5
- Внутрішня різьба наконечника повзунка: M6x1,5
Діапазон тиску:
- Максимальний тиск подачі: 250 бар
- Максимальний тиск на поверненні: 50 бар
- Максимальний тиск на секції: 300 бар
- Тиск відкриття переливного клапана зростає пропорційно зі збільшенням витрати: 180 бар при 20 л/хв190 бар при 40 л/хв200 бар при 60 л/хв210 бар при 80 л/хв Комплекти для точного вимірювання тиску можна знайти в розділі Манометри - набори вимірювання
Діапазон температур і тип масла:
- Допустима температура навколишнього середовища: від -40 C до +60 C
- Допустима температура масла: від -15 C до +80 C
- Рідке високоякісне масло: LOTOSAGROL BOXOL 26, Високоякісне масло середньої густини: AGRO OIL L-HL 32
СОЛЕНОЇДНИЙ КЛАПАН 6/2 ДЛЯ ТРЕТЄЇ СЕКЦІЇ:
- Максимальний потік до 90л/хв
- Живлення: 12В
- Болгарське виробництво Badestnost
Керування:
Двопозиційний повзунок на пружині, тобто повертається в нейтральне положення після різання вимкнути струм живлення.
Принцип роботи повзунка:
Положення (подача струму на котушку відключена), можливість керування циліндром №1.
Положення 2 (подача струму на котушку відкрита), немає можливості контролювати циліндр №1, але є можливість контролювати циліндр №1. 2.
З'єднання:
Внутрішня різьба в корпусі:
- Подача з'єднувального порту: 1/2''
- Зворотний з'єднувальний порт: 1/2''
- Секційні з'єднувальні порти: 1/2''
Діапазон тиску:
- Максимальний тиск подачі: 210 бар
- Максимальний зворотний тиск: 50 бар
- Максимальний тиск на секції: 250 бар
Діапазон температур і тип масла:
- Допустима температура навколишнього середовища: від -40 C до +60 C
- Допустима температура масла: від -15 C до +80 C
- Тонка високоякісна олія: LOTOS AGROL BOXOL 26, Середня густота високоякісної олії: AGRO OIL L-HL 32
- Рекомендована фільтрація олії на рівні 10 - 15 µ
