ГІДРАВЛІЧНИЙ СЕПАРАТОР 1 СЕКЦІЯ 80 Л / ХВ
- Час доставки: 7-10 днів
- Стан товару: новий
- Доступна кількість: 95
Просматривая «ГИДРАВЛИЧЕСКИЙ РАСПРЕДЕЛИТЕЛЬ 1 СЕКЦИЯ 80 Л/МИН РАЗБРАСЫВАТЕЛЯ», вы можете быть уверены, что данный товар из каталога «Разделители» будет доставлен из Польши и проверен на целостность. В цене товара, указанной на сайте, учтена доставка из Польши. Внимание!!! Товары для Евросоюза, согласно законодательству стран Евросоюза, могут отличаться упаковкой или наполнением.
Оригінальний гідравлічний розподільник 80 л для спліттера
КОД SKRAW-MET: [3536]
Виробництво: SM-G (SKRAW-MET GROUP)
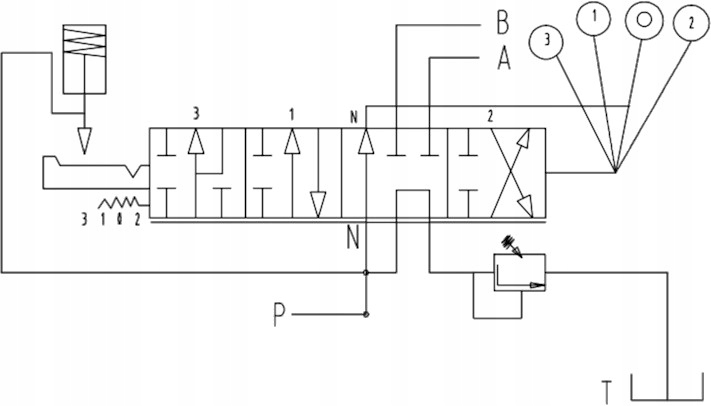
Дильник для дровоколів.
Пружина діє на повзун в одному напрямку, тобто при розколюванні розщеплювач потрібно утримувати важіль, а повернення штока поршня - засувка з пружиною (при поверненні поршня приводу в вихідне положення, засув самостійно повертається назад і розвантажує насос).
Розподільник ідеально підходить для машин і пристроїв з гідравлічним приводом.
Його можна використовувати в сільському господарстві, садівництві, лісовому господарстві чи будівництві.
Розподільник має запобіжний клапан.
Розподільник може контролювати подвійний - діючі циліндри.
Технічні характеристики:
- Потік масла: 80 л/хв
- Максимальний тиск: 300 бар
- Температура масла від -15°C до +80°C
- Тип масла: гідравлічне масло на основі мінерального масла
Підключення (внутрішня різьба в корпусі):
- 3/4" блок живлення< /li >
- 3/4" повернення
- приводи 1/2"
Три -положення важеля ( 1 - 0 - 2):
Переливний клапан: Заводська установка на 175 бар
Можливість саморегулювання , зміна повного оберту на 30 бар.
