Гідромотор BM2 200 вал 25мм BMR OMR SMR
- Час доставки: 7-10 днів
- Стан товару: новий
- Доступна кількість: 9
Просматривая «Гидромотор БМ2 200 вал 25мм БМР ОМР СМР» данный товар из каталога «Силовая гидравлика» вы можете быть уверены, что после оформления заказа, доставки в Украину, вы получите именно то, что заказывали, в оговоренные сроки и европейского качества.
Стійкий гідравлічний двигун BM2 200 вал 25 мм BMR OMR SMR
Найважливіші особливості двигуна:
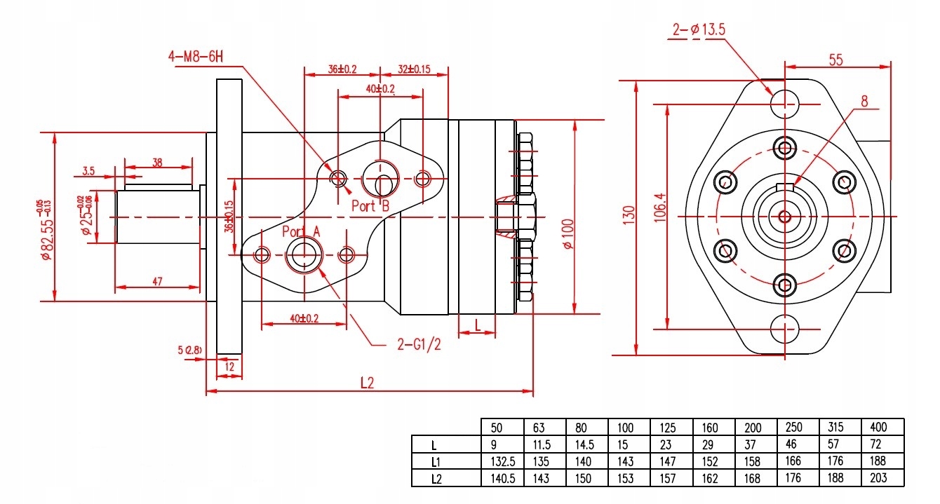
Орбітальний (героторний) гідравлічний двигун Presko з продуктивністю 200 см³/об
Еквівалент OMR 200 BMR200 ALSG2 200
Еквівалент M+S MR 200 CB
ОСНОВНІ ДАНІ
- Поглинальна здатність: 200 см3/об.
- З'єднання: G ½" (відповідно до BSPP¹)
- Монтажний фланець: відповідно до стандарту SAE A
- Шипка карданного валу: C25
Параметри безперервної роботи:
- Максимальна швидкість обертання (безперервно): 282 об/хв
- Максимальний крутний момент (безперервно): 292 Нм
- Максимальний потік (безперервний): 60 л/хв
- Максимальна вихідна потужність (постійна): 9,61 кВт
- Максимальний тиск подачі (безперервно): 12 МПа
Параметри миттєвої роботи:
- Максимальна швидкість обертання (миттєва): 310 об/хв
- Максимальний крутний момент (миттєвий): 400 Нм
- Максимальний потік (миттєвий): 75 л/хв
- Максимальна вихідна потужність (миттєва): 15,45 кВт
- Максимальний тиск подачі (миттєвий): 17,5 МПа
- A – максимальний безперервний робочий тиск
- B – максимальний миттєвий робочий тиск
- C – витрата (л/хв)
Діаметр валу: Ø25x40 мм
Прямий шліцьовий вал: 8x7x32 мм
Різьба та вал: M8
Застосування:
Гідродвигуни PRESKO другої групи з подвійними підшипниками використовуються в сільськогосподарських, лісових і промислових машинах, які працюють в пристроях, що вимагають найвищої плавності та надійності. Їхня конструкція добре працює в системах із високим крутним моментом, а використані матеріали гарантують тривалу та надійну роботу.
Двигун можна з’єднувати послідовно для створення більших систем.
Двигуни Presko другої групи ідеально підходять для:
- сільськогосподарських машин
- сівальних машин
- овочерізок,
- обмотувачі
- снігоочищувачі
- підмітальні машини
- багато інших машин, де потужність і довговічність важливі.
Перевірено конструкція та високоякісні матеріали, що використовуються для виробництва двигунів, гарантують стабільну та ефективну роботу протягом дуже тривалого часу.
