ГІДРОМОТОР БММ СММ ММС ОММ ДММ. 8 куб.см ЗАДНІ ПОРТИ
- Час доставки: 7-10 днів
- Стан товару: новий
- Доступна кількість: 50
Оплачивая «ГИДРАВЛИЧЕСКИЙ МОТОР БММ СММ ММС ОММ ДММ. ЗАДНИЕ ПОРТЫ 8 куб.см», вы можете быть уверены, что данный товар из каталога «Части промышленного оборудования» будет доставлен из Польши и проверен на целостность. В цене товара, указанной на сайте, учтена доставка из Польши. Внимание!!! Товары для Евросоюза, согласно законодательству стран Евросоюза, могут отличаться упаковкой или наполнением.
Посилений гідравлічний двигун типу DMM 8 см3
SKRAW MET КОД: [4537]
Виробник: SM-G (SKRAW MET GROUP)
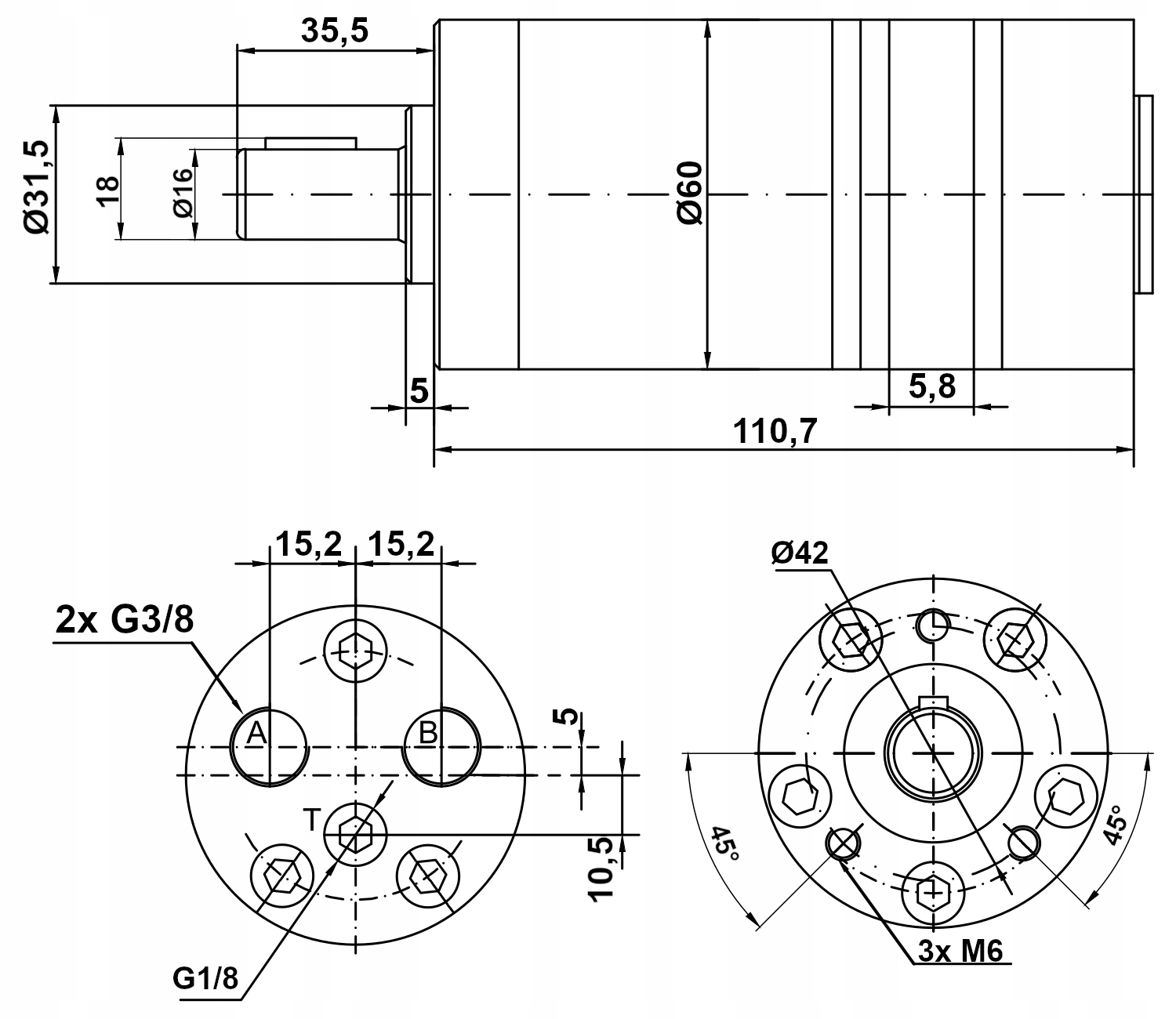
Вал: Φ16 мм
МАКС. швидкість: 1950 об/хв
Застосування:
Широко використовується в гідравлічних системах у сільському господарстві, садівництві, лісництві, будівництві та промисловості в широкому розумінні.
Двигуни з однаковими розмірами, залежно від походження та виробника, доступні під різними символами, зокрема: MMS, SMM, BMM, OMM, OMZM, та ін.
Двигуни серії DMM дуже швидкісні, призначені для роботи в різних типах сільськогосподарського та промислового обладнання. У системах з низькою потребою в електроенергії та з невеликим потоком масла ми хочемо отримати дуже високу швидкість обертання, напр. вентилятори, дрилі тощо
Характеристики та переваги двигунів DMM:
- можливість послідовного та паралельного підключення
- високий пусковий момент і плавна робота відразу після запуску
- висока стійкість до осьових і радіальних сил
- простий монтаж
- низький рівень шуму
- тривалий термін служби навіть у важких умовах використання
Технічні характеристики:
- Напрямок обертання: обидві сторони
- Внутрішня різьба в корпусі: BSP G3/8"
- Матеріал корпусу: сталь, чавун
Максимальні параметри в безперервній роботі:
- Максимальний потік: 16 л/хв.
- Максимальна швидкість обертання: 1950 об./хв. миттєва робота (макс. 6 секунд щохвилини):
- Максимальний потік: 20 л/хв
- Максимальна швидкість обертання: 2450 об/хв
- Максимальний тиск: 20 МПа
- Максимальна потужність: 2,6 кВт
- Максимальний крутний момент: 15 Нм
Рекомендований діапазон температури масла:
- Допустима температура навколишнього середовища: -40°C до +80°C
- Допустима температура масла: -15°C до +80°C
