Гільза Metabo для прямої шліфувальної машини GA 18 LTX G
- Час доставки: 7-10 днів
- Стан товару: новий
- Доступна кількість: 3
Просматривая «Втулка Metabo для прямошлифовальной машины GA 18 LTX G» данное изделие из «Двигатели» вы можете быть уверены, что после оформления заказа, доставки в Украину, вы получите именно то, что заказывали, в оговоренные сроки и европейского качества.
* Монтажний зажим Metabo 6 мм з монтажною гайкою (подвійний край) для прямих шліфувальних машин - новий оригінал
(втулка / цанга / зажим)
- Код EAN: 4007430257079
- Код виробника: 630820000
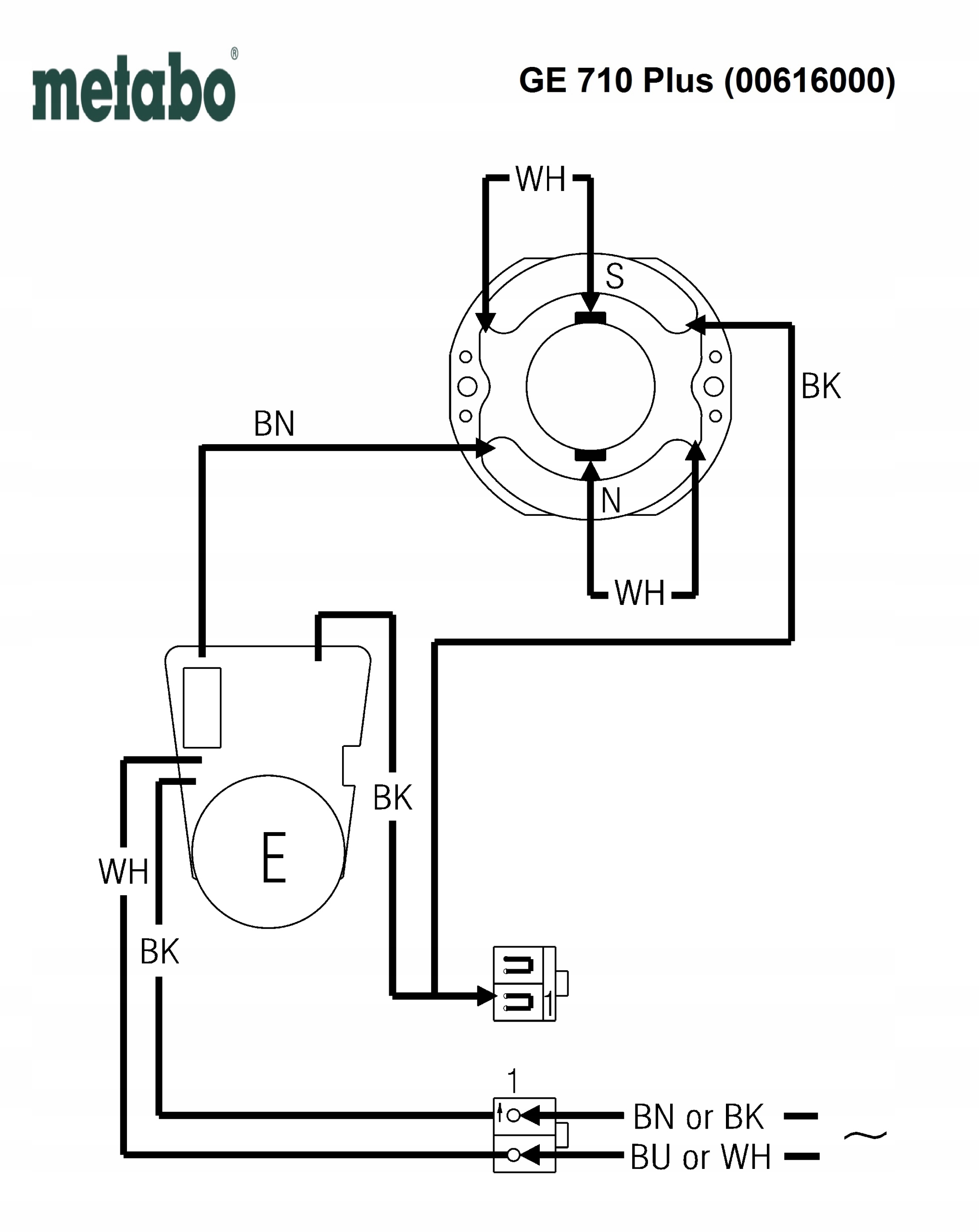
- Позиція на схемі: ні. 29 - GE 710 Plus (00616000)
Параметри
Монтажний отвір 6 мм
Виконання двостороннє
Застосування:
пряма шліфувальна машина:
- GE 710 Plus (00616000)
- GE 710 Plus (00616180)
- GE 710 Plus (00616190)
- GE 710 Plus (00616250)
- GE 710 Plus (00616310)
- GE 710 Plus (00616380)
- GE 710 Plus (00616390)
- GE 710 Plus (21042000)
- GEP 710 Plus (00617000)
- GEP 710 Plus (00617001)
- GEP 710 Plus (00617390)
- GEP 710 Plus (00617391)
- GE 950 G Plus (00618000)
- GE 950 G Plus (00618180)
- GE 950 G Plus (00618190)
- GE 950 G Plus (00618250)
- GE 950 G Plus (00618310)
- GE 950 G Plus (00618380)
- GE 950 G Plus (00618390)
- GEP 950 G Plus (00627000)
- GEP 950 G Plus (00627001)
- GEP 950 G Plus (00627390)
- GEP 950 G Plus (00627391)
- GA 18 LTX (00638000)
- GA 18 LTX (00638001)
- GA 18 LTX G (00639000)
- GA 18 LTX G (00639001)
Перелік деталей для GE 710 Plus (00616000)
положення на схемі, кількість, каталожний номер, опис пристрою
1; 1; 316062280 КРИЛЬЧАТКА в комплекті, 230В
2; 1; 311012230 СТАТОР Compl.
3; 1; 344493180 КАБЕЛЬ З ВИЛКОЮ CEE
4; 1; 344097360 КРИШКА ЗАЩИТИ ПЕРЕГИНАННЯ КАБЕЛЮ
5; 1; 343362490 КАБЕЛЬНИЙ ЗАЖИМ
6; 1; 141117060 МЕТАЛЕВИЙ ГВИНТ ОБ'ЄКТИВА
7; 2 344498880 WEAVE Compl.
8; 1 315013660 КОРПУС ДВИГУНА
9; 1 343430940 SHIFT
10; 1 343397810 ПЕРЕКЛЮЧАТЕЛЬ, H/L
11; 1 143115690 ПІДШИПНИК,6x19x6
12; 1 344097870 ВТУЛКА ГУМОВА
13; 1 343436590 ШАЙБА
14; 1 143114880 ПІДШИПНИК 8X22X 7
15; 1 343430910 КРИШКА ДВИГУНА, 2 ЧАСТИНИ
16; 3 141113180 МЕТАЛЕВИЙ ГВИНТ ЛІНЗИ
17; 4 141117060 МЕТАЛЕВИЙ ГВИНТ ОБ'ЄКТИВА
19; 1 315202620 ПІДШИПНИК КОЖУХ
20; 1 344160400 КЛЮЧ
22; 1 344099150 РУЧКА
23; 1 316051730 ШПИНДЕЛЬНА ГОЛОВКА Compl.
24; 1 343082840 МОДУЛЬ ЕЛЕКТРОНІКИ, 230 В
25; 1 343409640 ПЕРЕМИКАЧ
26; 2 316046890 ТРИМАЧ ЩІТКИ Compl. вимкнено, 230В
27; 1 316046900 ЩІТКА (ЗНІМНА) ПЕРЕМИКАННЯ
28; 1 399999990 ЧАСТИНА ТУТ НЕ ПОТРІБНА
29; 1 630820000 Затискач 6 мм з кріпильною гайкою
30; 1 316062270 КОМПЛЕКС ВОДІЯ
31; 1 344099140 АМОРТИЗАТОР
35; 1 338057490 ПАСПОРТНА ТАБЛИЧКА
36; 1 399999990 ЧАСТИНА ТУТ НЕ ПОТРІБНА
61; 1 316065220 ШПИНДЕЛЬНА ГОЛОВКА Compl.
62; 1 143115930 ПІДШИПНИК кульковий
63; 1 143111090 ПІДШИПНИК 10X 30X 9
64; 1 141180370 КІЛЬЦЕ SEEGER
65; 1 143115490 ШАЙБА
66; 1 341071300 Kupplungsstueck
70; 1 143115470 ШАЙБА
71; 1 316051700 Luefter mit Staubschutzkorb
75; 1 316059800 БЛОКУВАННЯ ШПИНДЕЛЯ
80; 1 330002060 ВЕНТИЛЯТОР
98; 2 143195530 О - КІЛЬЦЕ
1001; 1 338505710 ПЛАНА ПРОВОДКИ
