ГОДИННИК показує, котра година ENG Big Numbers BLUE DIY
- Час доставки: 7-10 днів
- Стан товару: новий
- Доступна кількість: 5
Заказывая «ГОДИННИК показує, котра година ENG Big Numbers BLUE DIY» данное изделие из «Монтажные комплекты» вы можете быть уверены, что после оформления заказа, доставки в Украину, вы получите именно то, что заказывали, в оговоренные сроки и европейского качества.
ГОДИННИК показує, котра година ENG
Великі цифри 2,5 см DIY KIT
система для самостійного складання, пайка з корпусом із оргскла
колір дисплея СИНІЙ + ЧОРНИЙ КОРПУС
Вказує час англійською мовою,
з рівними годинами.
Автоматично відображає час, температуру, дату та день.
Автоматичне керування освітленням, годинник світитиме яскравіше вдень, ніж уночі.
Великий 4-значний світлодіодний дисплей, показувати час і температуру.
Корисна функція будильника
Живлення через USB-кабель в комплекті.
Нічне підсвічування
Живлення DC 5V
Розмір після складання: 122x66x30 мм
- Скинути та увійти в режим налаштувань:Натисніть кнопки S3/вправо-ВГОРУ та S2/вправо-вниз протягом 10–15 секунд, потім відпустіть, щоб скинути та увійдіть у режим налаштування. Він повернеться до заводських налаштувань для відображення часу 7:59, а через 30 секунд будильник пролунає о 8:00. Натисніть S1/верхню кнопку, щоб вимкнути будильник. Примітка. Щоразу, коли ви входите в режим налаштувань, він скидається, і всі параметри потрібно скинути.
- Температура калібрування:Коротко натисніть S3/Вправо - Спочатку натисніть кнопку зв’язку, а потім натисніть кнопку S2/вниз, щоб відкалібрувати значення температури. (Примітка: значення параметра блимає автоматично та так само, як і наступні функції) Утримуйте кнопку S2, щоб швидко змінити значення.
- Установити рік: Коротко натисніть S3 / праву кнопку вдруге, потім натисніть S2 / праву кнопку вниз, щоб встановити значення для поточного року.
- Установити місяць: Коротко натисніть S3/праву кнопку втретє, потім натисніть S2/праву кнопку вниз, щоб встановити значення для поточного місяця.
- Установити дату:Коротко натисніть S3/праву кнопку вчетверте, потім натисніть S2/праву кнопку вниз, щоб встановити значення для поточного дня.
- Установити тиждень:Коротко натисніть кнопку S3/Вправо вп’яте, потім натисніть кнопку S2/Вправо вниз, щоб встановити значення для поточного тижня.
- 12/24H SET РЕЖИМ:Коротко натисніть S3/Вправо - кнопку вшосте, потім натисніть кнопку S2/Вправо вниз, щоб вибрати AA12 для 12 годин або AA24 для 24 годин.
- Встановлення часу:Коротко натисніть S3/вправо - зв’язка, натисніть кнопку вниз сьомий раз, потім натисніть кнопку S2/вправо вниз, щоб встановити значення для поточної години.
- Установіть хвилини:Коротко натисніть кнопку S3/праву кнопку вгору 8-й раз, потім натисніть кнопку S2/праворуч вниз, щоб установити значення для поточної хвилини.
- Увімкнення/вимкнення будильника:Коротко натисніть S3/праву кнопку 9 разу, потім натисніть S2/праворуч кнопку, щоб увімкнути або вимкнути будильник. Відображатиметься «увімк.» або «вимк.».
- Установіть час будильника:Коротко натисніть S3/вправо – кнопку зв’язування в 10-й раз, а потім натисніть кнопку S2/вниз, щоб установити значення часу будильника. Цей параметр можна встановити, коли будильник увімкнено.
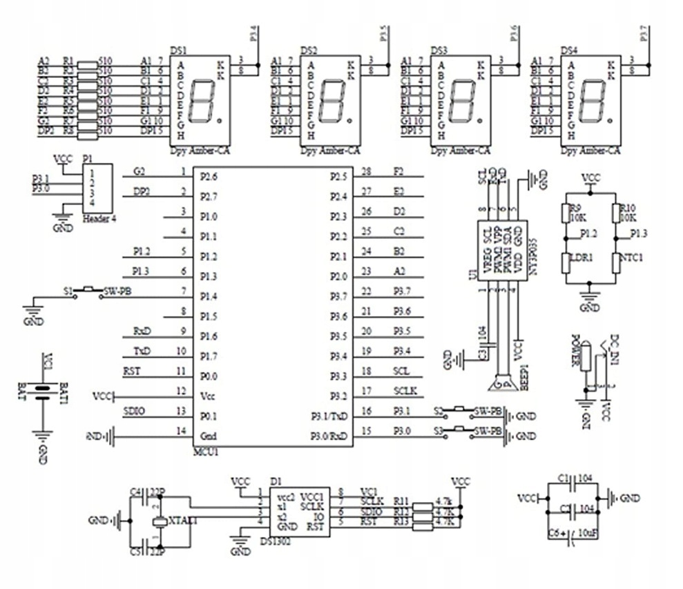
Інструкція:
Системи мають схему монтажу, надруковану на платі. Необхідно звернути увагу на полярність у випадку таких елементів, як конденсатори, діоди, транзистори. У світлодіодів довша ніжка плюс +, параметри більшості елементів описані на корпусі. Резистори можуть мати маркування смугами; їх опір і допуск можна прочитати за допомогою калькуляторів, доступних в Інтернеті, або виміряти за допомогою лічильника. Порядок складання, як правило, довільний, в залежності від планування спочатку збираємо найменші елементи.
Інструкції зі встановлення посилання: https://drive.google.com/file/d/1hTArBYrSkG3BN-e8VGiyGDN6J7PPZwSH/view?usp=share_link
