Іноземне охолодження електричного двигуна G-63 230 В
- Час доставки: 7-10 днів
- Стан товару: новий
- Доступна кількість: 50
Оплачивая «Иностранное охлаждение электродвигателя G-63 230 В» данный товар из каталога «Части промышленного оборудования», вы можете получить дополнительную скидку 4%, если произведете 100% предоплату. Размер скидки вы можете увидеть сразу при оформлении заказа на сайте. Внимание!!! Скидка распространяется только при заказе через сайт.
іноземне охолодження G-63B1
Код Schew Met: [3632]
Виробник: SM-G (Schew Met Group)
, призначений для двигунів MS Series у механічному розмірі 63
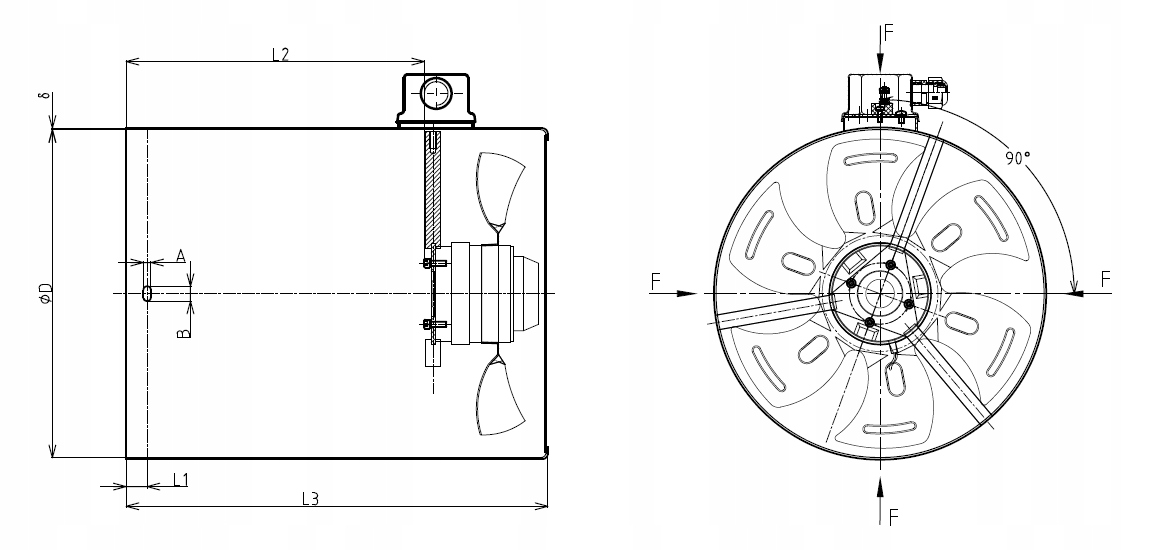
Повний набір іноземного охолодження з фанатом, покриттям та боксом Clamp, що є відокремленим. Готовий до самостійного складання в стандартному електродвигуні. Перед встановленням набору просто демонтуйте вентилятор та його кришку в основному двигуні. 4 Швидкість обертання , де вентилятор, розміщений на осі двигуна, має занадто низьку швидкість, щоб охолонути двигун. гарантує безпечну та стабільну роботу двигуна навіть на дуже низькій швидкості.
Використання додаткового охолодження електродвигунів захищає двигун від надмірного перегріву обмоток.
Електромотор зберігає всі оригінальні зручності та експлуатаційні особливості з можливістю відновлення заводського методу власної вентиляції.
Охолодження електродвигуна з додатковим охолодженням при використанні частотних перетворювачів може значно продовжити термін експлуатації самого електродвигуна та покращити комфорт пристрою. Використовуйте:
- Перевірте, коли підключення, чи з'єднання є твердими, а вітряк може вільно обертатися,
- регулярно видаляти пил і бруд з внутрішньої сторони корпусу та з вітряного млини, вони можуть призвести до погіршення потоку повітря,
- Переконайтесь, що вітряк повертається до стрілки. житло.
Технічна специфікація:
- Напруга: 230V
- Частота: 50 Гц
- Сила: 17W
- 2800/min
- Продуктивність: 45m³/h
- Тиск: 40pa
- шум: 62db
- 40 ° C . up to 90% (at 25 ° C)
