IP ВІДЕОДОМОФОН BCS-PAN1702S-S панель з камерою
- Час доставки: 7-10 днів
- Стан товару: новий
- Доступна кількість: 19
Просматривая «IP-видеодомофон BCS-PAN1702S-S панель с камерой», вы можете быть уверены, что данный товар из каталога «Домофоны и видеодомофоны» будет доставлен из Польши и проверен на целостность. В цене товара, указанной на сайте, учтена доставка из Польши. Внимание!!! Товары для Евросоюза, согласно законодательству стран Евросоюза, могут отличаться упаковкой или наполнением.
BCS-PAN1702S-S
BCS-PAN1702S-S
Односімейна (двосистемна) зовнішня панель TCP/IP/SIP. Призначений для IP або 2-провідних систем (на вибір). У режимі IP працює з комутаторами PoE, а в 2-провідному режимі живлення і передача сигналу здійснюється по 2-провідній шині без полярності (потрібен адаптер BCS-ADIP-II разом з блоком живлення BCS-ZA4815).
Панель сумісна з усіма IP відеомоніторами BCS. Необхідно оновити мікропрограму монітора до версії SIP.
Домофонна панель може нормально працювати без необхідності підключення до неї монітора. Щоб мати можливість віддалено переглядати з камери та керувати електрозасувкою та воротами через програму на телефоні, панель має бути підключена до Інтернету.
Характеристики продукту
- Зовнішня панель TCP/IP/SIP для однієї родини
- Призначена для IP або 2-провідних систем (на вибір)
- У режимі IP працює з комутаторами LAN / PoE
- У 2-провідному режимі живлення та передача сигналу через 2-провідну шину без полярності (потрібен адаптер BCS-ADIP-II, з блок живлення BCS-ZA4815)
- Сумісність із відеомоніторами TCP/IP/SIP версії 4.4_SIP або вище (режим IP), у 2-провідному режимі, сумісна з відеомоніторами BCS-MON7600B(W)-2
- Низьке освітлення перетворювача HD 1/2,5 дюйма CMOS
- 1,9 мм «риб’яче око» об'єктив
- Автоматичний ІЧ-освітлювач, автоматичний ICR-фільтр, WDR 120 дБ, HLC, BLC, 3DNR шумозаглушення
- Кут огляду камери: 168,6° по горизонталі, 87,1° по вертикалі
- Стиснення відео: H.264, H.265; G.711U
- Протокол: IPv4, RTSP, RCP, TCP, UDP, SIP, UPnP, P2P, SNMP
- Встановлення: вбудований або поверхневий монтаж за допомогою спеціального корпусу (постачається окремо)
- Керування через веб-сервіс
- Запис відео на записувачі BCS LINE, підтримка Onvif
- Фронт із алюмінієвого сплаву
- IK07, IP65 (після додаткової герметизації)
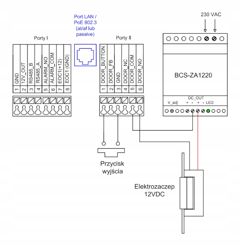
- Релейний вихід NO/NC/COM
- Вихід RS485 для підключення додаткового реле
- Мережа: Ethernet 10/100 Мбіт/с з автоматичною адаптацією (системи IP) або вхід 2-провідної шини (2-провідні системи)
- Живлення в режимі IP: PoE 802.3 at/af/passive
- Живлення в 2-провідному режимі: 2-провідна шина
Специфікація
- Тип пристрою: двосистемна односімейна зовнішня панель TCP/IP/SIP, може працювати в IP-системах або 2-провідних системах (на вибір)
- Сумісність: IP-системи: відеомонітори TCP/IP/SIP із мікропрограмою SIP v4.4 або новішої 2-провідні системи: відеомонітори Адаптери BCS-MON7600B(W)-2 і BCS-ADIP-II (2-провідна шина без полярності)
- Кількість кнопок виклику: 1 механічна кнопка
- Операційна система: Linux
- Камера: 1/2,5" 2 Мпікс. CMOS із низьким освітленням HD
- Об’єктив: 1,9 мм «риб’яче око»
- Кут огляду камери: H: 168,6°, V: 87,1°
- Сюжетний режим: Авто, день, ніч
- Режим відео: BLC, HLC, WDR 120 дБ, 3DNR шумозаглушення, автоматичний ICR інфрачервоний фільтр
- Налаштування параметрів зображення: Так, вручну
- Підсвічування камери: Автоматичний ІЧ-освітлювач
- Стиснення відео: H.264, H.265
- Роздільна здатність: 720p(1280x720) / D1(704x576/704x480) / VGA(640x480) / CIF(352x288/352x240)
- Частота кадрів: 25 кадрів/с
- Бітрейт основного потоку: 256 Кбіт/с ~ 4 Мбіт/с
- Вхід/вихід аудіо: Вбудований всеспрямований мікрофон і динамік
- Стиснення аудіо: G.711u
- Мережеве підключення: IP-системи: Ethernet (RJ-45), 10/100 Base-T, 2-провідні системи: 2-провідна шина без полярності (потрібен адаптер BCS-ADIP-II, з джерелом живлення) BCS-ZA4815)
- Протоколи:IPv4, RTSP, RCP, TCP, UDP, SIP, UPnP, P2P, SNMP
- Запис відео: Записувачі BCS LINE (приватний протокол), підтримка Onvif
- Мобільний додаток: Так, BCS Line для iOS/Android, максимум 10 користувачів (телефони)
- Інформаційні світлодіоди: 3 інформаційні світлодіоди: виклик, розмова, відкриття дверей
- Клавіатура: Немає
- Зчитувач наближення: Немає
- Відкрити двері1/Двері2 кодом або карткою: Немає
- Відкрити двері1/двері2 карткою: Немає
- Відкриття дверей1 / дверей2: Використовуючи інтерфейс розмови на відеомоніторі або за допомогою мобільного додатку, щоб відкрити додаткові двері (ворота), необхідно встановити релейний модуль BCS-MODKD2
- Виклик швейцара: Панель може здійснювати дзвінки на комутатор охорони BCS-CP1 замість дзвінків на відео монітор
- Входи: 1x кнопка виходу (DOOR_BUTTON + GND); 1x вхід живлення (2wires-GND; 2wires-48V) - 2-провідний вхід шини (без полярності, передачі даних і живлення, лише для 2-провідних систем) на основі джерела живлення 48V DC (потрібен адаптер BCS-ADIP-II, з джерелом живлення). 1x геркон (DOOR_FB + GND), макс тільки модуль BCS-MODKD2; 1x вихід 12V (12V_OUT), необхідно забезпечити додаткове джерело живлення 12V DC для живлення: IP-системи: PoE (802.3af/af/passive): через 2-провідну шину, потрібне підключення адаптера BCS-ADIP-II разом з блоком живлення BCS-ZA4;
Придбавши цей продукт тут, ви отримаєте:
- оригінальний продукт BCS
- ви миттєво отримаєте придбаний пристрійповну підтримку під час вибору та введення в експлуатацію
- Якщо у вас виникнуть сумніви, ми будемо раді порадити та допомогти
Схема підключення для електричного удару 12 В постійного струму, панель живиться від джерела живлення 12 В постійного струму
Схема підключення механізму воріт за допомогою модуля BCS-MODKD2, живлення панелі від джерела живлення 12В постійного струму
