КЛАПАН АНТИЗАМЕРЗАННЯ FI 1" ДЮЙМОВ ДЛЯ МОНОБЛОЧНОГО НАСОСА
- Час доставки: 7-10 днів
- Стан товару: новий
- Доступна кількість: 693
Оплачивая «ПРОТИВОЗАмерзАНИЕ КЛАПАН FI 1 ДЮЙМ ДЛЯ МОНОБЛОЧНОГО НАСОСА», вы можете быть уверены, что данный товар из каталога «Клапаны» будет доставлен из Польши и проверен на целостность. В цене товара, указанной на сайте, учтена доставка из Польши. Внимание!!! Товары для Евросоюза, согласно законодательству стран Евросоюза, могут отличаться упаковкой или наполнением.
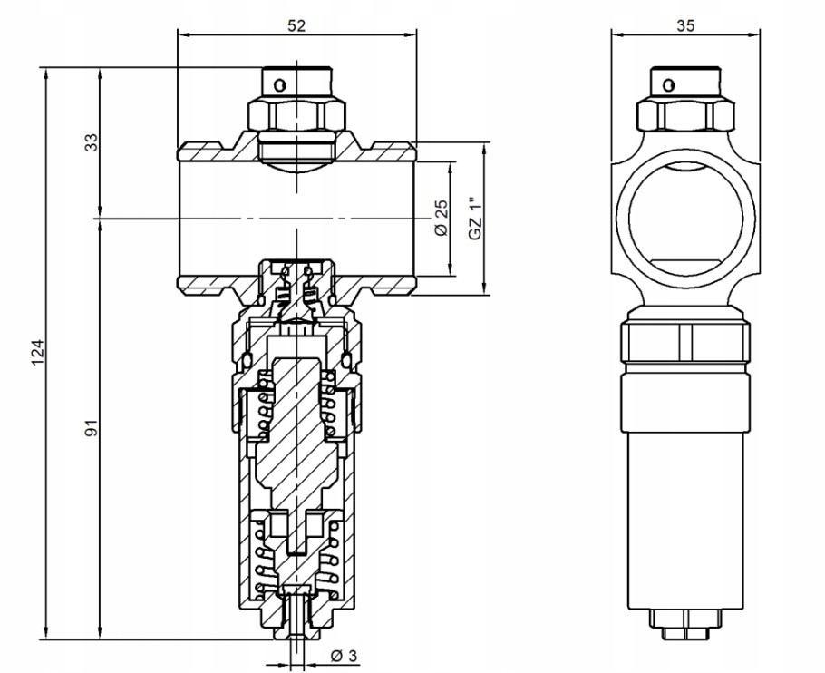
КЛАПАН АНТИФРИЗУ FI 1 ДЮЙМ ДЛЯ НАСОСІВ MONOBLOCK PROV INVENA ZZ-30-025-Z
Клапан проти замерзання - Технічна специфікація
Функція та призначення
Клапан проти замерзання дозволяє зливати циркуляційне середовище, коли його температура досягає середнього значення 30°C. Це важливо для запобігання утворенню льоду в системі циркуляції, що особливо важливо в системах теплових насосів, де замерзання може пошкодити як насос, так і труби.
Матеріали
✅Матеріал корпусу: латунь CW617N
✅Середовище: вода
Технічні параметри
✅Максимум тиск: 10 бар
✅Діапазон робочих температур: 0-65°C
✅Діапазон температур навколишнього середовища: 30-60°C
✅Температура відкриття (середня): 3°C
✅Температура закриття (середня): 4°C
Антифриз функція
✅Активація функції захисту від замерзання: використання зовнішнього повітря при температурі нижче 5°C
✅Точність: ±1°C
Параметри потоку та крутні моменти
✅Kv: 55 м³/год
✅Kv: 70 м³/год
✅Kv: 72 м³/год
✅Kv: 64 м³/год
Момент затягування: 80 Н-м
Швидкість потоку на виході Тиск при 3 барах:
✅Темп. зовнішня -5°C: 0,5 л/год
✅Темп. зовнішня -20°C: 1 л/год
