КЛАПАН ГІДР. ПЕРЕЛИВ ВАУ 3/4 100Л
- Час доставки: 7-10 днів
- Стан товару: новий
- Доступна кількість: 5
Просматривая «КЛАПАН ГІДР. ПЕРЕЛИВ ВАУ 3/4 100Л», вы можете быть уверены, что данный товар из каталога «Гидравлические клапаны» будет доставлен из Польши и проверен на целостность. В цене товара, указанной на сайте, учтена доставка из Польши. Внимание!!! Товары для Евросоюза, согласно законодательству стран Евросоюза, могут отличаться упаковкой или наполнением.
ГІДРАВЛІЧНИЙ КЛАПАН ПЕРЕХРЕСНОГО ПЕРЕТОКУ (VAU) 3/4 100L
КОД SKRAW-MET: [1881]
Клапан перехресного (запобіжного) переливу - також відомий як ударний клапан - він використовується, коли ми хочемо контролювати, обмежувати або регулювати максимальний тиск на двох входах гідравлічної системи.
Ідеально захищає від раптових стрибків тиску.
Застосування:
Він широко використовується в гідравлічних системах у сільському господарстві, садівництві, лісництві, будівництві та промисловості в широкому розумінні.
Часто використовується для захисту системи фронтальних навантажувачів.
Використовується в навантажувачах, обмотках, навантажувачах, бурових установках, дрилях, навантажувачах і в гідравлічних циліндрах, коли необхідне плавне гальмування поршня.
Підключення:
Підключіть одну сторону V1 і V2 до ліній тиску, наприклад, гідравлічного розподільника.
Аналогічні виходи на іншій стороні V1 і V2 до портів підключення приймача, наприклад, привод подвійної дії або гідравлічний двигун.
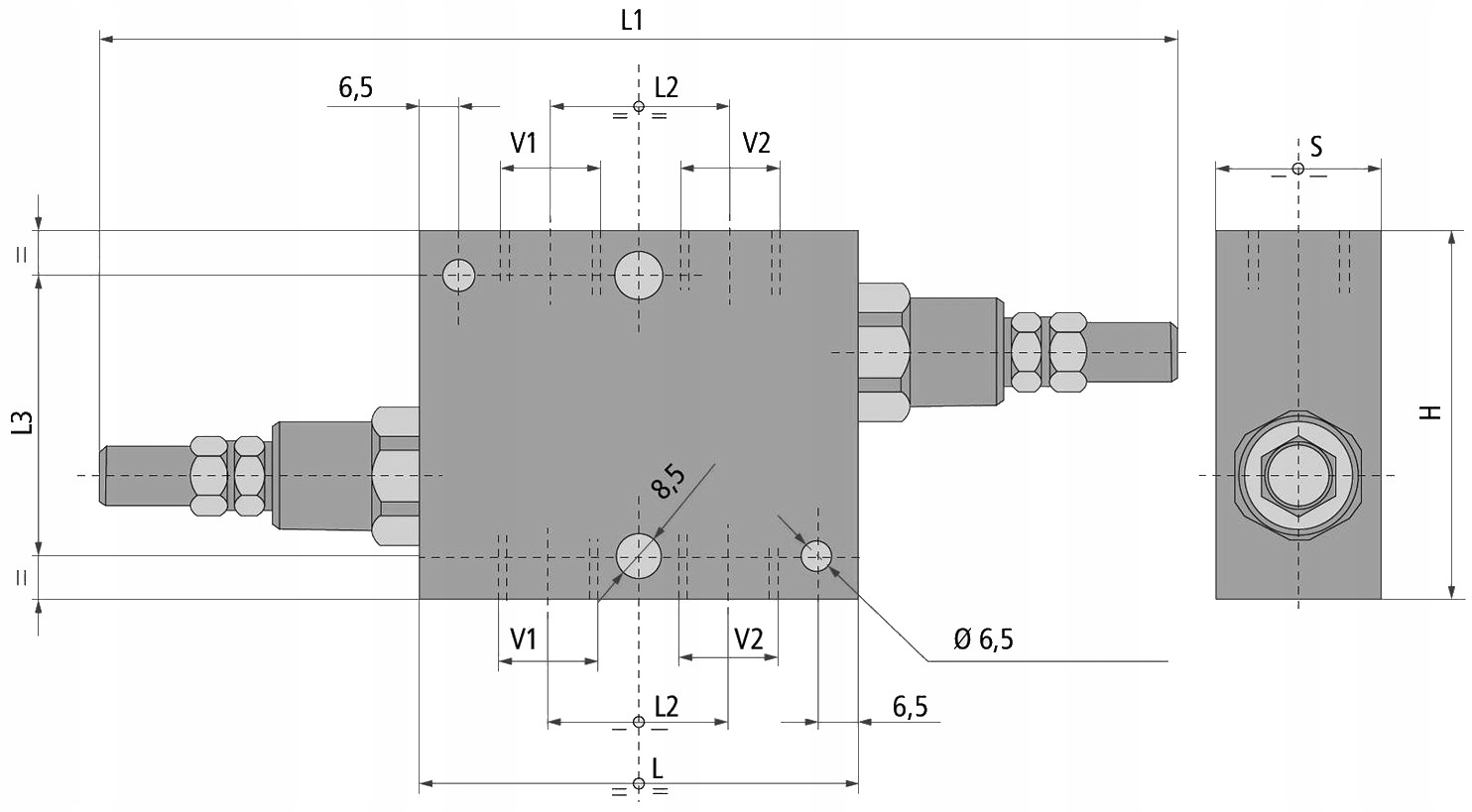
Технічні характеристики:
- L (мм): 100
- L1 (мм): 205
- L2 (мм): 44
- L3 (мм): 57
- H (мм) ): 100
- S (мм): 40
Максимальний потік: 100 л/ min
Кількість гідравлічних отворів в корпусі: 4
Внутрішня різьба в корпусі [BSP] : 3/4''
Діапазон амортизації (бар): 10-180
Попередньо встановлений тиск (бар): 90
Регулювання перепускного клапана: 45 бар (на повний оберт) p>
- Допустимий максимальний тиск: 350 бар
- Допустима температура навколишнього середовища: -40°C до +60°C li>
- Допустима температура масла: від -15°C до +80°C
Тип масла: гідравлічне масло на основі мінерального масла b> p>
Матеріал: корпус з оцинкованої сталі
