КЛАПАН НАДЦЕНТР. ПІД VBCD 1 DE-A 150L 350bar OM
- Час доставки: 7-10 днів
- Стан товару: новий
- Доступна кількість: 500
Оплачивая «КЛАПАН НАДЦЕНТР. ПІД VBCD 1 DE-A 150L 350bar OM» данный товар из каталога «Гидравлические клапаны», вы можете получить дополнительную скидку 4%, если произведете 100% предоплату. Размер скидки вы можете увидеть сразу при оформлении заказа на сайте. Внимание!!! Скидка распространяется только при заказе через сайт.
ГІДРАВЛІЧНИЙ ВЕРХЦЕНТРНИЙ КЛАПАН
"LOCK" VBCD 1" DE-A
ДЛЯ ЦИЛІНДРА ДВОЇ ДІЇ
Виробництво:
Оригінальний італійський продукт бренду Oleodinamica Marchesini, символ: VBCD 1" DE-A; 1.35.18.125
Застосування:
Він широко використовується в гідравлічних системах у сільському господарстві, садівництві, лісництві, будівництві та широкому розумінні промисловості.
Принцип роботи:
Клапан "верхнього центру" є комбінацією типового замка приводу (VBPSE) із переливним клапаном (VMP). Використовується для блокування руху штока поршня приводу в обох напрямках. Рух приводу в зворотному напрямку не забезпечено. Він забезпечує стабілізацію положення штока поршня, коли ми не керуємо розподільником і на привод діють великі сили.
Замок клапана перестає працювати, коли ми починаємо керувати гідророзподільником або коли сили, що діють на приводу занадто високі, і, як наслідок, тиск, встановлений на клапані, буде перевищено.
Клапан можна використовувати як гальмо та блокування обертання гідравлічного двигуна. Коли ми перестаємо керувати двигуном, клапан, не наражаючи двигун і розподільник на пошкодження, поступово загальмує двигун, а потім захистить його від вільного обертання. Клапан здатний гальмувати і захищати тільки один напрямок обертання.
Підключення:
Підключіть V1 і V2 до ліній живлення, наприклад, секцій у гідравлічному розподільнику. Підключіть C1 і C2 до ресивера, наприклад, приводу подвійної дії.
Потік від V1 до C1 і від V2 до C2 повністю блокується, якщо на V1 і V2 немає тиску. Потік від V1 до C1 і від V2 до C2 відкривається, коли тиск прикладається до V1 або V2.
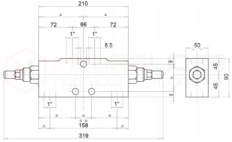
Технічні дані:
- Максимальний потік : 150 л/хв
- Кількість гідравлічних отворів в корпусі: 4
- Внутрішня різьба в корпусі: 1'' [BSP]
- Матеріал корпусу: оцинкована сталь
- Максимальний допустимий тиск: 350 бар
- Стандартне налаштування переливних клапанів: 320 бар
- Вага: 6,9 кг
Діапазон температур і тип масла:
- Допустима температура навколишнього середовища: від -40 C до +60 C
- Допустима температура масла: -15 C до +80 C
- Тип масла: Гідравлічне масло на основі мінерального масла
Гідравлічна схема клапана VBCD DE-A (фото):
