КЛАПАН ПЕРЕКЛЮЧНИЙ ТИСКУ VMP 3/8 45л 50-250бар
- Час доставки: 7-10 днів
- Стан товару: новий
- Доступна кількість: 13
Оплачивая «ПЕРЕПУСКНОЙ КЛАПАН VMP 3/8 45л 50-250бар» данный товар из каталога «Гидравлическая система» вы можете быть уверены, что после оформления заказа, доставки в Украину, вы получите именно то, что заказывали, в оговоренные сроки и европейского качества.
ГІДРАВЛІЧНИЙ ПЕРЕКЛЮЧНИЙ КЛАПАН VMP 3/8" З РЕГУЛЮВАННЯМ ТИСКУ 50-250 бар
Орієнтовне фото.
Застосування:
Широко використовується в гідравлічних системах у сільському господарстві, садівництві, лісовому господарстві, будівництві та в широкому розумінні
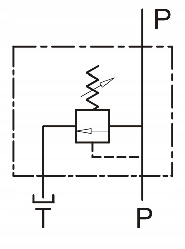
Принцип дії:
Переливний (запобіжний) клапан використовується для стабілізації та обмеження максимального тиску у всій гідравлічній системі або її окремій частині. Він виконує типову функцію безпеки під час непередбачуваного перевантаження гідравлічної системи. Клапан регулюється за допомогою ручки, налаштування можна закріпити за допомогою замка Гайка.
Під'єднайте обидва порти P до лінії, де потрібно контролювати тиск. Підключіть T до зворотної лінії, що веде до масляного баку.
Технічні дані:
Максимальний потік: 35 л/хв.
Кількість гідравлічних отворів у корпусі: 3 (+ вихід для манометра) Внутрішня різьба в корпусі: 3/8'' [BSP]
Різьба порту манометра: 1/4" [BSP]
Матеріал корпусу: оцинкований сталь
Допустимий максимальний тиск: 250 бар. C
Тип оливи: мінеральне масло на основі гідравлічної оливи
Наша пропозиція включає більшість типів гідравлічних двигунів, а також повний асортимент силової гідравліки. Насоси, розподільники, гідроциліндри, клапани, гідропроводи.
Виставляємо рахунки
Запрошуємо до співпраці
