КЛАПАН ПЕРЕВАНТАЖЕННЯ ТА ГАЛЬМУВАННЯ VBCD 1/2''
- Час доставки: 7-10 днів
- Стан товару: новий
- Доступна кількість: 9
Просматривая «ПЕРЕГРУЗОЧНО-ТОРМОЗНОЙ ОБРАТНЫЙ КЛАПАН VBCD 1/2''», вы можете быть уверены, что данный товар из каталога «Гидравлические клапаны» будет доставлен из Польши и проверен на целостность. В цене товара, указанной на сайте, учтена доставка из Польши. Внимание!!! Товары для Евросоюза, согласно законодательству стран Евросоюза, могут отличаться упаковкой или наполнением.
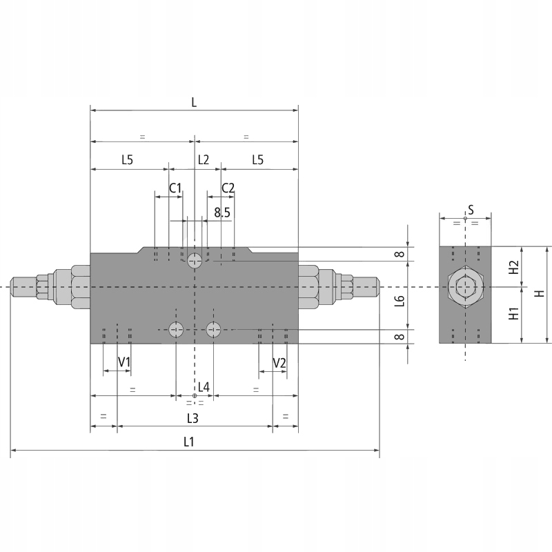
Запобіжний, зворотний і гальмівний клапан
[1906]
Подвійний зворотний і гальмівний клапани використовуються для керування рухом ресивера та блокування його в обох напрямках, уможливлюючи контрольоване опускання вантажу та обмежуючи максимальний тиск у разі удару, викликаного неконтрольованим рухом, перевантаженням або раптовим маневр.
Налаштування клапана має бути принаймні в 1,3 рази більше робочого тиску, щоб клапан закривався навіть за робочого тиску.
Підключіть V1 і V2 до лінії подачі, а C1 і C2 до ресивера.
Матеріал: оцинкована сталь
Технічні характеристики:
Тип SBV-D-06
З'єднання BSP: 1/2"
Співвідношення контрольного тиску: 1:4,5
P max (бар): 350
Q max (л/хв): 60
- H (мм): 65
- H1 (мм): 32
- H2 (мм): 33
- L (мм): 130
- L1 (мм): 235
- L2 (мм): 42
- L3 (мм): 95
- L5 (мм): 44
- L6 (мм): 41
- S (мм): 37
