Клапан регулятор потоку VPR3 BSP 1/2" P:80л/хв FCVC-3-M-EP-1/2
- Час доставки: 7-10 днів
- Стан товару: новий
- Доступна кількість: 3
Оплачивая «Клапан регулятора расхода VPR3 BSP 1/2" P:80л/мин FCVC-3-M-EP-1/2» данный товар из каталога «Гидравлическая система» вы можете быть уверены, что после оформления заказа, доставки в Украину, вы получите именно то, что заказывали, в оговоренные сроки и европейского качества.
Клапан регулятора витрати VPR3 BSP 1/2" P:80L/min FCVC-3-M-EP-1/2
Застосування:
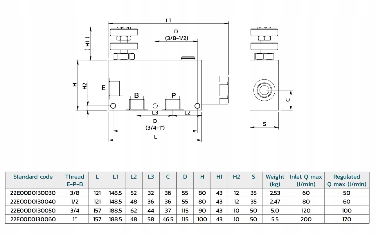
Регулятор розділяє основний потік масла (E) від насоса на два окремих, які можуть живити дві незалежні гідравлічні системи (ресивери). Один вихід є пріоритетним (P), де регулюється значення витрати. Вихід B також може живити інший ресивер, однак потік може змінюватися залежно від ефективності насоса.
Загальна інформація:
- Максимальна подача: 80 л/хв
- Діапазон регулювання потоку на двигун: 0-60 л/хв (макс. 60 л/хв)
- Кількість гідравлічних отворів у корпус: 3
- Внутрішня різьба в корпусі: 1/2"
- Допустимий максимальний тиск: 350бар
- Матеріал корпусу: оцинкована сталь
- Допустима температура навколишнього середовища: від -40C до +60C
- Допустима температура масла: -15C до +80C
- Тип рідини: гідравлічне масло на основі мінерального масла
Підключення:
- підключіть основний потік живлення до порту E
- підключіть робочий потік до ресивера від порту P
- підключіть другий робочий потік від порту B до бака.
- співвідношення P/B Поділ потоку регулюється ручкою
Наша пропозиція також включає повний асортимент силової гідравліки. Насоси, розподільники, гідроциліндри, клапана, гідропроводи.
Видаємо ПДВ 23%
Запрошуємо до співпраці
