НАБІР НАПРАВЛЕНЬ ДЛЯ ПОДОВЖУВАЧА TEREX FERMEC 860
- Час доставки: 7-10 днів
- Стан товару: новий
- Доступна кількість: 1
Заказывая «КОМПЛЕКТ НАПРАВЛЯЮЩИХ ДЛЯ УДЛИНИТЕЛЯ TEREX FERMEC 860» данное изделие из «Система подвески» вы можете быть уверены, что после оформления заказа, доставки в Украину, вы получите именно то, что заказывали, в оговоренные сроки и европейского качества.
НАБІР ПІЗОК ДЛЯ КОВЗНОЇ РУКИ
ЕЛЕМЕНТИ РОЗДІЛЮВАННЯ РУКИ TEREX FERMEC
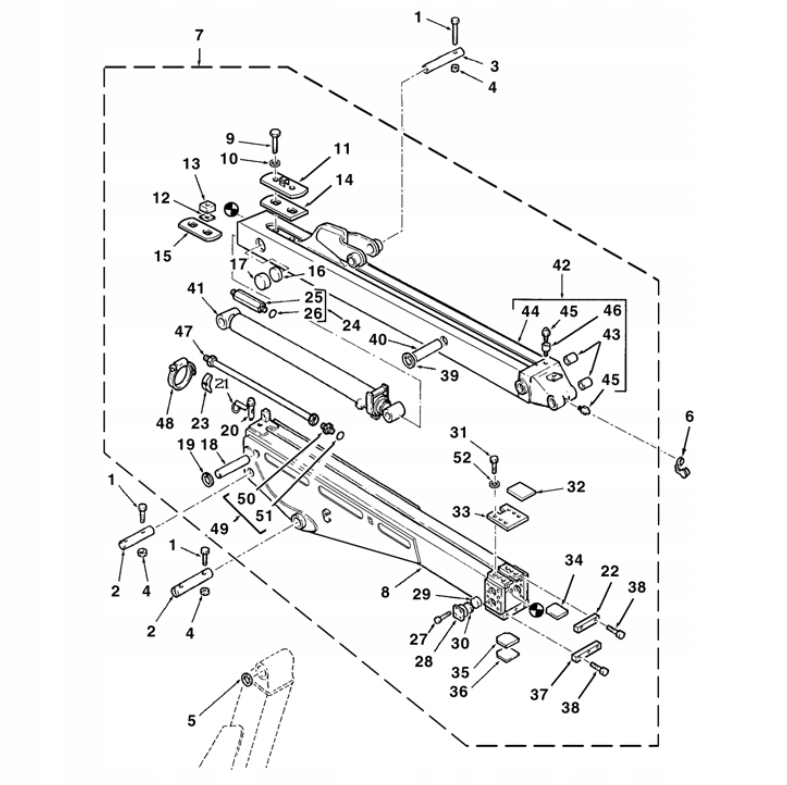
НАБІР СЛІД TEREX FERMEC
Використовується в екскаваторах-навантажувачах: TEREX FERMEC 760 820 860 960
Набір складається з 10 елементів:
позиція 14 на малюнку x 1
позиція 15 на малюнку x 1
позиція 17 на малюнку x 2
позиція 29 на малюнку x 4
позиція 34 на малюнку x 1
позиція 35 на малюнку x 1
Номери для порівняння: 6102518M1 , 6102559M1 , 3501658M2 , 3502473M2 , 3502475M2 *
Специфікація:
PA6-G + масло - литий поліамід, наповнений мастилом.
Цей матеріал був спеціально підготовлений для використання в якості рухомих частин машин, які не підлягають змащуванню. Використовуване тут мастило (мінеральне масло або тверде мастило - в залежності від кольору) викликає значне зниження коефіцієнта тертя в порівнянні з базовою формою PA6-G. Також значно підвищується стійкість до стирання. Типовими місцями застосування цього матеріалу є підшипники ковзання, втулки, ковзні вставки, напрямні ланцюга, шестерні та зірочки, ланцюги та шківи.
ПАСПОРТ БЕЗПЕКИ МАТЕРІАЛУ НА ФОТОГРАФІЇ, ЩО ДОДАЄТЬСЯ
*Торгові марки, використані у вмісті веб-сайту, є власністю відповідних власників. Найменування та номери виробників надаються виключно в інформаційних цілях відповідно до ст. 156 Закону про промислову власність.
ВЗУТТЯ TEREX FERMEC КОМПЛЕКТ
КАРКАСНІ ПОДкладки TEREX FERMEC
КОМПЛЕКТ КОЛОДОК TEREX FERMEC
Використовується в TEREX FERMEC: 760 820 860 960 екскаватори-навантажувачі
Набір складається з 10 елементів:
пункт 14. на малюнку x 1
пункт 15. на малюнку x 1
пункт 17. на малюнку x 2
пункт 29. на малюнку х 4
пункт 34. на малюнку x 1
пункт 35. на малюнку x 1
Порівняльні номери: 6102518M1, 6102559M1, 3501658M2, 3502473M2, 3502475M2 *
Специфікація:
PA6-G + масло - литий поліамід, наповнений мастилом.
Цей матеріал був спеціально підготовлений для використання в якості незмащених рухомих частин машин. Мастило (тут використовується мінеральне масло або тверде мастило - в залежності від кольору) викликає значне зниження коефіцієнта тертя по відношенню до основної форми PA6-G. Також значно підвищується стійкість до стирання. Типовим місцем застосування цього матеріалу є підшипники ковзання, вертлюжні втулки, ковзаючі вставки, напрямні ланцюга, шестерні та зірочки, ланцюги та шківи.
КАРТКА ХАРАКТЕРИСТИК МАТЕРІАЛУ НА ФОТОГРАФІЇ, ЩО ДОДАЄТЬСЯ
*Торгові марки, використані у вмісті сайту, є власністю відповідних власників. Назви та номери виробників надаються лише для інформації відповідно до статті 156 Закону про промислову власність.
