КОНТРОЛЕР КОНДИЦИОНЕРА ELMES ST100 AC 433MHz
- Час доставки: 7-10 днів
- Стан товару: новий
- Доступна кількість: 996
Покупая «КОНТРОЛЕР КОНДИЦИОНЕРА ELMES ST100 AC 433MHz» данный товар из каталога «Пульты управления» вы можете быть уверены, что после оформления заказа, доставки в Украину, вы получите именно то, что заказывали, в оговоренные сроки и европейского качества.
Контролер кондиціонера Elmes ST100
В набір входять:
- Контролер кондиціонера Elmes ST100 – 1 шт.;< /li >
❗УВАГА❗ Товар на замовлення.
❗ Інструкції доступні для завантаження в розділі «додаткова інформація» внизу сторінки.
КОНТРОЛЕР A/C Elmes ST100 призначений для керування (тобто вимикання та ввімкнення) кондиціонера залежно від відкривання/закривання вікон або двері кімнати з кондиціонером. Його функція полягає у відключенні живлення кондиціонера, коли в кімнаті відкрито вікно або двері (наприклад, під час провітрювання кімнати). Тому необхідно встановлювати бездротові геркони типу CTX (виробництва Elmes Elektronik) на дверях і вікнах.
Контролер працює з макс. 16 детекторів. У пристрої використовується система змінного коду KEELOQ® Microchip Technology Inc. Кожна передача одержувачу кодується і відрізняється від попередньої. Це забезпечує найвищий рівень захисту сигналів, що надсилаються детекторами CTX.
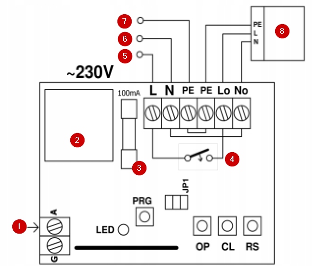
✅ ЛЕГЕНДА:
Опис клем підключення (на потенціалі мережі):
- L - ФАЗНА кабельна клема мережі 230В
- N - кабельна клема 230 В мережева нейтраль
- PE, PE - кабельні клеми для захисного заземлення
- Lo - L ФАЗА вихід живлення до кондиціонера
- Ні - N вихід нейтральної потужності на кондиціонер
- li>
Опис сервісних кнопок (без живлення):
- OP - кондиціонер вимкнено, стан вікна ігнорується
- CL - увімкнення кондиціонера, стан вікна ігнорується
- RS - скидання стану вікна, що зберігається в контролері
✅ ТЕХНІЧНІ ХАРАКТЕРИСТИКИ:
- частота: 433,92 МГц
- ВИХІД ВІДКРИТО: реле, макс. 16A/250VAC
- робоча температура: -20 градусів C ... +55 градусів C
- рівень захисту: IP56
- живлення: 230VAC
- споживана потужність: 2 ВА
- розміри: 87 x 87 x 39 мм
