Коробка відбору P88Z4P25294 DAF MAN kiper
Код: 9676119771
93988 грн
Ціна вказана з доставкою в Україну
Товар є в наявності
ЯК ЕКОНОМИТИ НА ДОСТАВКЕ?
Замовляйте велику кількість товарів у цього продавця
Інформація
- Час доставки: 7-10 днів
- Стан товару: новий
- Доступна кількість: 1
Покупая «Коробка відбору P88Z4P25294 DAF MAN kiper» данный товар из каталога «Силовая гидравлика» вы можете быть уверены, что после оформления заказа, доставки в Украину, вы получите именно то, что заказывали, в оговоренные сроки и европейского качества.
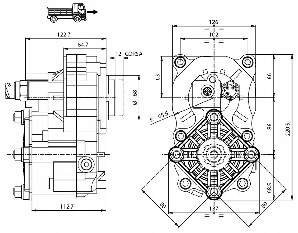
Коробка відбору потужності P88Z4P25294 DAF MAN kiper
ГІДРАВЛІКА ПОТУЖНОСТІ
Коробка відбору потужності P88Z4P25294 (ВОМ) - Завданням коробки відбору потужності є передача приводу від коробки передач до приймального пристрою, напр. гідравлічний насос, компресор тощо.
Ви повинні вибрати монтажний комплект для ВВП.
Також можна вибрати насос.
ВВП для Коробка передач ZF:
ДАНІ
- Тип адаптера: P88Z4P25294
- Вихід тип: 294
- Згинальний момент: 500 Нм
- Внутрішнє передавальне число: 1,32
- Кількість зубів (з боку короба): 12
- Вид зачеплення: Пневматичний
- Виробник: Hydrocar
- Країна походження: Італія
Навісне обладнання підходить до таких коробок: 6 S 850 DT 1.00 ; 6 S 850 OD 0,79
