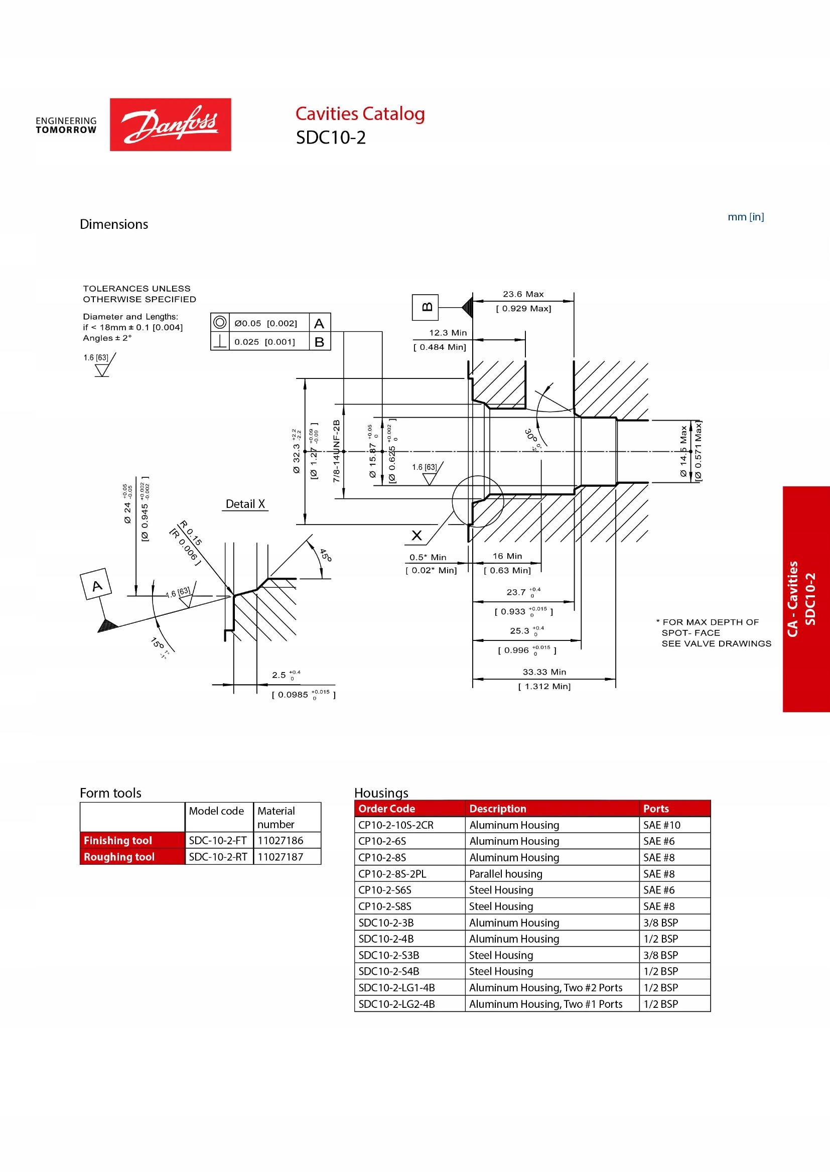
Корпус клапана SDC10-2-LG24B (1/2'') P/N: 922514210 - Danfoss
Код: 16217204235
4617 грн
Ціна вказана з доставкою в Україну
Товар є в наявності
ЯК ЕКОНОМИТИ НА ДОСТАВКЕ?
Замовляйте велику кількість товарів у цього продавця
Інформація
- Час доставки: 7-10 днів
- Стан товару: новий
- Доступна кількість: 3
Просматривая «Корпус клапана SDC10-2-LG24B (1/2'') P/N: 922514210 - Danfoss», вы можете быть уверены, что данный товар из каталога «Разделители» будет доставлен из Польши и проверен на целостность. В цене товара, указанной на сайте, учтена доставка из Польши. Внимание!!! Товары для Евросоюза, согласно законодательству стран Евросоюза, могут отличаться упаковкой или наполнением.
Корпус клапана SDC10-2-LG24B (1/2'') P/N: 922514210 - Danfoss
Danfoss
Корпус клапана SDC10-2-LG24B (1/2'') P/N: 922514210
Продюсер
Danfoss
Класифікація Гідравлічні подільники та розподільники > Картриджні подільники
Технічна інформація
- Вага: 0,266 кг
- Вага нетто: 0,266 кг
- Код EAN: 2010001442103
- Символ: KSDC10-2-LG2 4B (1/2'')
Кількість
Ціна вказана за 1 шт., ціна включає ПДВ.
- Виробник: Danfoss
- Кількість: 1
- Вага: 0,266 кг
- Вага нетто: 0,266 кг
- код EAN: 2010001442103
- символ: KSDC10-2-LG2 4B (1/2'')
- категорія: Гідравлічні подільники та розподільники > Картриджні подільники
