КОТУШКА ЕЛЕКТРОМАГНІТА ДОПОМІЖНИЙ КОНТАКТОР 12В 200А
Код: 12305332313
1938 грн
Ціна вказана з доставкою в Україну
Товар є в наявності
ЯК ЕКОНОМИТИ НА ДОСТАВКЕ?
Замовляйте велику кількість товарів у цього продавця
Інформація
- Час доставки: 7-10 днів
- Стан товару: новий
- Доступна кількість: 49
Заказывая «ЭЛЕКТРОМАГНИТНАЯ КАТУШКА ВСПОМОГАТЕЛЬНЫЙ КОНТАКТОР 12В 200А» данный товар из каталога «Электромагнитные выключатели», вы можете получить дополнительную скидку 4%, если произведете 100% предоплату. Размер скидки вы можете увидеть сразу при оформлении заказа на сайте. Внимание!!! Скидка распространяется только при заказе через сайт.
Електромагніт - ZM
Електричні параметри
- Напруга: 12
- Ампер: 200 A
- максимальне миттєве навантаження: 800 A
- Секунди: 5
Еквіваленти
- 131373Z Cargo
- 231807 CARGO
- SS9003 Автостартер
- Автостартер SS9005
- 131370 Cargo
- 131373 Cargo
- SNLS-600A Unipoint
- SNLS-600B Unipoint li>
- li>
- 0333006004 Bosch
- 0333009004 Bosch
- 19024758 Delco
- 19024761 Delco
- 12700 Efel li>
- 11.250.121 Iskra
- 11.250.143 Iskra
- ARD1133 Iskra
- SND11016 Woodauto
- ZM-403 Zm< /li> ul>
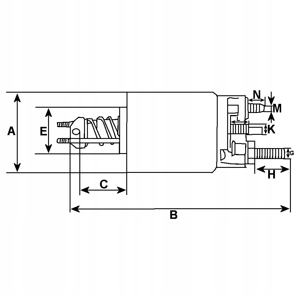
Розміри
- M, болт котушки, M8
- D, зовнішній діаметр/кришка мм, 47,55
- G , B+, M8
- H, Висота/B+, 11.85
- I, Термінал 15A/мм, 6.30
- K, Термінал 50/мм, 6.30
- N, болт котушки l., 11,90
- J, клема 15A/ширина, 11,30
- L, клема 50/ширина, 11,75
15 листопада 2023 р.
