Кутник сталевий НАД1 150х150 куточок для стулок
- Час доставки: 7-10 днів
- Стан товару: новий
- Доступна кількість: 88
Просматривая «Кутник сталевий НАД1 150х150 куточок для стулок» данный товар из каталога «Ставни» вы можете быть уверены, что после оформления заказа, доставки в Украину, вы получите именно то, что заказывали, в оговоренные сроки и европейского качества.
Декоративний куточок NAD 1
Декоративний куточок - це універсальний елемент різного призначення. Його основна функція полягає в тому, щоб установити віконні, дверні та рамні рами не тільки довговічними, але й естетично приємними для ока. Цей куточок також можна використовувати для посилення кутів плоских елементів, таких як віконниці або дверні полотна, що підвищує їх довговічність і стійкість.
Виготовлений з високоякісного сталевого листа. позначений як DC01 і з порошковим покриттям елегантного чорного кольору, цей кутовий диван випромінює сучасний дизайн.
Технічні дані
- Модель: NAD1.
- Розміри 100 x 100 мм.
- Вага нетто: 0,046 кг.
- Покриття: чорне порошкове покриття.
- Виробник: Domax.
- Товщина: 2 мм.
Естетичне та декоративне з'єднання
Застосування
Плоскі бруски, які використовуються для складання віконних і дверних рам і рам. Крім того, вони також використовуються для посилення кутів плоских елементів, таких як віконниці або дверні полотна. У зв’язку з частою установкою на видних місцях форма та обробка поверхні були підібрані таким чином, щоб вони також використовувалися як декоративний елемент.
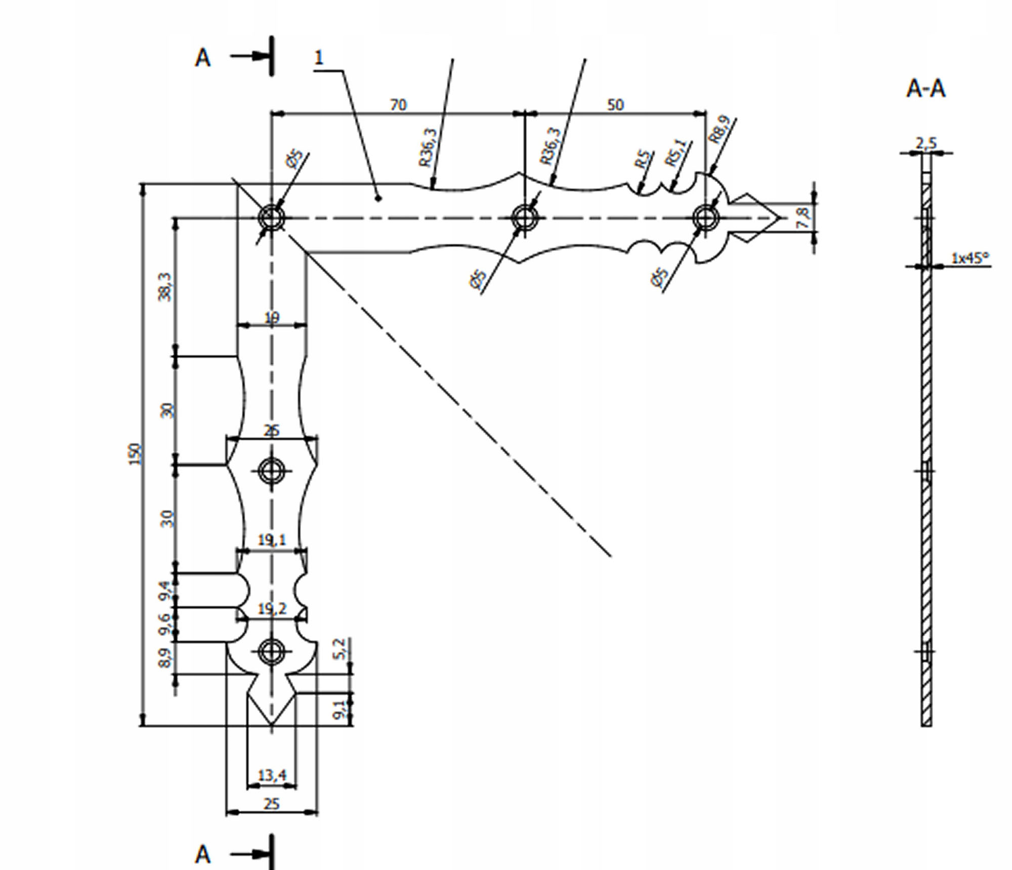
Товщина: 2,5 мм.
Антикорозійний захист: Дуплекс (лист Zn + порошкове покриття): Холоднокатаний лист із нанесеним з двох сторін гарячим цинковим покриттям вагою не менше 275 г/м2 і товщиною приблизно 20 мкм. Крім того, вироби фарбуються порошковою фарбою, що забезпечує високу герметичність покриття і підвищену стійкість до корозії. Захищені таким чином деталі можна використовувати в місцях, які періодично потрапляють під дощ або сніг.
Розміри:
- Ширина: 25 мм
- Довжина: 150 мм
- Товщина листа - 2,5 мм
- Кількість отворів - 5 круглих отворів ø5 мм
СХВАЛЕННЯ:
- Європейський технічний сертифікат
Кріплення, які ми пропонуємо, характеризуються найвищою якістю та можуть бути безпечними використовується в будівництві.
