Кутовий вузол Kpl6 зі складанням 60x60x45x2 20 sztuk
- Час доставки: 7-10 днів
- Стан товару: новий
- Доступна кількість: 6867
Просматривая «Угол угла сборки KPL6 со складкой 60x60x45x2 20 Sztuk», вы можете быть уверены, что данный товар из каталога «[rubrica_name]» будет доставлен из Польши и проверен на целостность. В цене товара, указанной на сайте, учтена доставка из Польши. Внимание!!! Товары для Евросоюза, согласно законодательству стран Евросоюза, могут отличаться упаковкой или наполнением.
20 x Кут кріплення з крихтами Kpl6
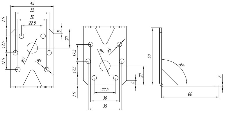
Розміри: 60 мм x 60 мм x 45 мм x 2,0 мм
Рибалки з глибоким тисненням демонструють дуже високу силу згинання. У них широкий спектр продуманих отворів, тому їх можна використовувати як у стандартних рішеннях, так і вибрати для індивідуально розроблених роз'ємів.
творці набір виготовлені з тоншого матеріалу, ніж кути kp , що є результатом роботи над отриманням кращого компромісу між ціною та витривалістю.
кути виготовлені з оцинкованої сталевої листа з товщиною 2,0 мм .
Параметри:
- довжина - 60 мм
- висота - 60 мм
- ширина - 45 мм
- Товщина листа - 2,0 мм
- Матеріал -dx51d + Z275
- Захист проти корозій - ocynk
- Кількість отворів -12 отвори Ø5мм, 2 отвори Ø11mm
кріплення:
- Кільцеві нігті якір Ø4
- гвинти Ciziele для з'єднувачів
- Деревні гвинти Ø6 мм, 10 мм
- Сталеві гвинти розширення M10
- М10 вставлені якоря тощо
Технічний малюнок:
- kp1 - 90 x 90 x 65 x 2,5 [мм]
- kp2 - 105 x 105 x 90 x 2,5 [мм]
- kp3 - 90 x 50 x 55 x 2,5 [мм]
- kp4 - 70 x 70 x 55 x 2,5 [мм]
- kp5 - 140 x 140 x 65 x 2,5 [мм]
- kp6 - 172 x 105 x 90 x 3 [мм]
- kp7 - 145 x 145 x 90 x 2,5 [мм]
- kp8 - 145 x 70 x 90 x 2,5 [мм]
- kp9 - 128,5 x 128,5 x 45 x 2,5 [мм]
- kpl1 - 90 x 90 x 65 x 2 [мм]
- kpl2 - 105 x 105 x 90 x 2 [мм]
- kpl3 - 90 x 50 x 55 x 2 [мм]
- kpl4 - 70 x 70 x 55 x 2 [мм]
- kpl5 - 50 x 50 x 35 x 2 [мм]
- kpl6 - 60 x 60 x 45 x 2 [мм]
- kps1 - 90 x 90 x 65 x 1,5 [мм]
- kps2 - 105 x 105 x 90 x 1,5 [мм]
- kps3 - 90 x 50 x 55 x 1,5 [мм]
- kps4 - 70 x 70 x 55 x 1,5 [мм]
Технічна документація:
- Європейське технічне затвердження
- Декларація функціональних властивостей
- Сертифікат відповідності контролю виробництва компанії
Усі роз'єми, які ми пропонуємо, характеризуються найвищою якістю та можна використовувати без страху в будівництві . Ми докладаємо всіх зусиль, щоб забезпечити безпечне та пристосоване продукція нашим підрядникам та пристосована до конкретних завдань.
