Ліфти магнітний замок для вікон та дверей ПВХ
Код: 13826473246
1357 грн
Ціна вказана з доставкою в Україну
Товар є в наявності
ЯК ЕКОНОМИТИ НА ДОСТАВКЕ?
Замовляйте велику кількість товарів у цього продавця
Інформація
- Час доставки: 7-10 днів
- Стан товару: новий
- Доступна кількість: 986
Просматривая «Ліфти магнітний замок для вікон та дверей ПВХ» данный товар из каталога «Балконные и террасные двери» вы можете быть уверены, что после оформления заказа, доставки в Украину, вы получите именно то, что заказывали, в оговоренные сроки и европейского качества.
ЯК ВІКОННИК
Пропоную ОРИГІНАЛЬНИЙ, спеціалізований, магнітний замок для ПВХ вікон та дверей, завдяки якому ваш комфорт користування столярними виробами значно покращиться.
Пропонована кількість: 1 комплект
Windyy — це магнітний замок відкиду вікна, який дозволяє зупиняти вікна та балконні двері в будь-якому положенні, адаптуючи відкрите вікно до ваших потреб та погодних умов.
Застосування:
- ТІЛЬКИ для вікон та дверей ПВХ
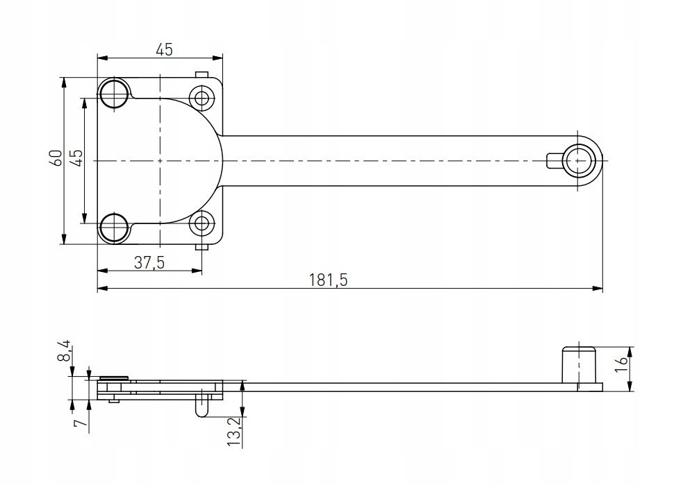
- для вікон із шириною профілю (рама вікно), мін. 45 мм (див. технічні характеристики)
В набір входить
- магнітний замок Windyy
- два гвинти
- інструкції зі складання
Розміри згідно з технічним кресленням!
