Makita stojan do młotowiertarki HR3200C HR3210C HR3210FCT HR3540C HR3541FC
- Час доставки: 7-10 днів
- Стан товару: новий
- Доступна кількість: 1
Просматривая «Makita stojan do młotowiertarki HR3200C HR3210C HR3210FCT HR3540C HR3541FC» данное изделие из «Статоры» вы можете быть уверены, что после оформления заказа, доставки в Украину, вы получите именно то, что заказывали, в оговоренные сроки и европейского качества.
/ Статор Makita для перфоратора HR3200C
FIELD 220-240V
- Виробник: Makita
- Код виробника: 625813-4
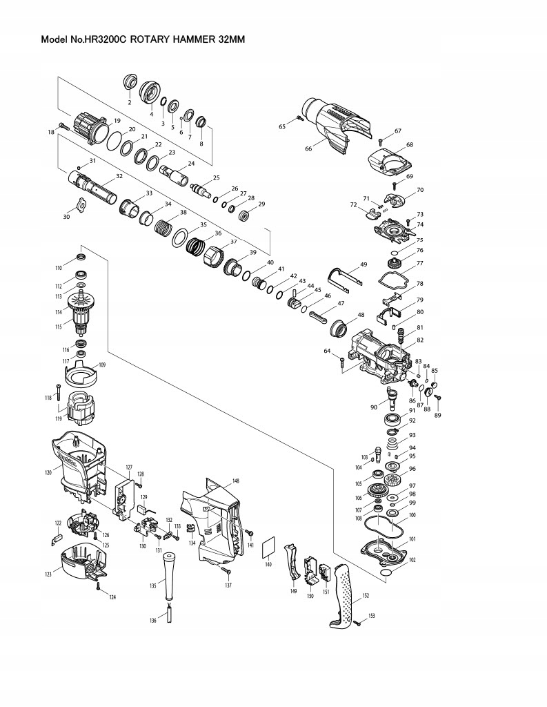
- Позиція на схемі: 119 - HR3200C < /ul>
- HR3200C li>
- HR3210C
- HR3210FCT
- HR3540C
- HR3541FC
Застосування:
Ударний дриль
Перелік деталей для HR3200C
Елемент на схемі, номер за каталогом, опис, кількість
002 ; 286282-0 КРИШКА ТРИМАЧА ІНСТРУМЕНТУ; 1
003 ; 233940-9 Пружина 19 ; 1
004 ; 450245-4 Кришка тримача свердла; 1
005 ; 257288-5 Кільце 21 ; 1
006 ; 216022-2 Сталева кулька 7,0 ; 2
007 ; 345873-7 Шайба ; 1
008 ; 234049-0 Весна 22-32 ; 1
018 ; 922341-3 Гвинт з шестигранником M6X25 W ; 4
019 ; 158533-0 Ударна установка ; 1
C10 ; 213436-6 Сальник 28 ; 1
C21 ; 213142-3 Ущільнювальне кільце 35 ; 1
020 ; 213656-2 Ущільнювальне кільце 53 ; 1
021 ; 267810-0 Шайба 34 ; 1
022 ; 262138-1 Уретанове кільце 34 ; 1
023 ; 267810-0 Шайба 34 ; 1
024 ; 324840-5 ТРИМАЧ ІНСТРУМЕНТА ; 1
025 ; 324849-7 Ручка ; 1
026 ; 213228-3 Ущільнювальне кільце 15 ; 1
027 ; 213228-3 Ущільнювальне кільце 15 ; 1
028 ; 213321-3 кільце з фторуглеродної смоли 20; 1
029 ; 424062-8 Гумове кільце 13 ; 1
030 ; 324838-2 Накладна пластина ; 1
031 ; 256266-2 Штифт 6 ; 4
032 ; 331794-9 Циліндр 25 ; 1
033 ; 450243-8 Розсувна втулка ; 1
034 ; 331805-0 Кільце 29 ; 1
035 ; 267360-5 Шайба 40 ; 1
036 ; 234052-1 Пружина стиснення 42 ; 1
037 ; 450236-5 Стопорна втулка ; 1
038 ; 234050-5 Пружина стиснення 34 ; 1
039 ; 331795-7 Привідна втулка ; 1
040 ; 213434-0 Кільце ущільнювача 26 ; 1
041 ; 324858-6 Ударна деталь ; 1
042 ; 213283-5 Ущільнювальне кільце 18 ; 1
043 ; 213283-5 Ущільнювальне кільце 18 ; 1
044 ; 256087-2 Штифт 7 ; 1
045 ; 324918-4 Поршень ; 1
046 ; 213262-3 Ущільнювальне кільце 18 ; 1
047 ; 450235-7 Шатун ; 1
048 ; 227531-6 Шестерня 37; 1
049 ; 345867-2 ланка ; 1
064 ; 266041-8 Гвинт саморіз з опуклою головкою PT 5X25 ; 4
065 ; 922123-3 Гвинт з шестигранником M4X14 WR ; 1
066 ; 450261-6 Кришка картера; 1
067 ; 266192-7 Гвинт саморіз з опуклою головкою PT 4X14 ; 2
068 ; 318201-9 Кришка коробки передач; 1
069 ; 265995-6 Гвинт саморіз з опуклою головкою PT 4X18 ; 1
070 ; 450249-6 Важіль перемикача ; 1
071 ; 233436-0 Натискна пружина 3 ; 2
072 ; 450250-1 КНОПКА БЛОКУВАННЯ ; 1
073 ; 911128-8 Гвинт з круглою головкою M4X16 WR ; 5
074 ; 450241-2 Кришка кривошипа; 1
075 ; 213223-3 Ущільнювальне кільце 16 ; 1
076 ; 158437-6 Зірочка 33 комплект. ; 1
077 ; 424064-4 Кільце ущільнювальне B ; 1
078 ; 345868-0 Зігнута пластина ; 1
079-1 ; 453866-1 ПОВІТРЯНА ТРУБА ; 1
080 ; 263005-3 Паличка гумова 6 ; 2
081-1 ; 452126-8 ВАЛ ПЕРЕДАЧІ ; 1
082-2 ; 158713-8 Комплект кришки картера; 1
C10 ; 213579-4 О-кільце 44 ; 1
083 ; 443138-2 ФІЛЬТР; 1
084 ; 213030-4 О-кільце 8 ; 1
085 ; 450238-1 КРИШКА ФІЛЬТРУ; 1
086 ; 450244-6 Шестерня ; 1
087-1 ; 213176-6 Ущільнювальне кільце 14 ; 1
088 ; 450237-3 ТРИМАЧ КОВПАКА ; 1
089 ; 266192-7 Гвинт саморіз з опуклою головкою PT 4X14 ; 1
090 ; 324839-0 КОРІНВАЛ ; 1
091 ; 211332-2 ПІДШИПНИК 6004LLU ; 1
092 ; 961060-6 Кільце стопорне (ЗОВНІШНЄ) S-20 ; 1
093 ; 231991-6 Весна 21-31; 1
094 ; 254239-9 Клин 4 ; 2
095 ; 324848-9 Зчеплення ; 1
096 ; 227188-3 Шестерня 33; 1
097 ; 253197-6 Шайба 10 ; 1
098 ; 961036-3 Кільце ротове
