Маркерний клапан сівалки VDFS 3/8" 250 бар для сівалок з 2-струнними циліндрами
- Час доставки: 7-10 днів
- Стан товару: новий
- Доступна кількість: 196
Просматривая «Маркерный клапан сеялки VDFS 3/8" 250 бар для сеялок с 2-х струнными цилиндрами» данный товар из каталога «Гидравлические клапаны», вы можете получить дополнительную скидку 4%, если произведете 100% предоплату. Размер скидки вы можете увидеть сразу при оформлении заказа на сайте. Внимание!!! Скидка распространяется только при заказе через сайт.
ГІДРАВЛІЧНИЙ КЛАПАН ДЛЯ СІВАЛКИ MARKER VDFSDE 3/8"
ДЛЯ СІВАЛКИ З ДВОМА ЦИЛІНДРАМИ ПОДВІЙНОЇ ДІЇ
Виробництво:
Оригінальний продукт марки Hydrolider, символ: 1.35.53.002.1
Застосування:
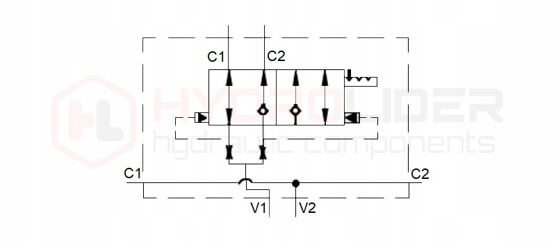
Широко використовується в гідравлічних системах у сільському господарстві, будівництві та промисловості Клапан використовується для гідравлічного керування маркерами в сівалках, картоплесаджалках і подібних машинах. Клапан дозволяє керувати сівалкою в тракторах з двома гідровиходами або через одну секцію з виходами А і В в гідророзподільнику.
Принцип дії:
Оператор після відповідного з'єднання клапана з приводами може вільно перемикати положення маркерів, не виходячи з кабіни трактора.
Підключення:
Підключіть V1 і V2 до лінії живлення, наприклад, до розеток на тракторі або до двох портів A і B у секції розподільника. Підключіть один бік A і B від клапана до портів C2 на приводах подвійної дії. Під’єднайте інші сторони A та B від клапана до портів C1 у приводах.
Перевагою клапана VDFSDE порівняно з одним VDFS є можливість під’єднання всіх чотирьох кабелів від двосторонніх приводів до один куб. За допомогою VDFS ми можемо підключити до куба лише два кабелі від приводів, а наступні два потрібно перем’язати трійником і під’єднати до трактора окремим кабелем.
Послідовність подій після зниження тиску масла на V2:
Маркер A висувається - Маркер A втягується - Маркер B висувається - Маркер B втягується
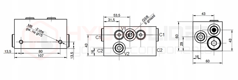
Технічні дані:
- Максимальний потік: 40 л/хв
- Кількість гідравлічних отворів у корпусі: 6
- Внутрішня різьба в корпусі: BSP 3/8"
- Матеріал: оцинкована сталь
- Максимально допустимий тиск: 250 бар
Температурний діапазон і тип масло:
- Допустима температура навколишнього середовища: від -40 C до +60 C
- Допустима температура масла: від -15 C до +80 C
- Тип масла: гідравлічне масло на основі мінерального масла
