Механічний датчик потоку води FI25 HFS-25B
- Час доставки: 7-10 днів
- Стан товару: новий
- Доступна кількість: 11
Оплачивая «Механический датчик потока воды FI25 HFS-25B» данный товар из каталога «Сигналізатори», вы можете получить дополнительную скидку 4%, если произведете 100% предоплату. Размер скидки вы можете увидеть сразу при оформлении заказа на сайте. Внимание!!! Скидка распространяется только при заказе через сайт.
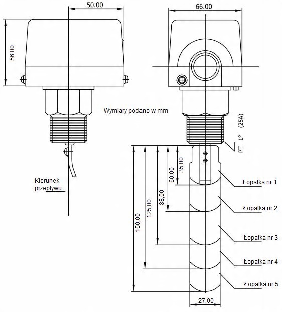
Пропозиція на аукціоні - це датчик потоку рідини. Він встановлюється за допомогою трійника безпосередньо на трубопроводі. Використовуючи надані бляшки різної довжини, ми регулюємо чутливість датчика до наших потреб. Крім того, чутливість цього вимірювача може бути встановлена ручкою на мікромотворах, встановлюючи, щоб навіть мінімальний рух викликав дію. Простий і надійний пристрій. Макс. Робоча температура 80 градусів Цельсія.
Не соромтеся купувати
Все з a m e n i a o p a c o n e я намагаюся 11_00 я намагаюся r e a l i z o w a t e g o
s a m e g o d n i a
s a m e g o d n i a. Для інших перевізників може бути затримка на 24 години
