Модульні передачі простий модуль M2 Z23 загартовані
- Час доставки: 7-10 днів
- Стан товару: новий
- Доступна кількість: 3
Заказывая «Модульные шестерни простые модуль M2 Z23 смягченный» данный товар из каталога «Остальные», вы можете получить дополнительную скидку 4%, если произведете 100% предоплату. Размер скидки вы можете увидеть сразу при оформлении заказа на сайте. Внимание!!! Скидка распространяется только при заказе через сайт.
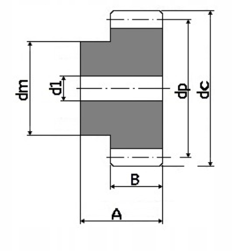
шестерня з позначенням m2 Z23. відповідно до норми. Чим більший модуль, тим більший зуб для колеса (більший колесо). Кількість зубів змінюється кожним 1 зубом. Найменша нормалізована кількість зубів - 10.
Колесо додатково має такі параметри:
кут масла - 20 градусів - за метричним стандартом. >
Кут нахилу - 0 градусів - прямі зуби
Корекція X - 0 - Неокореневе колесо. P> Коло, зроблений з ліворуч з сталі C45 , вінок кола вдосконалювався. Semi -fin P>
У нашому магазині ви також можете придбати колеса, що розходяться до певного діаметра або зроблені у версії з конусною розеткою.
