Монтаж куточків дверних коробок для ролет 200х200
Код: 13160575841
482 грн
Ціна вказана з доставкою в Україну
Товар є в наявності
ЯК ЕКОНОМИТИ НА ДОСТАВКЕ?
Замовляйте велику кількість товарів у цього продавця
Інформація
- Час доставки: 7-10 днів
- Стан товару: новий
- Доступна кількість: 559
Оплачивая «Монтаж куточків дверних коробок для ролет 200х200» данный товар из каталога «Ставни», вы можете получить дополнительную скидку 4%, если произведете 100% предоплату. Размер скидки вы можете увидеть сразу при оформлении заказа на сайте. Внимание!!! Скидка распространяется только при заказе через сайт.
Кутовий диван
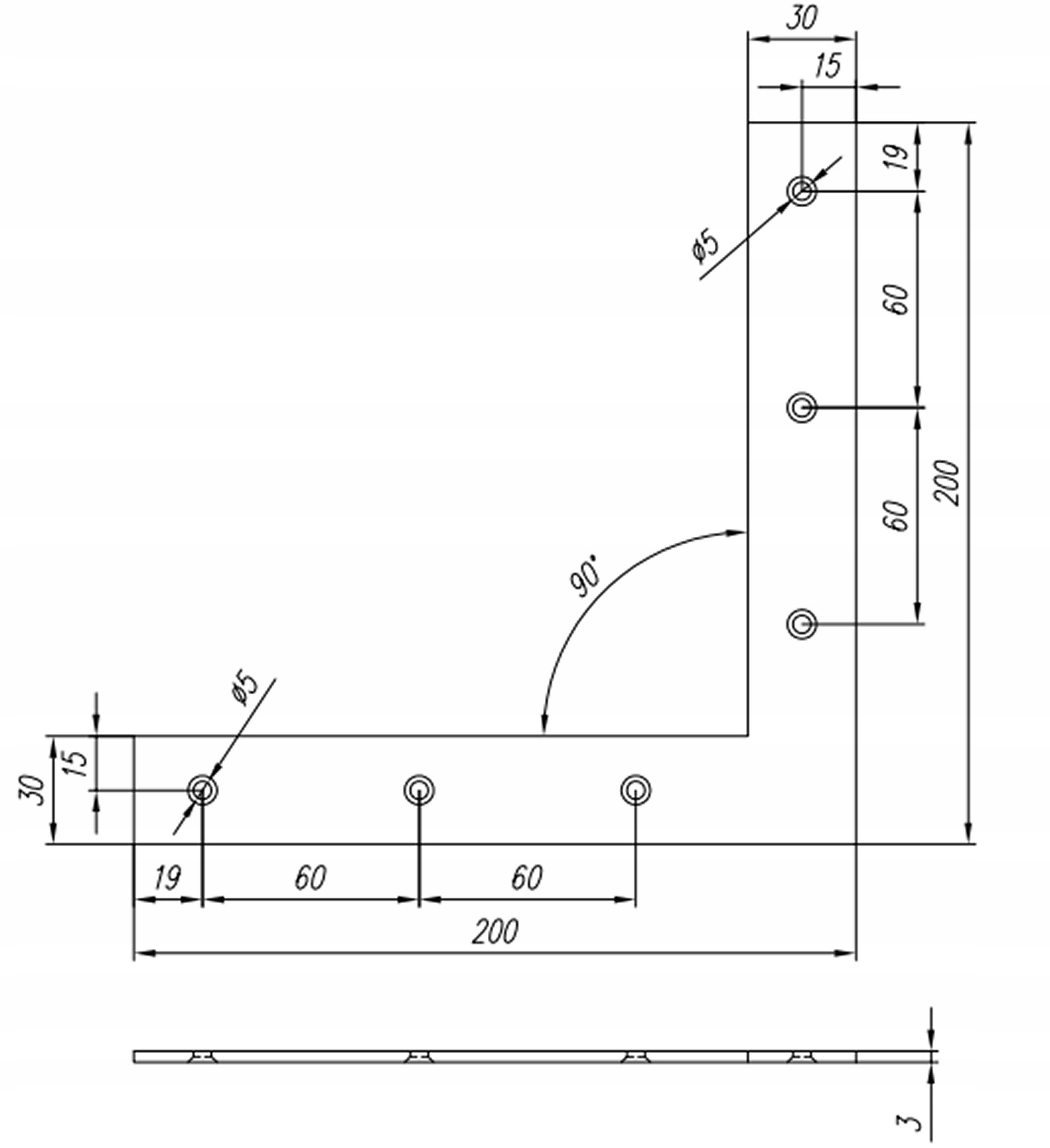
- Модель: NA2
- Розміри 200 x 200 мм
- Вага нетто: 0,218 кг
- Покриття: гальванічний золотий цинк
- Виробник: Domax
- Товщина: 2,5 мм
- Естетичне та декоративне поєднання
Застосування
Плоскі бруски, які використовуються для складання віконних і дверних рам і рам. Крім того, вони також використовуються для посилення кутів плоских елементів, таких як віконниці або дверні полотна. У зв’язку з частою установкою на видних місцях форму та обробку поверхні було підібрано таким чином, щоб вони також функціонували як декоративний елемент.
Товщина: 2,5 мм.
Розміри:
- Ширина: 30 мм
- Довжина: 200 мм
- Товщина листа - 2,5 мм
- Кількість отворів - 6 круглих отворів ø5 мм
